Цветные электросхемы автомобиля Е класса Мерседес Бенц. Из-за большого количества схем, они разделены на две части. Начало читайте в этом разделе. Увеличить можно кликнув на изображение модуля. Условные обозначения на схемах авто читайте ниже.
Электросхема Мерседес Бенц Е
















Обозначения и расшифровка схем Мерседес
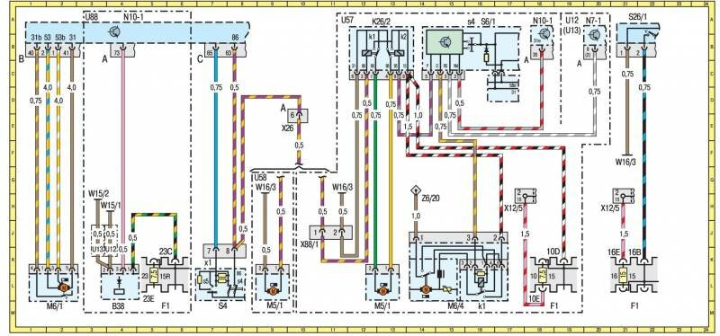
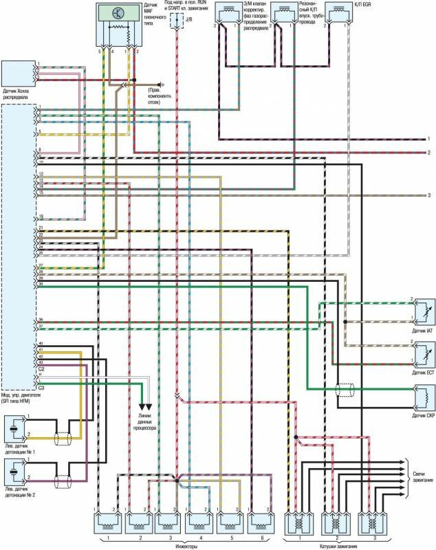
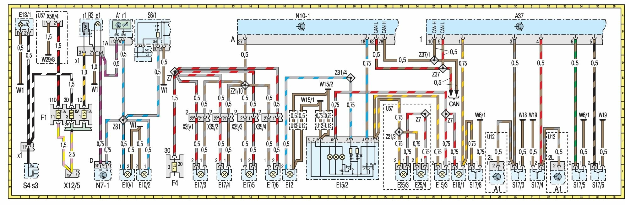
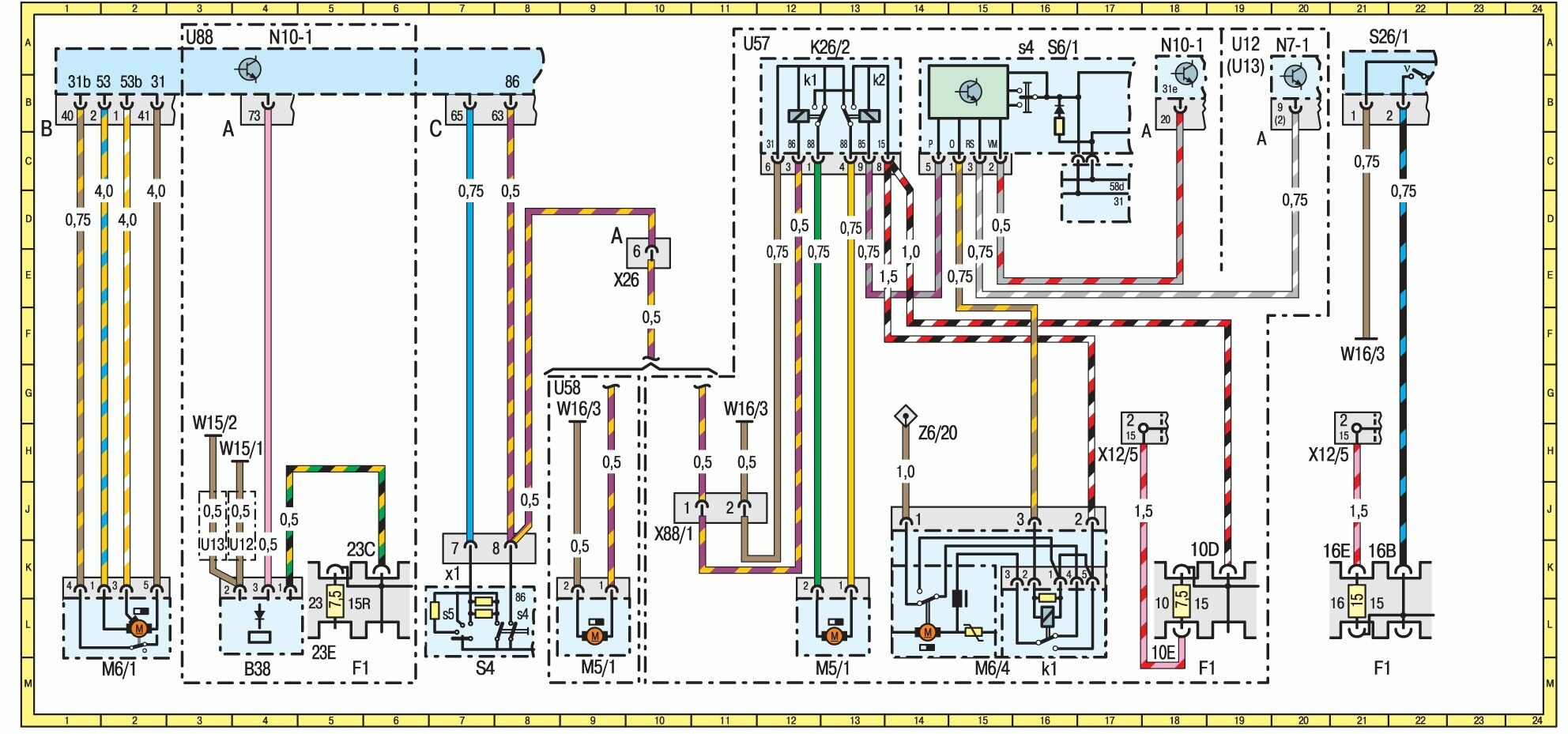
Подвод тока. Вверху схемы обычно представлена «плюсовая» группа. Сюда ток приходит с предохранителя, для которого указаны обозначение контактов, номер и номинальное значение.
Предохранители. С буквенным обозначением «F» и последующим цифровым обозначением на схеме в их контактах показаны предохранители. Нумерация соответствует их размещению в блоках предохранителей и реле.
Контактные разъемы, как правило, обозначаются на схеме буквой «Х». Следующее далее цифровое обозначение позволяет по таблице определить, где данное соединение размещено в автомобиле.
Детали. Все детали имеют на схемах буквенное и последующее цифровое обозначение. Так, например, буква «А» обозначает приборы, приемники, передатчики; «В» — датчики, температурные датчики; «Е» — лампы; «F» — предохранители; «G» — источники тока; «H» — сигнальные устройства; «K» — реле; «L» — катушки, индуктивные датчики; «M» — электродвигатели; «N» — блоки управления; «R» — резисторы; «S» — выключатели; «T» — катушки зажигания; «W» — контакты «массы»; «X» — контактные разъемы; «Y» — клапаны; «Z» — места пайки в жгуте проводов.
Символы. Для обозначения деталей использованы принятые символы, при этом положение всех выключателей и контактов показано для неподвижного закрытого автомобиля с включенным стояночным тормозом.
Обозначения контактов. Аналогичные указанным на схемах одно- или двухзначные цифровые обозначения на схеме, при необходимости с дополнительными буквами, можно найти на контактах подключения соответствующих деталей.
Масса. Детали кузова, двигателя и коробки передач в электрооборудовании служат для замыкания электроцепи и называются «массой». На схемах каждый контакт «массы» обозначен буквой «W».
Различия модификаций. На схемах также представлены различия в зависимости от модификации и комплектации. Детали заключены в пунктирную с точкой рамку и обозначены аббревиатурой
РЕМОНТ АВТОЭЛЕКТРОНИКИ ЗАРЯДНЫЕ УСТРОЙСТВА ДЛЯ АКБ

|