Цветные электросхемы автомобиля Е класса Mercedes-Benz. Из-за большого количества схем, они разделены на две части. Продолжение читайте в этом разделе. На всех автомобилях Mercedes-Benz Е-класса, аккумуляторная батарея расположена под задним сиденьем с правой стороны. Для доступа к батарее надо снять подушку заднего сиденья (седан) или скложить правое заднее сиденье (Т-модель), сама батарея закрыта дополнительной крышкой. В моторном отсеке расположен контрольный контакт для проверки батареи.
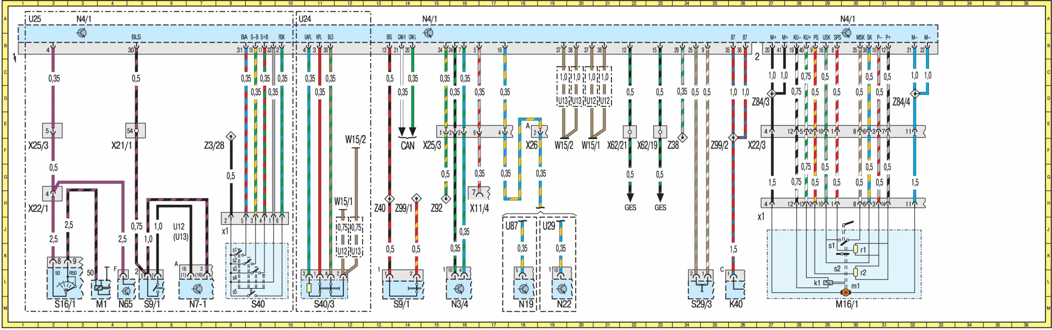
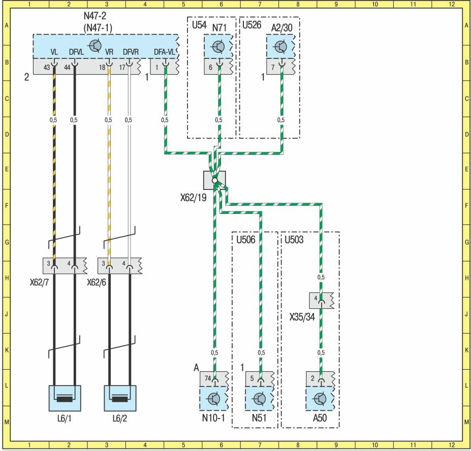
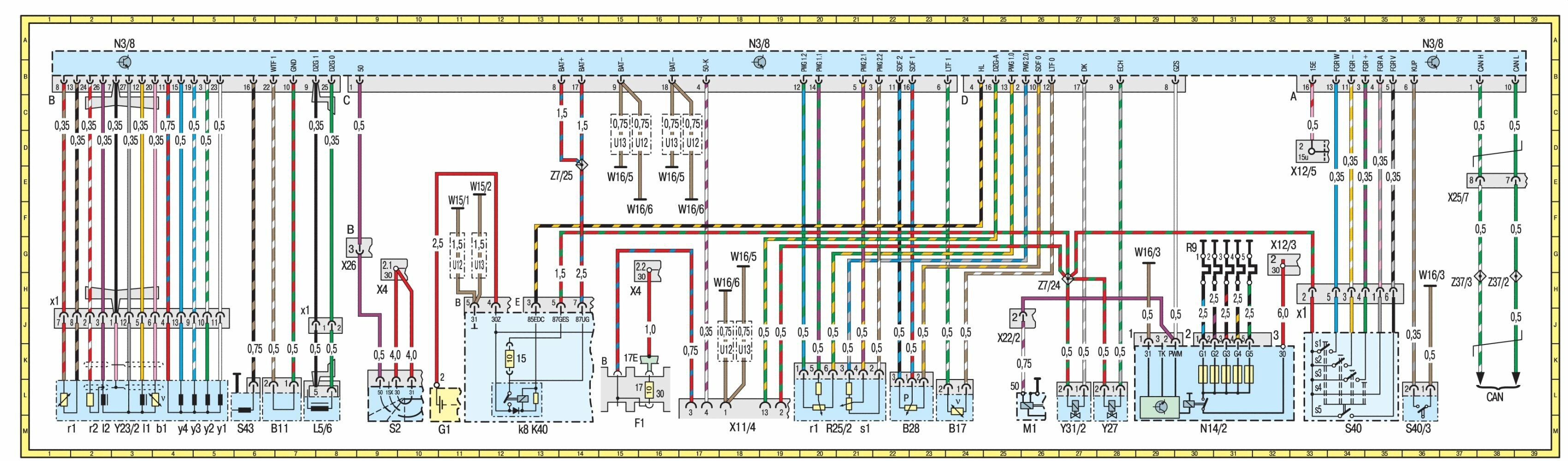
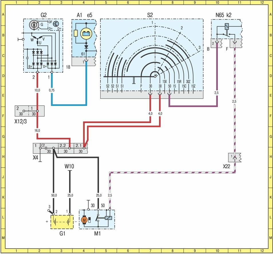
Электросхема Mercedes-Benz E















Монтажный блок реле и предохранителей Mercedes-Benz E

Монтажный блок предохранителей и реле в автомобиле Mercedes-Benz Е-класса находится в задней части моторного отсека слева. В нем установлено пять блоков предохранителей (F1/1–5), диагностический разъем, тактовый модуль и при наличии контроллер системы ADS. С нижней стороны блока предохранителей и реле находятся помеченные цветом штекерные гребенки. Для снятия разъема необходимо нажать сбоку сдвижные защелки. Некоторые силовые соединения имеют резьбовое крепление.
Обозначения на схемах:
1–5/6 Датчик положения коленчатого вала систем ERE/EVE
220/1 Экран в изоляции
237/2 Вывод шины данных CAN (low)
27/24 Вывод контакта «87»
27/25 Вывод контакта «87» без предохранителя (Motronik/модуль реле)
825/2 Датчик установленного значения ERE/EVE
А1 Комбинация приборов
А16 Датчик удара
А16/1 Датчик удара 1 левый
А16/2 Датчик удара 2 правый
А1е1 Контрольная лампа указателя левого поворота
А1е11 Сигнальная лампа уровня охлаждающей жидкости
А1е12 Сигнальная лампа уровня масла
А1е13 Сигнальная лампа уровня жидкости в бачке стеклоомывателя
А1е14 Сигнальная лампа выхода из строя ламп
А1е15 Контрольная/сигнальная лампа подушки безопасности и натяжителей ремней
А1е16 Контрольная лампа устройства накаливания
А1е17 Контрольная лампа ABS
А1е2 Контрольная лампа правого указателя поворота
А1е21 Сигнальная лампа ASR
А1е22 Контрольная лампа ASR
А1е27 Сигнальная лампа системы ADS подвески
А1е3 Контрольная лампа дальнего света
А1е35 Контрольная лампа ETS
А1е36 Сигнальная лампа ETS
А1е37 Сигнальная лампа уровня рабочей жидкости в гидроусилителе рулевого урпавления
А1е4 Сигнальная лампа резерва топлива
А1е44 Подсветка мультифункционального указателя, белая
А1е45 Подсветка мультифункционального указателя, красная
А1е5 Контрольная лампа зарядки/сигнальная лампа генератора
А1е6 Сигнальная лампа указателя износа тормозных колодок
А1е7 Сигнальная лампа уровня тормозной жидкости/стояночного тормоза
А1е8 Освещение комбинации приборов
А1е9 Сигнальная лампа ремней безопасности
А1h1 Предупреждающий сигнал
A1p1 Указатель температуры охлаждающей жидкости
A1p2 Указатель уровня топлива
A1p4 Указатель внешней температуры
A1p5 Датчик частоты вращения коленчатого вала
A1p6 Электронные часы
A1p8 Электронный спидометр
A1r1 Реостат яркости освещения комбинации приборов
A2 Магнитола
A2/29 Магнитола и навигационная система APS
A2/30 Навигационная система APS
A26/7 Приемный датчик инфракрасного ДУ за зеркалом заднего вида в салоне
A32 Механизм регулировки воздушных потоков системы отопления
A32m1 Электродвигатель вентилятора
A32n1 Регулятор частоты вращения вентилятора
A37 Пневматический управляющий механизм (PSE), смешанные функции
A42b2 Датчик левый средний, передний бампер
A42b3 Датчик левый внутренний, передний бампер
A42b4 Датчик правый внутренний, передний бампер
A42b5 Датчик правый средний, передний бампер
A42b6 Датчик правый внешний, передний бампер
A43 Блок датчиков системы Parktronic (PTS), задний бампер
A43b10 Датчик левый внешний, задний бампер
A43b7 Датчик правый внешний, задний бампер
A43b8 Датчик правый внутренний, задний бампер
A43b9 Датчик левый внутренний, задний бампер
A44/1 Сигнальное устройство системы Parktronic (PTS), панель приборов слева
A44/3 Сигнальное устройство системы Parktronic (PTS), потолочный светильник сзади
A44/4 Сигнальное устройство системы Parktronic (PTS), панель приборов посередине
A45 Контактная спираль звукового сигнала/подушки безопасности
A45x2 Штекерный разъем контактной спирали/реле звукового сигнала
A50 Таксометр
A51 Датчик системы регулировки света фар на заднем мосту
A52 Датчик системы регулировки света фар на переднем мосту
A6 Отопитель/дополнительный отопитель
A7/3m1 ТНВД/насос обратной подачи
A7/3y10 Магнитный клапан задний левый, удержание давления
A7/3y11 Магнитный клапан задний левый, сброс давления
A7/3y12 Магнитный клапан задний правый, удержание давления
A7/3y13 Магнитный клапан задний правый, сброс давления
A7/3y14 Магнитный клапан обратной подачи
A7/3y15 Магнитный клапан впуска
A7/3y16 Магнитный клапан, передний мост
A7/3y17 Магнитный клапан, задний мост
A7/3y18 Переключающий клапан, передний мост
A7/3y19 Переключающий клапан, задний мост
A7/3y5 Переключающий магнитный клапан
A7/3y6 Магнитный клапан передний левый, удержание давления
A7/3y7 Магнитный клапан передний левый, сброс давления
A7/3y8 Магнитный клапан передний правый, удержание давления
A7/3y9 Магнитный клапан передний правый, сброс давления
B10/1 Датчик теплообменника
B10/4 Датчик температуры в салоне
B10/4b1 Датчик температуры
B10/4m1 Вентилятор
B10/4x1 Контактный разъем датчика температуры в салоне
B11 Датчик температуры охлаждающей жидкости
B17 Датчик температуры воздуха на впуске
B19 Датчик температуры в каталитическом нейтрализаторе
B19/1 Контактный разъем датчика температуры в каталитическом нейтрализаторе
B2/5 Датчик объема воздуха
B24/2 Датчик поперечного ускорения
B24/3 Датчик ускорения, передний левый
B24/4 Датчик ускорения, передний правый
B24/6 Датчик ускорения, задний правый
B28 Датчик давления
B28/3 Датчик хода ARF
B34 Датчик давления в тормозной системе ESP
B38 Датчик дождя
B4 Датчик указателя уровня топлива
B6/1 Датчик Холла, распределительный вал
C2 Подавление помех, генератор/провода аккумуляторной батареи
CZ7 Вывод контакта «30»
E1 Блок освещения левый
E18/1 Освещение багажника
E1e1 Дальний свет
E1e3 Габаритный/стояночный свет
E1e8 Ближний свет, ксеноновые фары
E1m1 Электродвигатель корректора фар
E1n1 Блок управления, ксеноновые фары
E1n2 Пусковое устройство, ксеноновые фары
E2 Блок освещения правый
E25/3 Светильник в салоне, задняя левая стойка (T)
E25/4 Светильник в салоне, задняя правая стойка (T)
E2e1 Дальний свет
E2e3 Габаритный/стояночный свет
E2e8 Ближний свет, ксеноновые фары
E2m1 Электродвигатель корректора фар
E2n1 Блок управления, ксеноновые фары
E2n2 Пусковое устройство, ксеноновые фары
E3 Задний левый габаритный свет
E3e5 Задний противотуманный свет
E4 Задний правый габаритный свет
E4e5 Задний противотуманный свет
F1 Блок предохранителей и реле
F1–1 Предохранитель 1, контакт «15R»
F1–10 Предохранитель 10, контакт «15»
F1–11 Предохранитель 10, контакт «15»
F1–12 Предохранитель 12, контакт «15R»
F1–13 Предохранитель 13, контакт «15R»
F1–14 Предохранитель 14, клемма «56b»
F1–15 Предохранитель 15, контакт «15»
F1–16 Предохранитель 16, контакт «15»
F1–17 Предохранитель 17, контакт «30»
F1–18 Предохранитель 18, резерв
F1–19 Предохранитель 19, контакт «15»
F1–2 Предохранитель 2, контакт «15R»
F1–20 Предохранитель перегрузки 20, контакт «30»
F1–21 Предохранитель 21, резерв
F1–22 Предохранитель 22, контакт «15R»
F1–23 Предохранитель 23, контакт «15R»
F1–24 Предохранитель 24, контакт «15R»
F1–25 Предохранитель 25, контакт «30»
F1–26 Предохранитель 26, резерв
F1–3 Предохранитель 3, контакт «15R»
F1–4 Предохранитель 4, контакт «30»
F1–5 Предохранитель 5, контакт «30»
F1–6 Предохранитель 6, контакт «30»
F1–7 Предохранитель 7, контакт «15»
F1–8 Предохранитель 8, контакт «15Х»
F1–9 Предохранитель 9, контакт «30»
F4 Розетка предохранителей, задняя
F4–1 Предохранитель 1, контакт «30»
F4–10 Предохранитель 10, контакт «30»
F4–11 Предохранитель 11, контакт «30»
F4–12 Предохранитель 12, контакт «30»
F4–13 Предохранитель 13, контакт «30»
F4–14 Предохранитель 14, контакт «30»
F4–15 Предохранитель 15, контакт «30»
F4–16 Предохранитель 16, контакт «30»
F4–17 Предохранитель 17, контакт «30»
F4–18 Предохранитель 18, контакт «30»
F4–19 Предохранитель перегрузки 19, контакт «30»
F4–2 Предохранитель 2, контакт 30
F4–20 Предохранитель перегрузки 20, резерв
F4–3 Предохранитель 3, контакт «30»
F4–4 Предохранитель 4, контакт «30»
F4–5 Предохранитель 5, контакт «30»
F4–6 Предохранитель 6, контакт «30»
F4–7 Предохранитель 7, контакт «30»
F4–8 Предохранитель 8, контакт «30»
F4–9 Предохранитель 9, контакт «30»
G1 Аккумуляторная батарея
G2 Генератор
G3/1 Лямбда-зонд
G3/1x1 Контактный разъем лямбда-зонда
H2 Звуковой сигнал
K26/2 Реле переключения насоса омывателя
K40 Модуль реле
K40/6 Предохранитель звукового сигнала
K40f1 Предохранитель ETS/ASR/ESP
K40f5 Предохранитель топливного насоса
K40f6 Предохранитель звукового сигнала
K40k1 Реле топливного насоса
K40k2 Реле двигателя, контакт «87», без предохранителя
K40k3 Реле EFP
K40k4 Реле звукового сигнала
K40k5 Реле электронной системы трэкшн-контроля (ETS)/ASR
K40k6 Реле воздушного насоса
K40k7 Реле двигателя, контакт «87», HFM
K40k8 Реле системы EDC
K52 Реле выключения задних противотуманных фонарей
K54 Реле закрытия
L11 Катушка транспондера
L5 Датчик положения коленчатого вала
L5/6 Датчик положения коленчатого вала ERE/EVE
L5/6x1 Контактный разъем датчика положения коленчатого вала ERE/EVE
L6/1 Датчик частоты вращения, передний левый
L6/2 Датчик частоты вращения, передний правый
L6/3 Датчик частоты вращения, задний левый
L6/3x1 Контактный разъем датчика частоты вращения, задний левый
L6/4 Датчик частоты вращения, задний правый
L9 Датчик движения иглы
L9x1 Контактный разъем датчика движения иглы
M1 Стартер
M12/1 Люк в крыше
M12/1k1 Реле 1 люка
M12/1k2 Реле 2 люка
M12/1m1 Электродвигатель люка
M12/1s1 Оконечный микровыключатель «открытие»
M12/1s2 Оконечный микровыключатель «вверх»
M12/1s3 Оконечный микровыключатель «вниз»
M12/1s4 Оконечный микровыключатель «закрытие»
M13 Насос циркуляции
M15 Насос ASR/ESP
M16/1 Управляющее устройство электронного акселератора (EFP)/круиз-контроля (TMP)/регулировки частоты вращения холостого хода (LLR)
M16/1k1 Электромагнитная муфта
M16/1m1 Электродвигатель регулировки
M16/1r1 Потенциометр фактического значения
M16/1r2 Потенциометр фактического значения
M16/1s1 Включатель добавочного контакта
M16/1s2 Включатель добавочного контакта холостого хода
M16/1x1 Контактный разъем управляющего устройства электронного акселератора (EFP)/круиз-контроля (TMP)/регулировки частоты вращения холостого хода (LLR)
M16/2 Управляющее устройство круиз-контроля (TMP)/регулировки частоты вращения холостого хода (LLR)
M16/2k1 Электромагнитная муфта
M16/2m1 Электромотор регулировки
M16/2r1 Потенциометр фактического значения дроссельной заслонки
M16/2r2 Потенциометр фактического значения привода
M16/2s1 Включатель добавочного контакта
M16/2s2 Включатель определения холостого хода
M16/2x1 Контактный разъем управляющего устройства круиз-контроля (TMP)/регулировки частоты вращения холостого хода (LLR)
M16/6 Управляющее устройство регулировки частоты вращения холостого хода (LLR)
M16/6m1 Электродвигатель регулировки
M16/6r1 Потенциометр фактического положения дроссельной заслонки
M16/6r2 Потенциометр фактического значения привода
M21/4 Внешнее зеркало заднего вида, левое, с электрической регулировкой, обогревом, памятью
M21/5 Внешнее зеркало заднего вида, правое, с электрической регулировкой, обогревом, памятью
M3 Топливный насос
M33 Воздушный насос
M5/1 Насос омывателя
M6/1 Электродвигатель стеклоочистителя
M6/4 Электродвигатель стеклоочистителя задней двери
N10–1 Многофункциональный блок управления
N14/2 Окончательная ступень накаливания
N15/3 Контроллер EGS
N18 Блок управления и регулировки системой отопления (HAU)
N19 Блок управления и регулировки кондиционера
N2/2 Контроллер натяжителей ремней (GUS) и подушки безопасности (AB)
N22 Блок управления и регулировки климат-контроля (KLA)
N3/10 Контроллер электроники двигателя (МЕ)
N3/4 Контроллер системы впрыска (HFM)
N3/7 Контроллер ERE
N3/8 Контроллер EVE
N32/1 Блок управления регулировками переднего левого сиденья, с памятью
N32/2 Блок управления регулировками переднего правого сиденья, с памятью
N4/3 Блок управления круиз-контроля (TMP)/регулировки частоты вращения холостого хода (LLR)
N47–1 Контроллер ASR/PML
N47–2 Контроллер ETS/PML
N47–5 Контроллер ESP/PML
N49 Датчик положения рулевого колеса
N51 Блок управления ADS
N54 Блок управления инфракрасным ДУ (IFZ)
N54/1 Блок управления инфракрасной системой допуска противоугонной системы
N62 Блок управления системой Parktronic (PTS)
N64 Датчик скорости вращения ESP
N65 Тактовый модуль (ETS, SRA, EDW, KLA)
N65k2 Реле иммобилайзера
N65k4 Реле ТНВД/насоса обратной подачи
N7–1 Модуль освещения
N71 Блок управления корректором фар
N76 Блок управления дополнительным вентилятором/приточным электровентилятором
R25/2 Датчик установленного значения ERE/EVE
R25/2r1 Потенциометр датчика предустановленного значения
R25/2s1 Контактный выключатель холостого хода
R3 Прикуриватель с освещением пепельницы, впереди
R3e1 Освещение
R3r1 Нагревательный элемент
R3x1 Контактный разъем прикуривателя
R9 Свечи накаливания
S10/1 Контактный датчик износа накладок тормозных колодок, передний левый
S10/2 Контактный датчик износа накладок тормозных колодок, передний правый
S10/4 Контактный датчик износа накладок тормозных колодок, задний правый
S11 Включатель контрольной лампы уровня тормозной жидкости
S12 Включатель контрольной лампы стояночного тормоза
S13/2 Включатель электропривода люка (SHD)
S15 Включатель дистанционного открытия багажника
S16/1 Включатель иммобилайзера и фонаря заднего хода
S16/10 Включатель определения передачи
S16/10s1 Включатель фонаря заднего хода
S16/6 Включатель kick-down
S17/3 Контактный выключатель двери, передний левый
S17/4 Контактный выключатель двери, передний правый
S17/5 Контактный выключатель двери, задний левый
S17/6 Контактный выключатель двери, задний правый
S17/8 Включатель освещения багажника
S2 Включатель пуска
S26/1 Термовключатель обогрева стеклоочистителя
S29/3 Контактный включатель холостого хода
S35 Включатель резонансного впускного газопровода
S35/1 Включатель резонансного впускного трубопровода
S4 Комбинированный включатель
S4/2 Включатель звукового сигнала
S4/2x1 Контактный разъем звукового сигнала
S40 Кнопка включения круиз-контроля
S40/3 Включатель педали сцепления
S40s2 Задержка/фиксация
S40s3 Ускорение/фиксация
S40s4 Выключение
S40s5 Контакт контроля
S40s1 Вызов из памяти
S40x1 Контактный разъем кнопки включения круиз-контроля (TMP)
S41 Выключатель контрольной лампы уровня охлаждающей жидкости
S42 Выключатель контрольной лампы уровня жидкости в бачке стеклоомывателя
S43 Выключатель контрольной лампы уровня масла
S45/1 Выключатель режимов «комфорт»/«спорт» системы ADS
S4s3 Выключатель ближнего света
S4s4 Выключатель стеклоочистителя с задержкой
S4s5 Выключатель стеклоочистителя
S4x1 Контактный разъем комбинированного включателя
S6/1 Группа включателей места водителя
S6/1s2 Выключатель центральной блокировки изнутри
S6/1s3 Выключатель задних подголовников
S68/9 Выключатель замка ремня безопасности/системы комфорта ремня сиденья впереди слева
S68/9x1 Контактный разъем выключателя замка ремня безопасности/системы комфорта ремня сиденья впереди слева
S76/5 Выключатель ASR OFF
S76/6 Выключатель ESP OFF
S77/2 Выключатель контрольной лампы уровня рабочей жидкости в гидроприводе
S86/1 Выключатель передний левый (комфорт)
S86/1s1 Выключатель передний левый (комфорт), без предохранителя
S86/1s2 Выключатель передний левый (комфорт), с предохранителем
S87/1 Выключатель передний правый (комфорт)
S87/1s1 Выключатель передний правый (комфорт), без предохранителя
S87/1s2 Выключатель передний правый (комфорт), с предохранителем
S88/2 Выключатель крышки багажника (комфорт)
S88/2s1 Выключатель крышки багажника (комфорт), без предохранителя
S88/2s2 Выключатель крышки багажника (комфорт), с предохранителем
S9/1 Выключатель сигнала торможения
S95 Выключатель системы Parktronic (PTS)
T1/1 Двухискровая катушка зажигания 1, цилиндры 1 и 4 (HFM/PMS)
T1/2 Двухискровая катушка зажигания 2, цилиндры 2 и 3 (HFM/PMS)
T1/3 Двухискровая катушка зажигания 3, цилиндры 1 и 6 (HFM/PMS)
U1 Действительно для США
U12 Действительно для автомобиля с левым расположением руля
U13 Действительно для автомобиля с правым расположением руля
U18 Действительно для комбинации приборов без шины CAN
U2 Действительно для всех (кроме США)
U23 Действительно для системы впрыска (МЕ 1.0)
U24 Действительно для MG
U25 Действительно для AG
U26 Действительно для двигателя 104
U29 Действительно для KLA
U3 Действительно для ETS
U4 Действительно для TMP
U50 Действительно для USA, J, CH, N, DK, FIN
U502 Действительно для сцепного устройства — дополнительная установка
U503 Действительно для такси
U505 Действительно для EFP, TMP, LLR
U506 Действительно для ADS
U507 Действительно для ESP
U512 Действительно для системы регулировки клиренса
U517 Действительно для всех двигателей (кроме 604)
U52 Действительно для Японии
U526 Действительно для APS
U527 Действительно для EGS
U54 Действительно для ксеноновых фар и корректора фар
U55 Действительно для двигателя 604
U56 Действительно для версии с боковыми подушками безопасности
U57 Действительно для T-модели
U58 Действительно для седана и удлиненной версии седана
U60 Недействительно для системы комфорта ремней безопасности
U61 Действительно для задних левых противотуманных огней
U64 Действительно для задних правых противотуманных огней
U67 Действительно для включателя замка, автомобиль с левым рулем
U68 Действительно для включателя замка, автомобиль с правым рулем
U69 Недействительно для регулировки сидений и рулевой колонки
U70 Действительно для регулировки сидений и рулевой колонки
U77 Действительно для PML
U8 Действительно для ASR
U85 Действительно для ETS/AG
U86 Действительно для ADS/ESP
U87 Действительно для кондиционера
U88 Действительно для версии с датчиком дождя
U9 Действительно для ETS/MG
U91 Действительно для системы впрыска (МЕ 2.0)
U95 Действительно для HFM
U96 Действительно для EVE
U97 Действительно для ERE
W1 Главный контакт «массы» (сзади комбинации приборов)
W10 Контакт «массы» батареи
W11 Контакт «массы» двигателя
W15/1 Контакт «массы» в пространстве для ног справа
W15/2 Контакт «массы» в пространстве для ног слева
W16/3 Контакт «массы» колеса слева
W16/4 Контакт «массы» колеса справа
W16/5 Контакт «массы» в моторном отсеке слева
W16/6 Контакт «массы» в моторном отсеке справа
W18 Контакт «массы» поперечной балки, переднего левого сиденья
W19 Контакт «массы» поперечной балки, переднего правого сиденья
W26 Контакт «массы» контроллера натяжителей ремней безопасности (GUS)/ подушки безопасности (AB)
W29/8 Контакт «массы» задней левой стойки (Т)
W6/1 Контакт «массы» в багажнике заднего левого фонаря
X11/22 Проверочное соединение для диагностики II
X11/4 Проверочное соединение для диагностики
X12/3 Соединение проводов, контакт «30»
X12/5 Соединение проводов, контакт «15/158» (несущее основание кузова)
X18 Контактный разъем водительское место/несущее основание кузова
X21/1 Соединение проводов включателя сигнала торможения
X22 Контактный разъем — моторный отсек/двигатель
X22/1 Контактный разъем — моторный отсек/двигатель, AG
X22/2 Контактный разъем — моторный отсек/двигатель, контакт «50»
X22/3 Контактный разъем — моторный отсек/двигатель, установочное устройство
X22/4 Контактный разъем — механическая КП/двигатель, 4-контактное
X25 Контактный разъем — моторный отсек/несущее основание кузова (диагностика)
X25/2 Контактный разъем — моторный отсек/несущее основание кузова, TMP
X25/3 Контактный разъем — моторный отсек/несущее основание кузова, EFP
X25/7 Контактный разъем — моторный отсек/несущее основание кузова
X26 Контактный разъем — водительское место/моторный отсек
X26/1 Контактный разъем — система трэкш- контроля (контакт «61е») водительское место/несущее основание кузова
X26/2 Контактный разъем — водительское место/моторный отсек (контакт «61е»)
X26/27 Контактный разъем — система Parktronic, несущее основание кузова/передний бампер
X35/1 Контактный разъем — передняя левая дверь/несущее основание кузова
X35/2 Контактный разъем — передняя правая дверь/несущее основание кузова
X35/27 Контактный разъем — система Parktronic, сигнальный указатель несущего основания кузова/водительское место
X35/28 Контактный разъем — система Parktronic, несущее основание кузова/задний бампер
X35/3 Контактный разъем — задняя левая дверь/несущее основание кузова
X35/34 Контактный разъем — несущее основание кузова/водительское место, подача напряжения на заднюю розетку предохранителей
X35/4 Контактный разъем — задняя правая дверь/несущее основание кузова
X4 Соединение проводов, контакт «30», пространство для ног слева
X58 Контактный разъем прицепного устройства, 13-контактный
X58/4 Контактный разъем багажного пространства
X58S1 Микровыключатель определения прицепного устройства
X62/1 Контактный разъем — датчик частоты вращения/указатель износа тормозных колодок сзади слева
X62/19 Соединение проводов сигнала частоты вращения ASR/электронная система ETS впереди слева
X62/2 Контактный разъем — датчик частоты вращения/указатель износа тормозных колодок сзади справа
X62/21 Соединение проводов сигнала частоты вращения ASR/электронная система ETS сзади слева
X62/6 Контактный разъем — передний мост-распределитель справа (моторный отсек)
X62/7 Контактный разъем — передний мост-распределитель слева (моторный отсек)
X63/5 Контактный разъем — шины СAN, 2-контактный
X85/1 Контактный разъем — проводки кондиционера/проводки двигателя
X88/1 Промежуточный контактный разъем насоса охлаждающей жидкости
Y1/1 Электрогидравлический выключатель
Y1/1b1 Датчик температуры топлива
Y1/1y1 Установочное устройство
Y10 P-клапан системы PML
Y13 Клапан, приточный воздух/рециркуляция
Y21 Двойной клапан
Y21y1 Клапан охлаждающей жидкости, левая сторона
Y21y2 Клапан охлаждающей жидкости, правая сторона
Y22/6 Переключающий клапан резонансного впускного трубопровода
Y22/7 Переключающий клапан резонансного впускного трубопровода
Y23/1 Рядный ТНВД
Y23/111 Датчик хода рейки ТНВД
Y23/112 Фактическое положение регулирующей заслонки
Y23/1x1 Контактный разъем устройства подачи системы впрыска ERE
Y23/2 Распределительный ТНВД
Y23/212 Датчик положения вала распределителя
Y23/2r1 Выравнивающее сопротивление
Y23/2r2 Выравнивающее сопротивление
Y23/2x1 Контактный разъем распределительного ТНВД (EVE)
Y23/2y1 Клапан отключения
Y23/2y2 Клапан обратной подачи
Y23/2y3 Клапан переключения
Y23/2y4 Впускной клапан
Y23/3 Распределительный ТНВД
Y23/311 Датчик хода регулирующей заслонки
Y23/312 Фактическое положение регулирующей заслонки
Y23/3b1 Датчик температуры топлива
Y23/3x1 Фактическое положение регулирующей заслонки
Y23/3y1 Устройство подачи топлива
Y27 Клапан переключения ARF
Y3/6 Электрическое устройство управления
Y3/6b1 Датчик температуры
Y3/6n2 Датчик частоты вращения 2
Y3/6n3 Датчик частоты вращения 3
Y3/6s1 Контакт блокировки стартера
Y3/6y1 Регулирующий магнитный клапан, давление модуляции
Y3/6y2 Регулирующий магнитный клапан, давление переключения
Y3/6y3 Магнитный клапан 1–2 и 4–5
Y3/6y4 Магнитный клапан 3–4
Y3/6y5 Магнитный клапан 2–3
Y3/6y6 Импульсный магнитный клапан модуляции
Y31/1 Преобразователь давления ARF
Y31/2 Преобразователь давления регулирующей заслонки
Y31/4 Преобразователь давления ARF/регулирующая заслонка
Y49 Управляющий электромагнит распределительного вала
Y51y2 Магнитный клапан 2 переднего моста
Y51 Клапан демпфера, передний мост слева
Y51y1 Магнитный клапан 1 переднего моста
Y52 Клапан демпфера, передний мост справа
Y52y1 Магнитный клапан 1 переднего моста
Y52y2 Магнитный клапан 2 переднего моста
Y53 Клапан демпфера, задний мост слева
Y53y1 Магнитный клапан 1 переднего моста
Y53y2 Магнитный клапан 2 переднего моста
Y54 Клапан демпфера, задний мост справа
Y54y1 Магнитный клапан 1 переднего моста
Y54y2 Магнитный клапан 2 переднего моста
Y58/1 Переключающий клапан восстановления
Y62 Клапаны впрыска топлива
Y62y1 Клапан, 1-й цилиндр
Y62y2 Клапан, 2-й цилиндр
Y62y3 Клапан, 3-й цилиндр
Y62y4 Клапан, 4-й цилиндр
Y62y5 Клапан, 5-й цилиндр
Y62y6 Клапан, 6-й цилиндр
Y65/3 Клапан центральной блокировки дистанционного открытия крышки багажника
Y66/1 Блокировка задней передачи/режима парковки
Y6OX1 Контактный разъем магнитного клапана муфты опережения впрыскивания
Z13 Вывод «5»
Z14 Вывод «6»
Z20 Экран в изоляции
Z21/10 Вывод контакта двери (подключение «массы»), соединение пайкой в проводке
Z21/11 Вывод контрольной лампы дистанционного открывания багажника
Z21/3 Вывод контакта двери сзади (подключение «массы»), подача напряжения с контактного включателя в двери сзади слева (S17/5) и сзади справа (S17/6)
Z21/5 Вывод включателя 1 крышки багажника, EDW/ZV
Z21/6 Вывод включателя 2 крышки багажника, EDW/ZV
Z29/1 Вывод «58L»
Z3 Вывод «15», без предохранителя
Z3/11 Вывод «15», подача напряжения с предохранителя F1–7
Z3/26 Вывод «15», без предохранителя
Z3/28 Вывод «15», сигнал торможения
Z3/29 Вывод «15», с предохранителем
Z30/1 Вывод указателя поворота левого, водительское место
Z30/2 Вывод указателя поворота правого, водительское место
Z30/3 Вывод указателя поворота левого, несущее основание кузова
Z30/4 Вывод указателя поворота правого, несущее основание кузова
Z36/1 Вывод «массы», система PTS, задние датчики
Z36/2 Вывод подачи напряжения, система PTS, задние датчики
Z36/3 Вывод «массы», система PTS, передние датчики
Z36/4 Вывод подачи напряжения, система PTS, передние датчики
Z37 Вывод шины CAN в салоне/несущее основание кузова (low)
Z37/1 Вывод шины CAN в салоне/несущее основание кузова (high)
Z37/13 Вывод шины CAN, двигатель/водительское место (low)
Z37/14 Вывод шины CAN, двигатель/водительское место (high)
Z37/2 Вывод шины CAN, двигатель (low)
Z37/3 Вывод шины CAN, двигатель (high)
Z38 Вывод сигнала заднего хода
Z40 Вывод сигнала торможения
Z41 Вывод выключения круиз-контроля
Z42 Вывод определения прицепного устройства, PTS
Z6 Вывод «массы»
Z6/20 Вывод «массы», задняя дверь
Z6/8 Вывод «массы» датчика
Z7 Вывод «30»
Z7/1 Вывод «30», водительское место
Z7/24 Вывод «87»
Z7/25 Вывод «87», без предохранителя (Motronic/модуль реле)
Z7/29 Вывод «87», без предохранителя, подача напряжения через реле защиты от перегрузки (К1)
Z7/33 Вывод «30», люк
Z7/5 Вывод «87»
Z81 Вывод «58d»
Z81/4 Вывод «87d», несущее основание кузова
Z83/6 Вывод, экран, подача напряжения от EZL
Z84/3 Вывод управляющего устройства, система EFP слева (сигнал «+»)
Z84/4 Вывод управляющего устройства, система EFP слева (сигнал «–«)
Z89 Вывод датчика частоты вращения, передний мост, справа, подача напряжения от контроллера ABS (N30), ASR (N30/1)/(N47–1), ETS (N47–2)
Z92 Вывод TNA — сигнал А
Z99/1 Вывод «87», ASR/ETS
Z99/2 Вывод «87», EFP
Z99/3 Вывод «87», несущее основание кузова
Z99/4 Вывод датчика угла поворота рулевого колеса
РЕМОНТ АВТОЭЛЕКТРОНИКИ ЗАРЯДНЫЕ УСТРОЙСТВА ДЛЯ АКБ

|