Сборник схем электрооборудования Форд Скорпио. Все схемы в хорошем качестве. Показаны основные модули - аккумуляторная батарея; топливный насос; реле питания; выключатель зажигания и другие. Увеличить размер электросхемы нужного узла можно кликнув на картинку. Материал предназначен для самостоятельного ремонта и текущего обслуживания автомобиля Форд. Начало сборника схем Ford Scorpio смотрите тут.
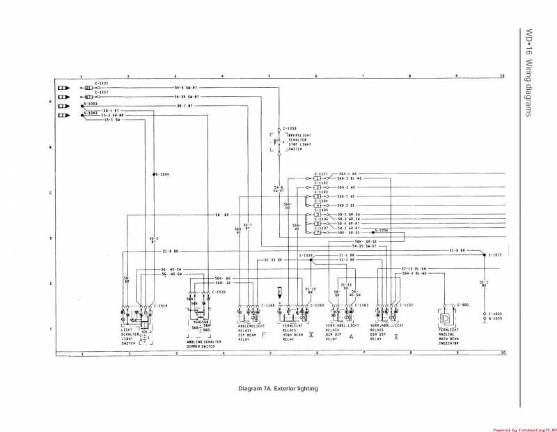
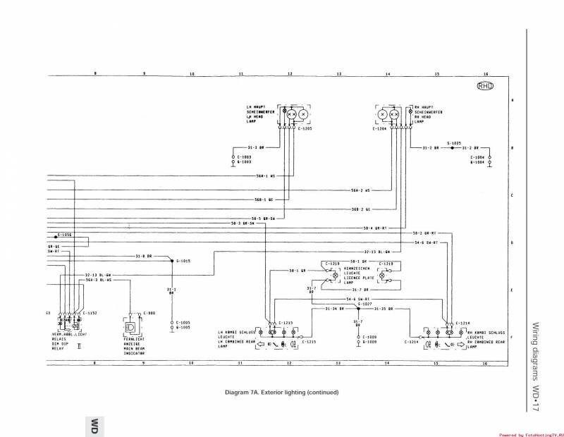
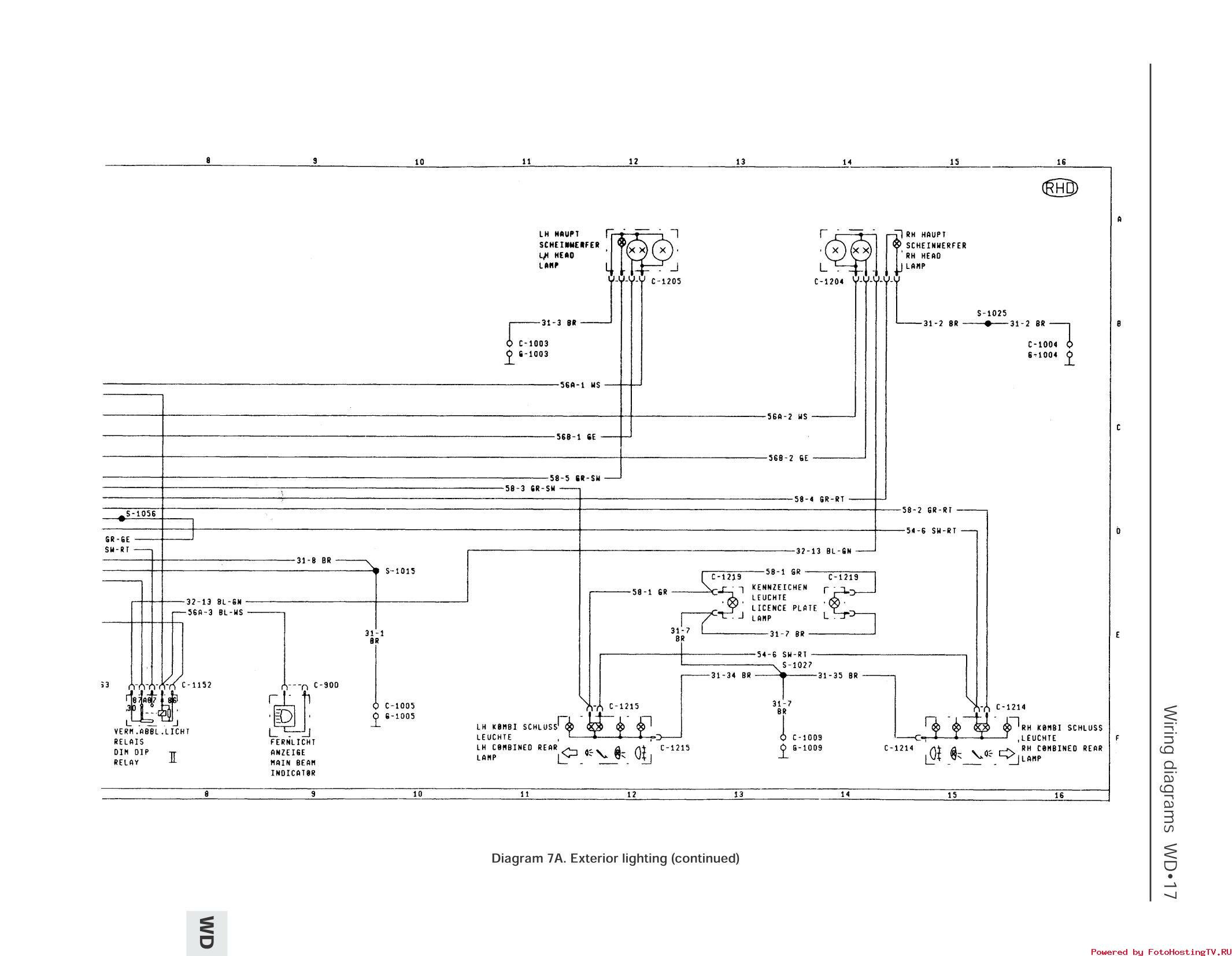
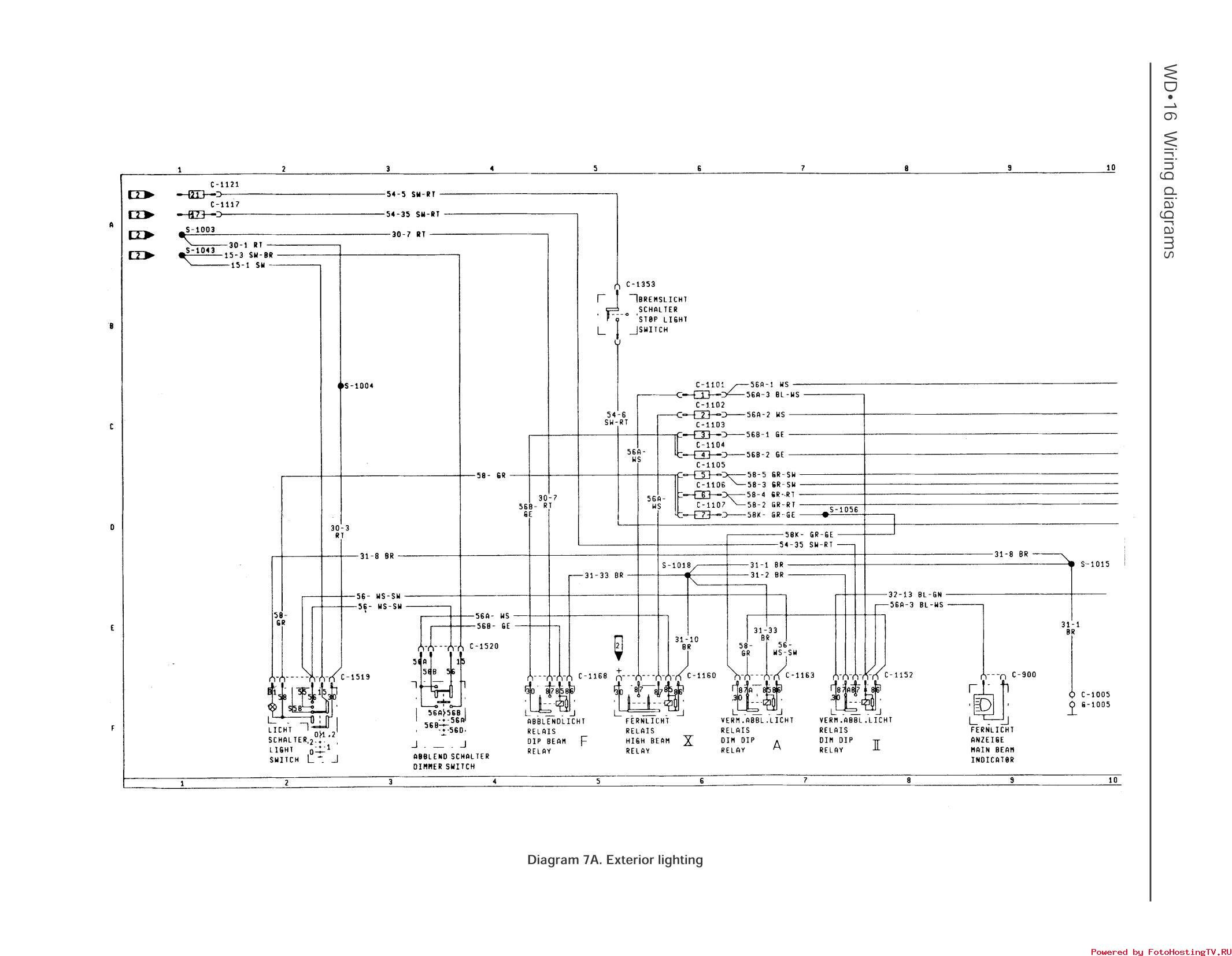
Схема внешнего освещения автомобиля Форд Скорпио


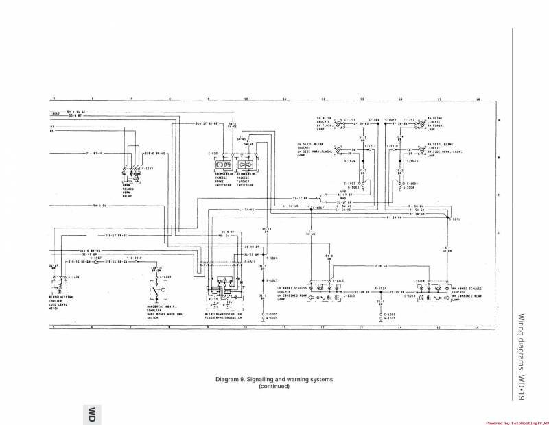
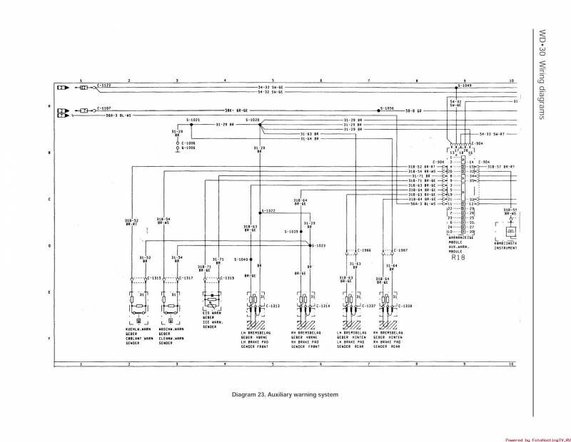
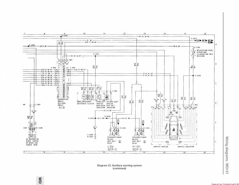
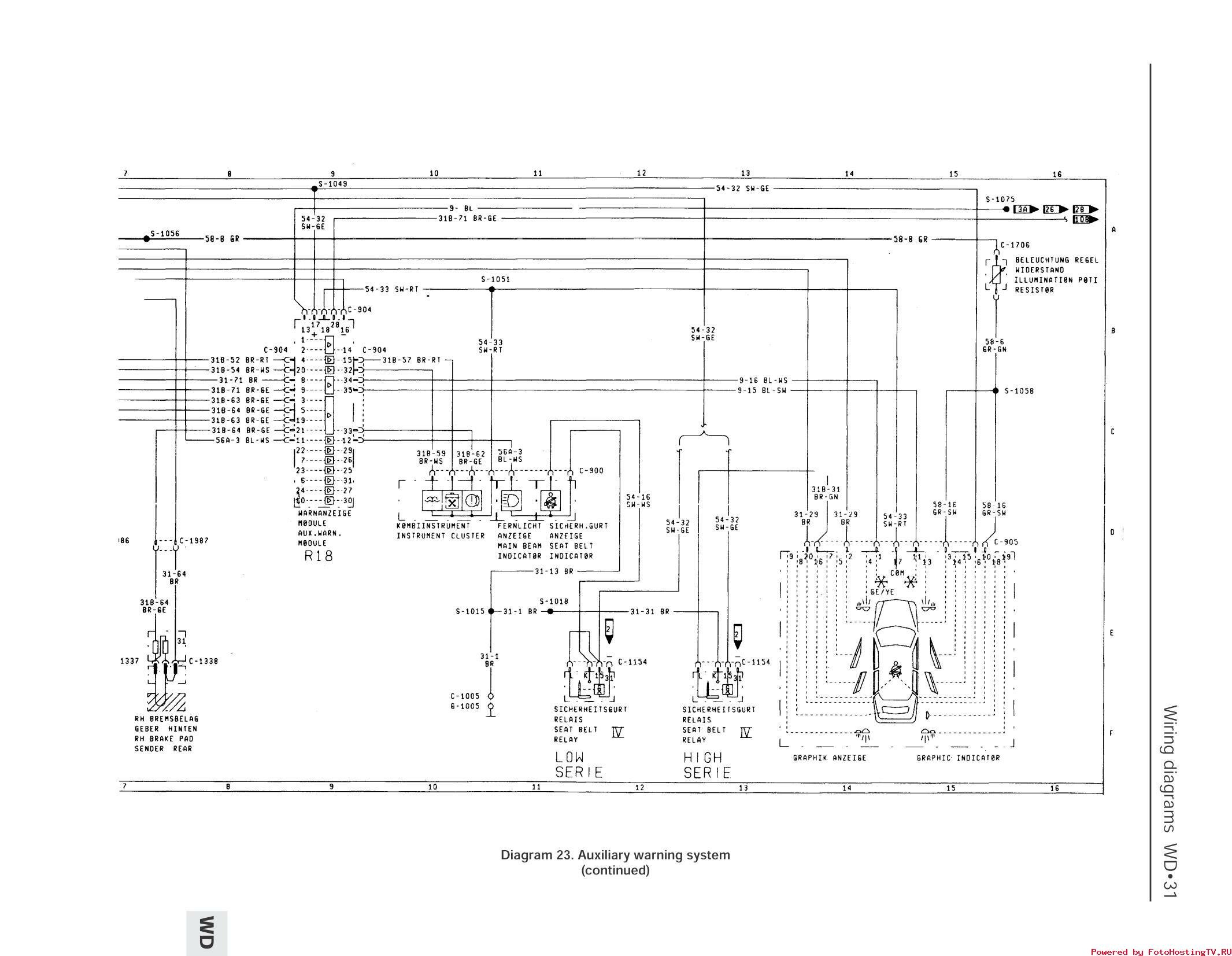
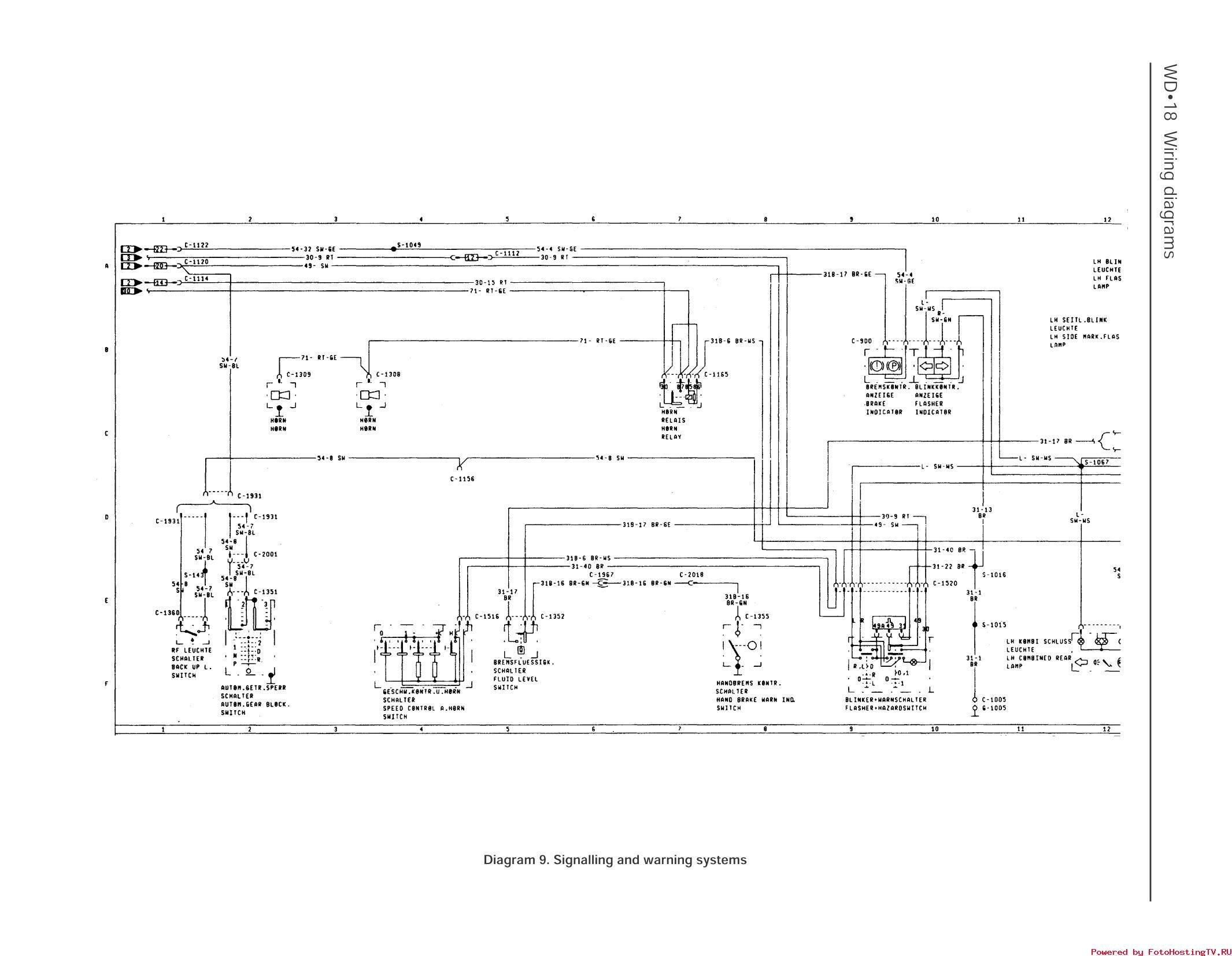
Электросхемы сигнализации и предупреждения


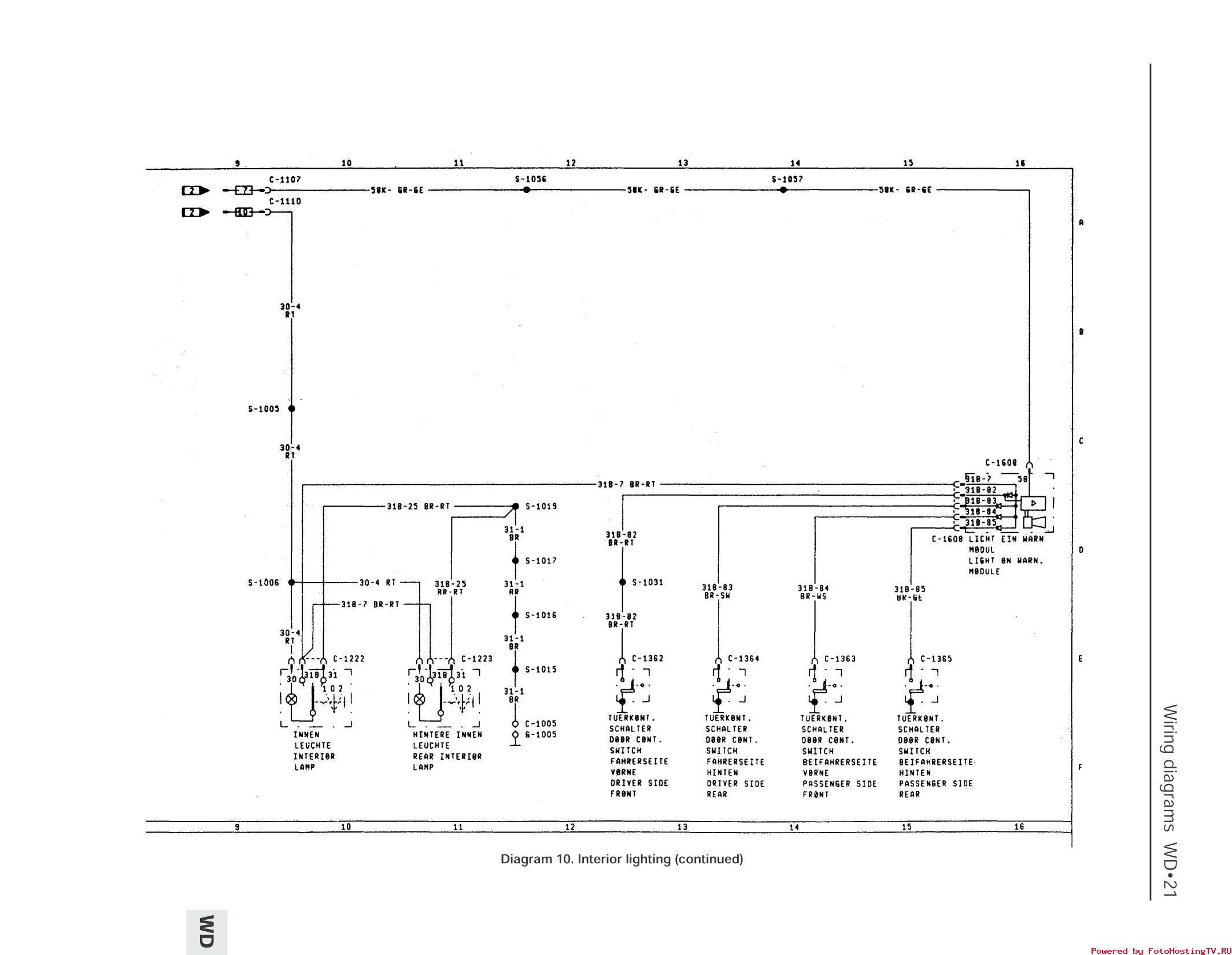
Внутреннее освещение салона Форд Скорпио


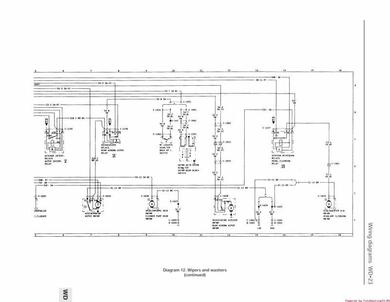
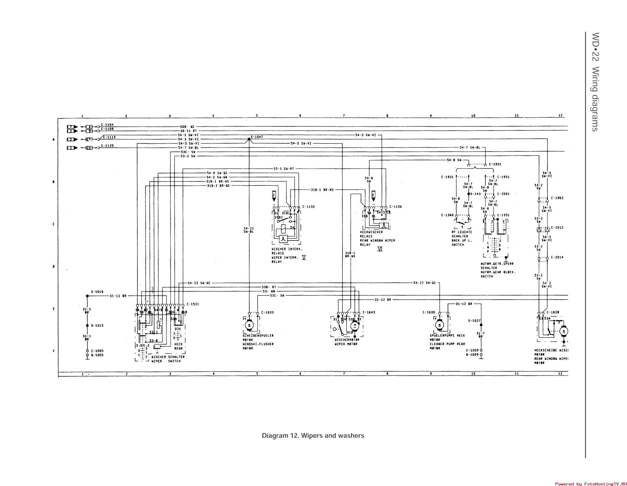
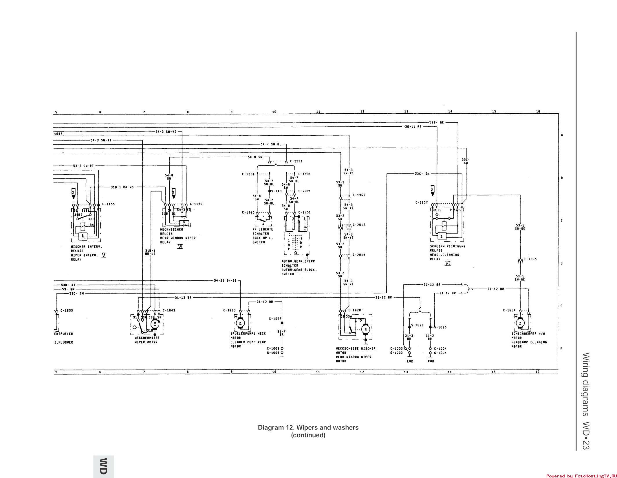
Схемы очистителей и омывателей стёкол


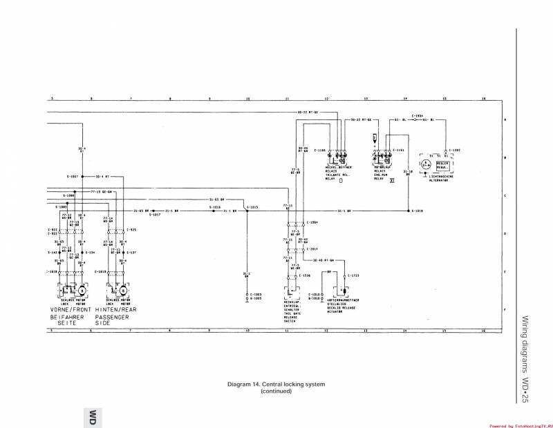
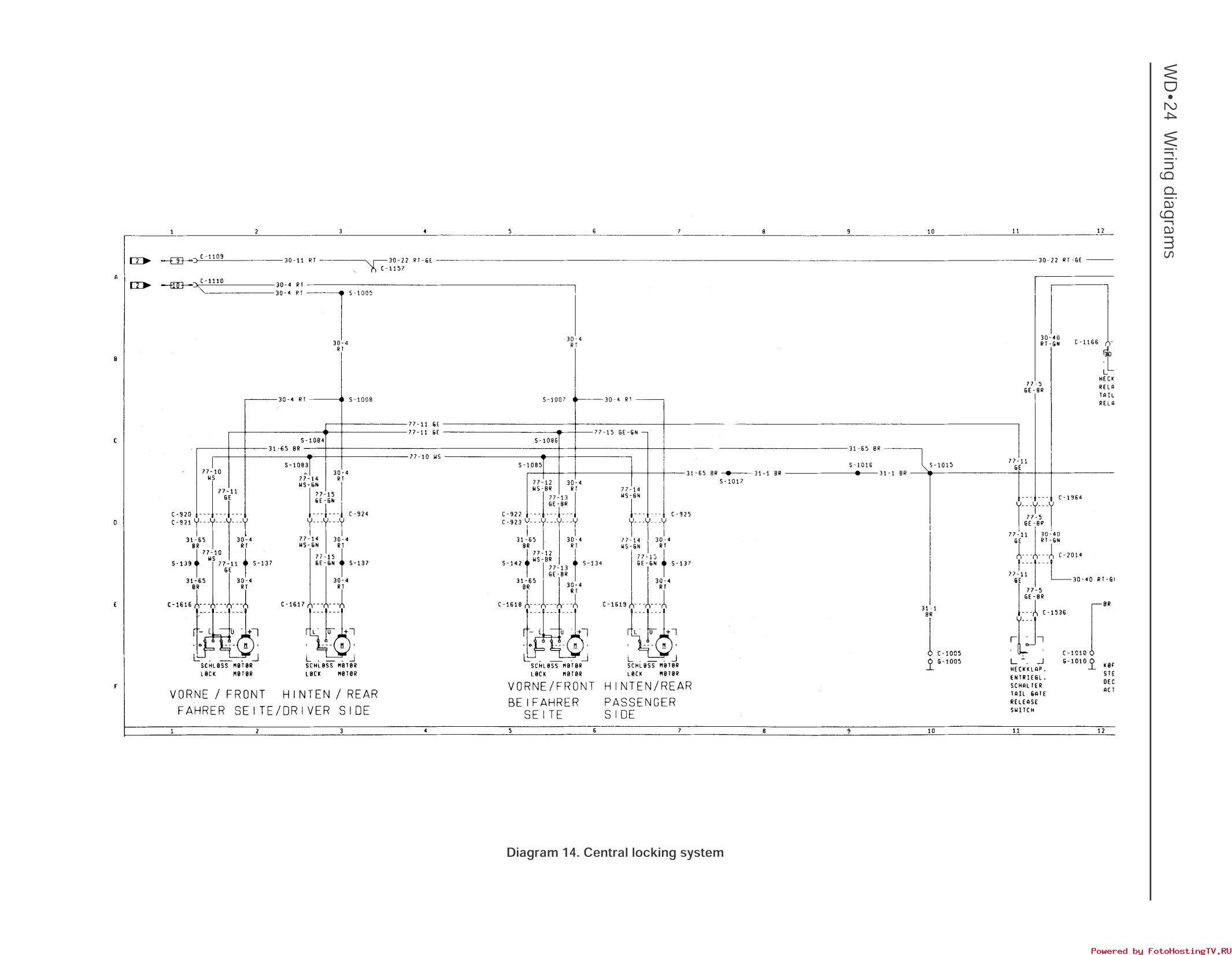
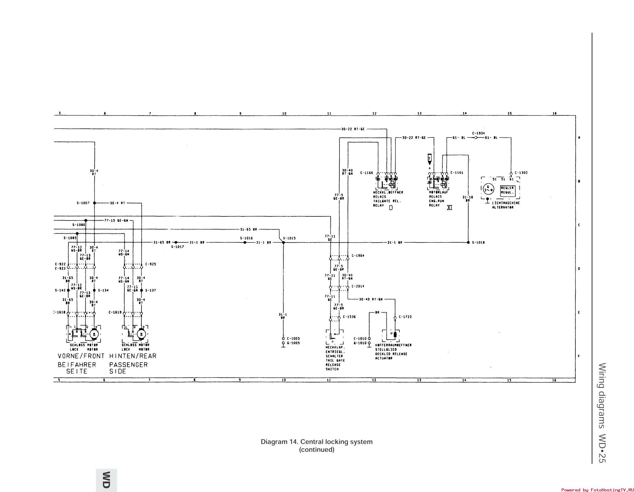
Схема центрального замка авто


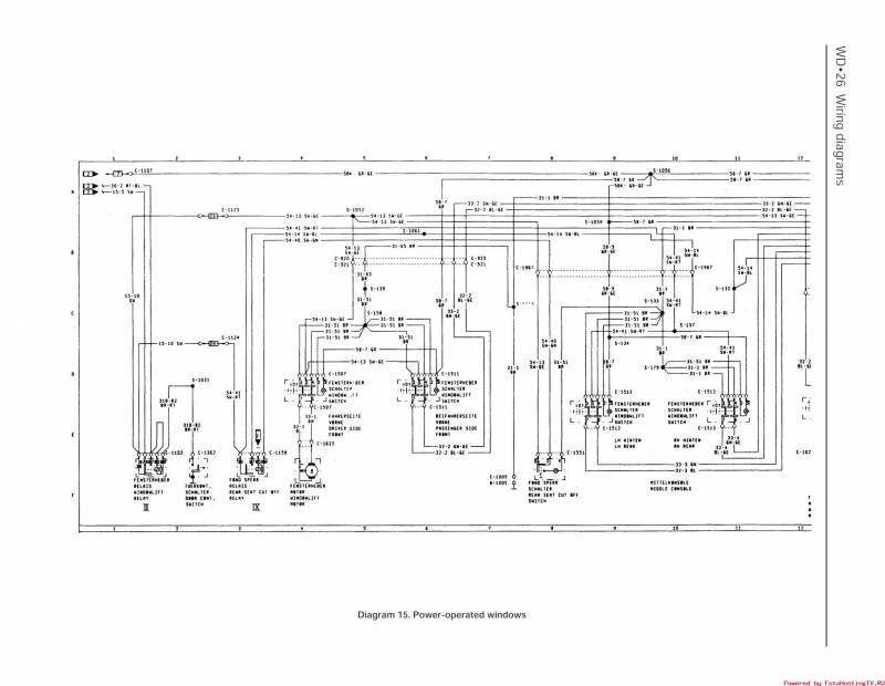
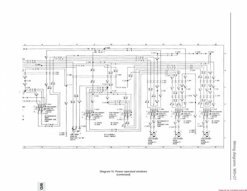
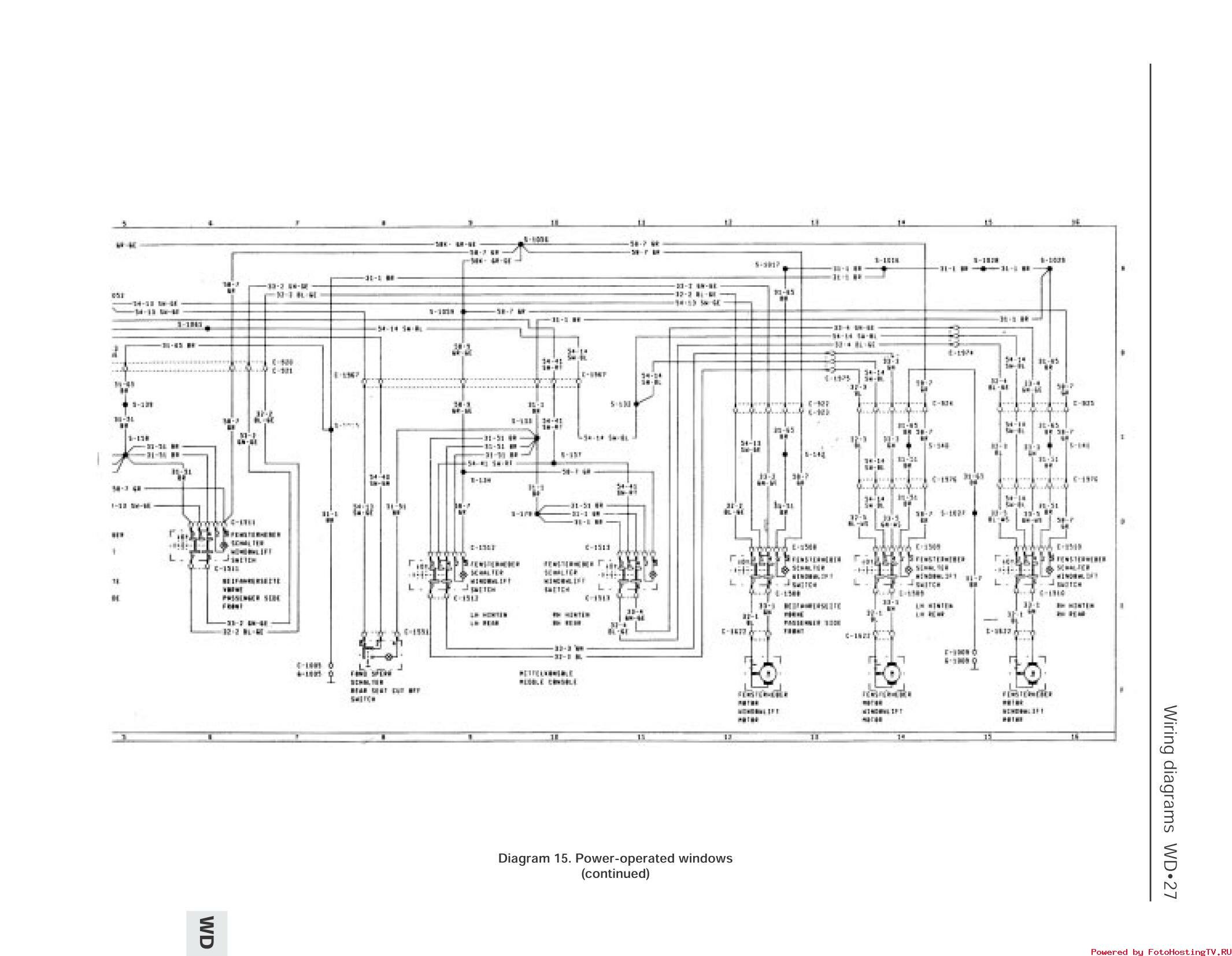
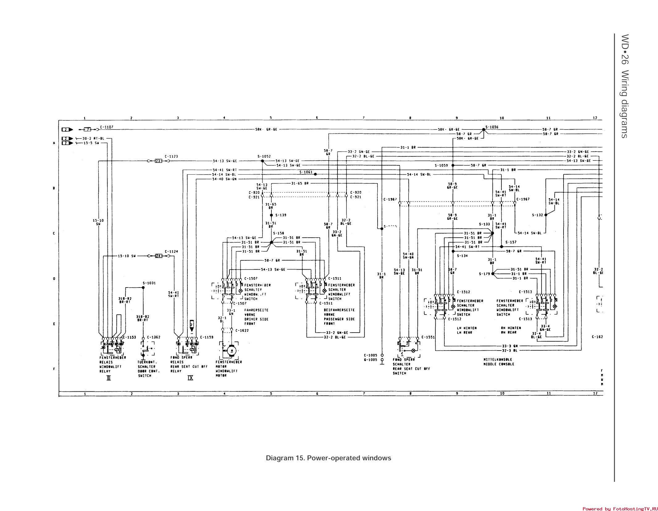
Электросхема управления стеклоподъёмниками Форд


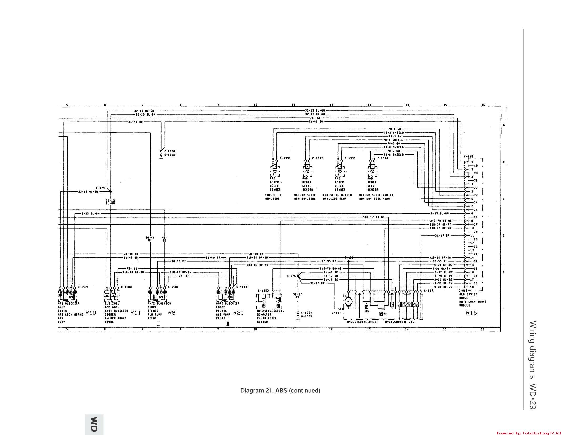
Схема системы ABS

Предупреждающие сигналы и индикаторы Форд Скорпио

Схема автомагнитолы автомобиля


РЕМОНТ АВТОЭЛЕКТРОНИКИ ЗАРЯДНЫЕ УСТРОЙСТВА ДЛЯ АКБ

|