|
Датчик положения распредвала часто называют датчиком фаз (датчиком Холла), а впрыск в этом случае называют фазированным распределённым. Датчик расположен на головке блока цилиндров. На шкиве впускного распределительного вала находится задающий диск с прорезью. Прохождение прорези возле датчика соответствует моменту открытия впускного клапана первого цилиндра. Таким образом, датчик фаз выдает на контроллер импульсный сигнал, синхронизирующий впрыск топлива с открытием впускных клапанов, то есть поочерёдно открывается только одна форсунка для конкретного цилиндра. Принцип действия датчика основан на эффекте Холла. Его назначение в том, чтобы помочь модулю управления определить - какая фаза имеется в первом цилиндре: заканчивается, скажем такт сжатия или заканчивается такт выпуска отработавших газов. Ведь поршень первого цилиндра проводит все такты за два оборота коленвала. И только распредвал имеет такую возможность – его положение как раз и определяет, какой клапан открыт, какая фаза газораспределения. Иными словами, датчик положения распредвала предназначается для того, чтобы определять угловое положение механизма газораспределения, в соответствие с положением коленвала. Затем информация с датчика поступает в систему управления двигателя для управления впрыском топлива и зажиганием.

Проверка ДПРВ
Чтобы проверить датчик положения распредвала, на него необходимо подать питание. Для этого потребуется собрать отдельную электрическую схему, что неудобно. Можно использовать другой известный способ. Его суть в следующем. Поскольку ДПРВ обеспечивает фазированный впрыск топлива, то для одного какого-либо конкретного цилиндра такт впуска будет происходить один раз за два оборота коленвала. Допустим, обороты холостого хода составляют 720 об/мин или 720:60=12 об/сек. Значит, впрыск топлива будет происходить с частотой 12:2=6 Гц. С такой частотой будут поступать импульсы на форсунку.

Отказ датчика положения распредвала приведёт к тому, что контроллер будет руководствоваться сигналами только ДПКВ, то есть производить впрыск топлива одновременно в форсунки двух цилиндров (в одном поршень будет находиться возле верхней мертвой точки, а в другом-возле нижней). Такой режим топливоподачи называется попарно-параллельным (используется в двигателях ВАЗ-2111, где датчика фаз нет). Следовательно, за один оборот коленчатого вала форсунка будет открываться дважды, то есть с частотой не 6, а 12 Гц.

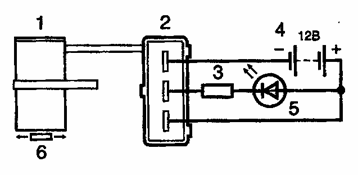
Разобравшись с теорией, приступаем к практической проверке. Прогреваем двигатель до устойчивых оборотов холостого хода. Снимаем с одной форсунки разъём жгута и подсоединяем к его контактам маломощную лампочку 12 В, 5 Вт. Допустимо заменить её на светодиод с резистором, как указано на схеме выше. Запускаем двигатель и наблюдаем за частотой моргания лампочки. Затем снимаем разъём с ДПРВ и сравниваем частоту с той, что была перед этим. Если она увеличилась в два раза, то датчик исправен (изменение частоты в два раза можно заметить на глаз). Если частота моргания лампы не изменилась, то датчик положения распредвала неисправен.
Видео - датчик положения распредвала
Это должен знать каждый владелец авто:
Восстановление автомобильного аккумулятора
Неисправности аккумуляторной батареи от автомобиля чаще всего заключаются в замыкании пластин банок в результате выпадения активной массы, сульфатация пластин и обрыве пластины от вывода. Пере...
|
|