Автомобиль модели ВАЗ-2106 начали выпускать в 1976 году. От своего предшественника ВАЗ-2103 он отличался более мощным двигателем, объём которого составляет 1,6 л, модифицированным кузовом и салоном. На момент своего выхода в свет это был самый престижный и комфортабельный автомобиль. Ниже приведена качественная цветная схема электрооборудования отечественного легкового автомобиля ВАЗ-2106. Как и в любой машине, у данной модели могут возникнуть неисправности в электроцепи, поэтому электрическая схема будет незаменима для выявления и устранения таких проблем. С её помощью можно выяснить, где именно произошла поломка в электроцепи и произвести соответствующий ёё ремонт. Выяснить какая не работает лампа на панели приборов или фара, какой датчик вышел из строя, устранить поломку генератора, произвести проверку предохранителей, и другие ремонтные действия вы можете на основе представленной информации.
Схема ВАЗ 2106

1 — боковые указатели поворота; 2 — подфарники ваз-2106; 3 — наружные фары; 4 — внутренние фары; 5 — звуковые сигналы; б — электродвигатель вентилятора системы охлаждения двигателя ваз 2106; 7 — датчик включения электродвигателя вентилятора ваз 2106; 8 — реле включения звуковых сигналов; 9 — реле включения электродвигателя вентилятора ваз 2106; 10 — регулятор напряжения; 11 — катушка зажигания ваз 2106; 12 — электродвигатель омывателя ветрового стекла; 13 — датчик недостаточного уровня тормозной жидкости; 14 — распределитель зажигания; 15 — электродвигатель стеклоочистителя; 16 — свечи зажигания ваз 2106; 17 — датчик контрольной лампы давления масла; 18 — датчик указателя давления масла; 19 — датчик указателя температуры охлаждающей жидкости; 20 — подкапотная лампа; 21 — электромагнитный клапан карбюратора ваз 2106; 22 — генератор; 23 — стартер; 24 — аккумуляторная батарея; 25 — реле контрольной лампы заряда аккумуляторной батареи; 26 — реле включения ближнего света фар; 27 — реле включения дальнего света фар; 28 — реле стеклоочистителя; 29 — дополнительный блок предохранителей; 30 — основной блок предохранителей; 31 — выключатель света заднего ходы; 32 — выключатель контрольной лампы стояночного тормоза; 33 — штепсельная розетка переносной лампы; 34 — реле-прерыватель указателей поворота и аварийной сигнализации; 35 — электродвигатель отопителя; 36 — выключатель стоп-сигнала; 37 — реле обогрева заднего стекла*; 38 — резистор электродвигателя отопителя; 39 — лампа освещения вещевого ящика; 40 — выключатель наружного освещения; 41 — выключатель обогрева заднего стекла*; 42 — выключатель зажигания ваз 2106; 43 — переключатель ближнего-дальнего света; 44 — переключатель указателей поворота; 45 — выключатель звукового сигнала; 46 — переключатель стеклоочистителя; 47 — выключатель смывателя ветрового стекла; 48 — выключатель (регулятор) освещения приборов; 49 — выключатель аварийной сигнализации; 50 — прикуриватель; 51 — переключатель отопителя; 52 — контрольная лампа уровня тормозной жидкости; 53 — выключатели фонарей сигнализации открытых передних дверей; 54 — фонари сигнализации открытых передних дверей; 55 — выключатели плафонов, расположенные в стойках передних дверей; 56 — указатель уровня топлива с контрольной лампой резерва топлива; 57 — указатель температуры охлаждающей жидкости; 58 — указатель давления масла с контрольной лампой; 59 — тахометр; 60 — контрольная лампа стояночного тормоза; 61 — контрольная лампа заряда аккумуляторной батареи; 62 — контрольная лампа воздушной заслонки карбюратора; 63 — спидометр; 64 — контрольная лампа наружного освещения; 65 — контрольная лампа указателей поворота; 66 — контрольная лампа дальнего света фар; 67 — реле-прерыватель контрольной лампы стояночного тормоза; 68 — выключатель контрольной лампы воздушной заслонки карбюратора; 69 — часы; 70 — выключатели плафонов, расположенные в стойках задних дверей; 71 — плафоны; 72 — элемент обогрева заднего стекла; 73 — лампа освещения багажника; 74 — датчик указателя уровня и резерва топлива; 75 — задние фонари; 76 — фонари освещения номерного знака.
Модификации
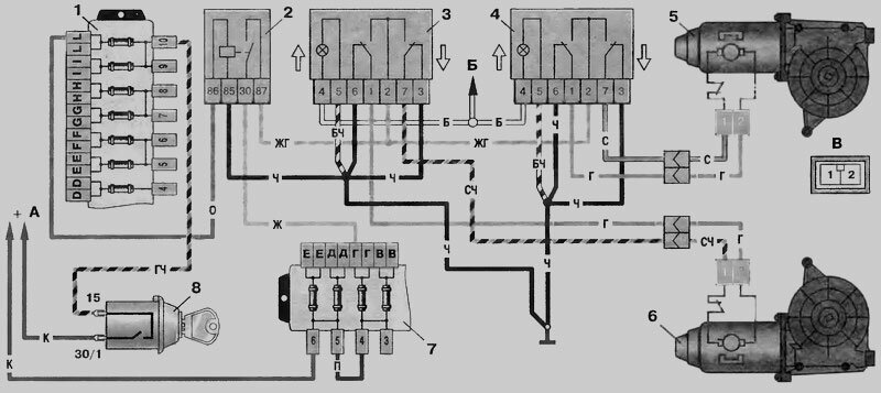
Схема включения элеткростеклоподьемников передних дверей

1 - основной блок предохранителей; 2 - реле включения электростеклоподъемников; 3 - переключатель стеклоподъемника левой двери; 4 - переключатель стеклоподъемника правой двери; 5 - моторедуктор электростеклоподъемника правой двери; 6 - моторедуктор электрического стеклоподъемника левой двери; 7 - дополнительный блок предохранителей; 8 - выключатель зажигания; А - к выводу «30» генератора; Б - к выключателю освещения приборов; В - условная нумерация штекеров в колодке моторедуктора.
Схема управления электромагнитным клапаном карбюратора

1 - выключатель зажигания; 2 - генератор; 3 - аккумуляторная батарея; 4 - катушка зажигания; 5 - коммутатор; 6 - блок управления; 7 - электромагнитный клапан карбюратора; 8 - концевой выключатель карбюратора.
Электродвигатель вентилятора системы охлаждения двигателя

1 - генератор; 2 - аккумуляторная батарея; 3 - выключатель зажигания; 4 - основной блок предохранителей; 5 - реле включения электровентилятора, 6 - датчик включения электровентилятора; 7 - электровентилятор; 8 - дополнительный блок предохранителей
Предохранители и реле ВАЗ 2106

- №1 защищает цепи звукового сигнала, часов, стоп-сигналы, прикуривателя, фонари сигнализации открытых передних дверей. Номинал предохранителя 16А.
- №2 защищает цепи омывателя лобового стекла, стеклоочистителей (дворников), электродвигателя отопителя ВАЗ 2106. Номинал предохранителя 8А.
- №3 левые фары дальнего света, а также контрольная лампа включения дальнего света в спидометре (синего цвета). Номинал предохранителя 8А.
- №4 защищает правые фары дальнего света. Номинал предохранителя 8А.
- №5 защищает от КЗ левые фары ближнего света. Номинал 8А.
- №6 защищает цепь правых фар ближнего света. Номинал 8А.
- №7 защищает цепь ламп освещения багажника, приборов, номерного знака, прикуривателя, левый передний фонарь габаритного света и правый задний фонарь габаритного света. Номинал 8А.
- №8 защищает цепь контрольной лампы габаритного света, лампу освещения номерного знака, подкапотную лампу освещения двигателя, правый передний фонарь габаритного света и левый задний фонарь габаритного света. Номинал 8А.
- №9 защищает цепь тахометра, обмотки реле обогрева заднего стекла, лампы заднего хода, освещения вещевого ящика, контрольной лампы заряда аккумулятора, включения стояночного тормоза, уровня тормозной жидкости, управления воздушной заслонкой карбюратора, указателей давления масла, температуры охлаждающей жидкости и уровня топлива, поворота. Номинал 8А.
- №10 защищает цепи зарядки аккумулятора, а именно цепь возбуждения генератора и реле-регулятора. Номинал 8А.
- №11, 12,13 в базовой комплектации находятся в резерве и могут быть использованы для дополнительного оборудования. Номинал подбирается в зависимости от потребителя.
- № 14 служит для защиты цепи элемента обогрева заднего стекла, если такой установлен. Номинал 16А.
- № 15 электровентилятор охлаждения двигателя, если таков установлен в автомобиле. Номинал 16А
- №16 защищает цепь указателей поворота и аварийной сигнализации. Номинал 8А.
Важно не только содержать в чистоте контактные группы, но и использовать предохранители тех номиналов, которые рекомендует производитель. Игнорирование этих требований грозит выходом из строя электрооборудования.
РЕМОНТ АВТОЭЛЕКТРОНИКИ ЗАРЯДНЫЕ УСТРОЙСТВА ДЛЯ АКБ

|