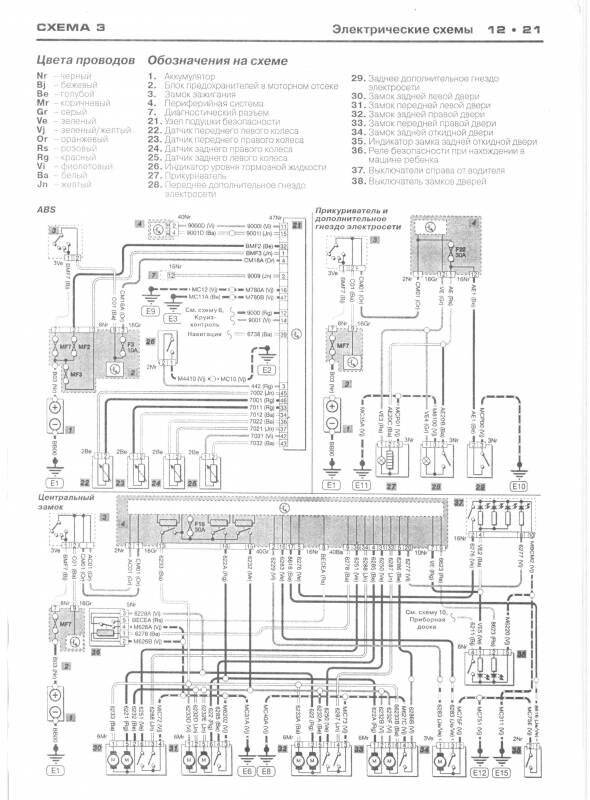
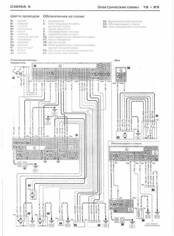
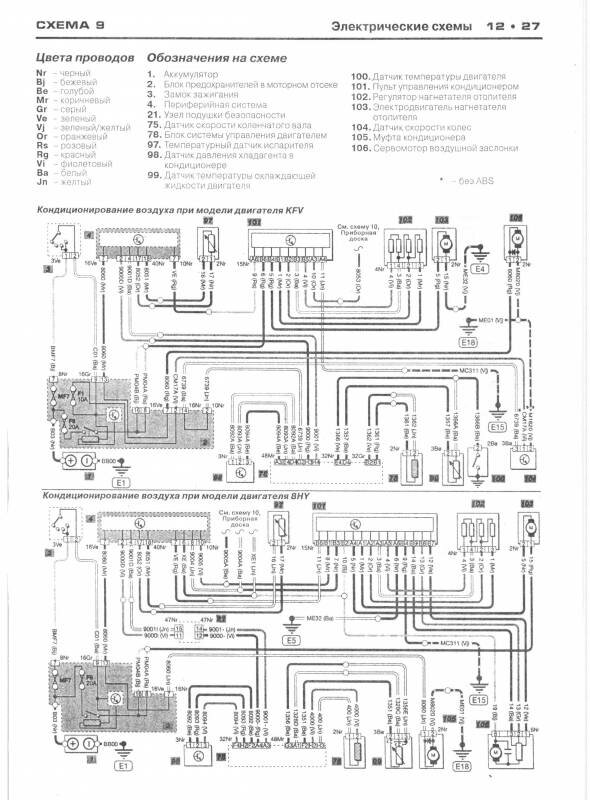
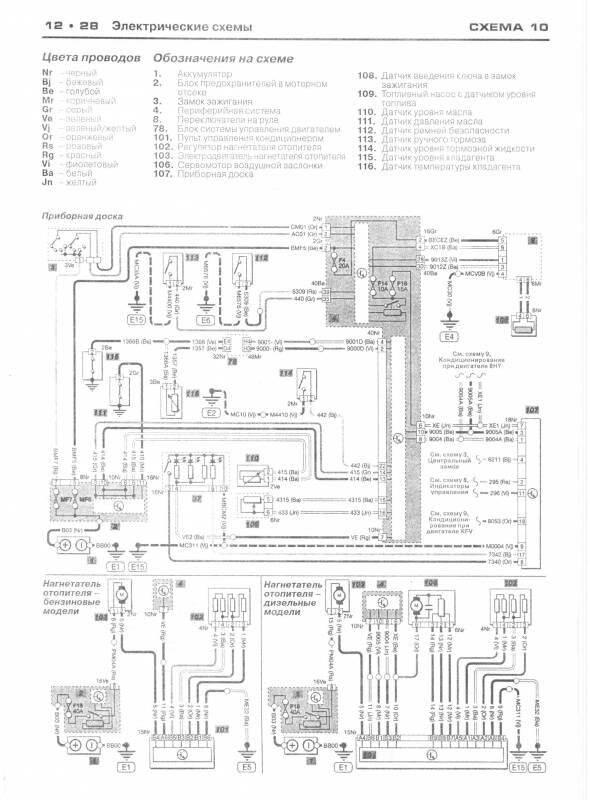
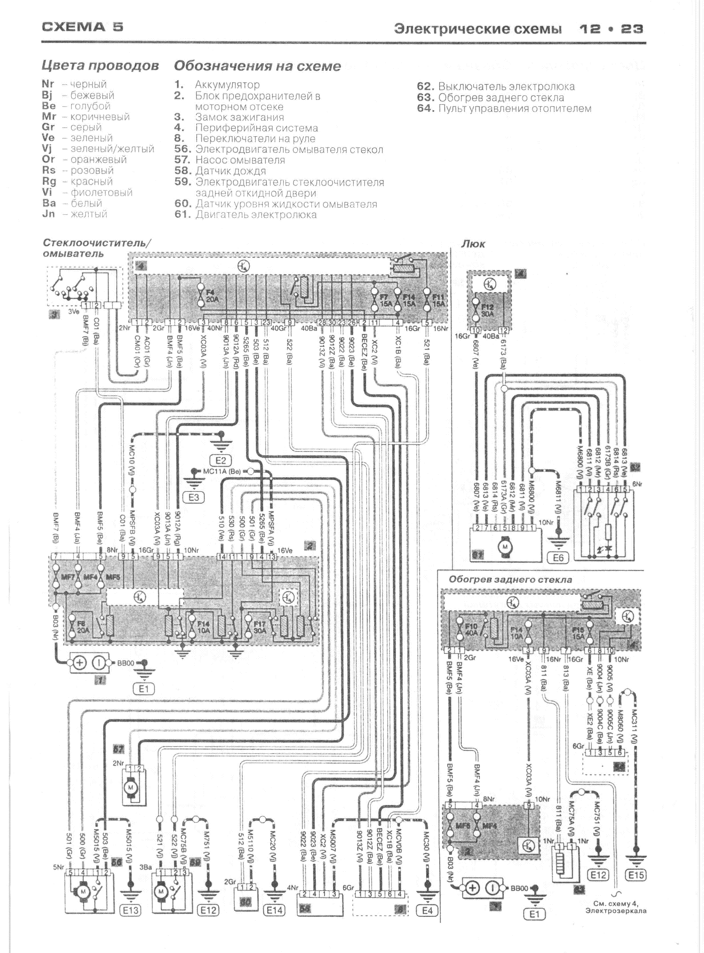
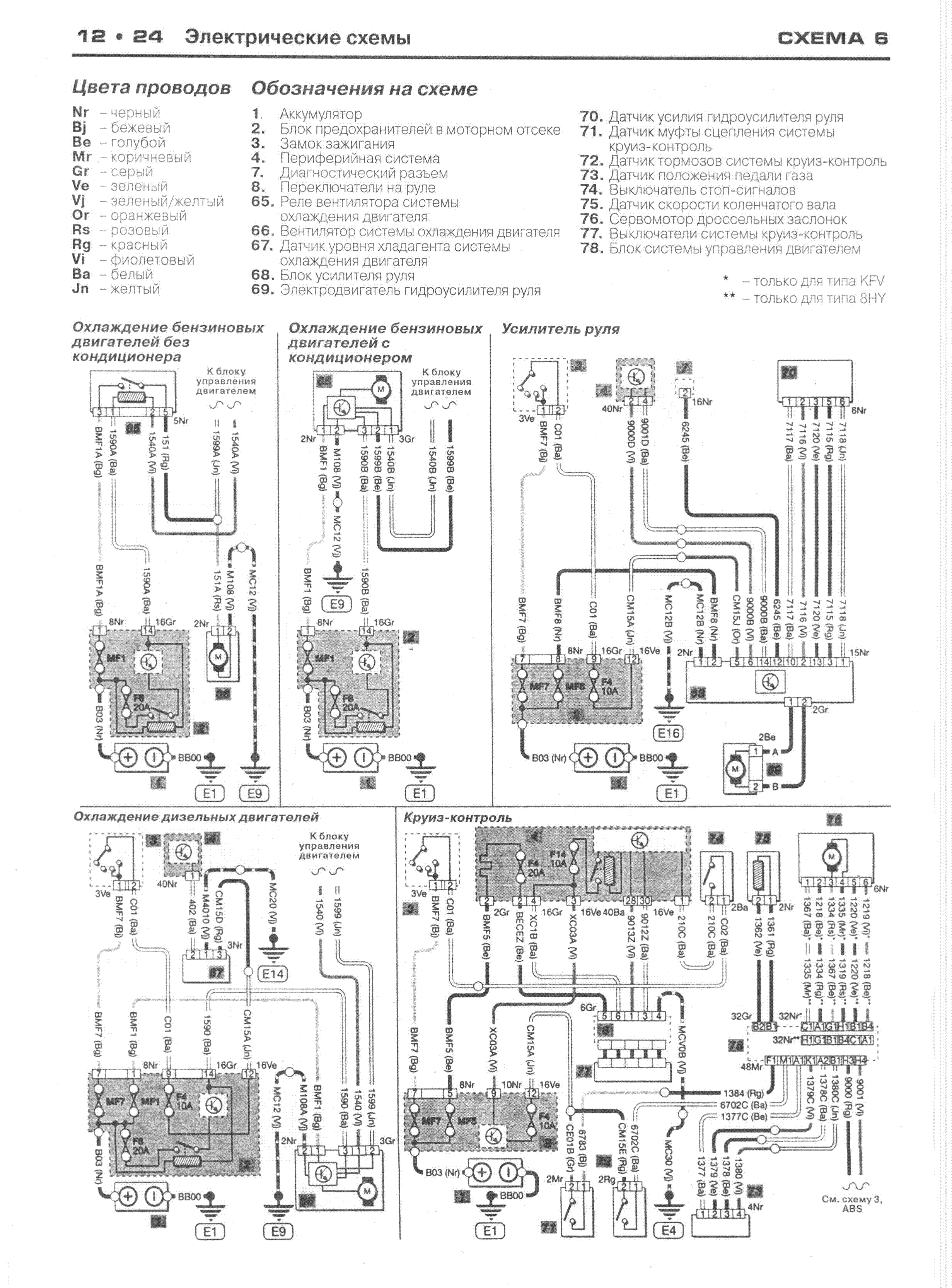
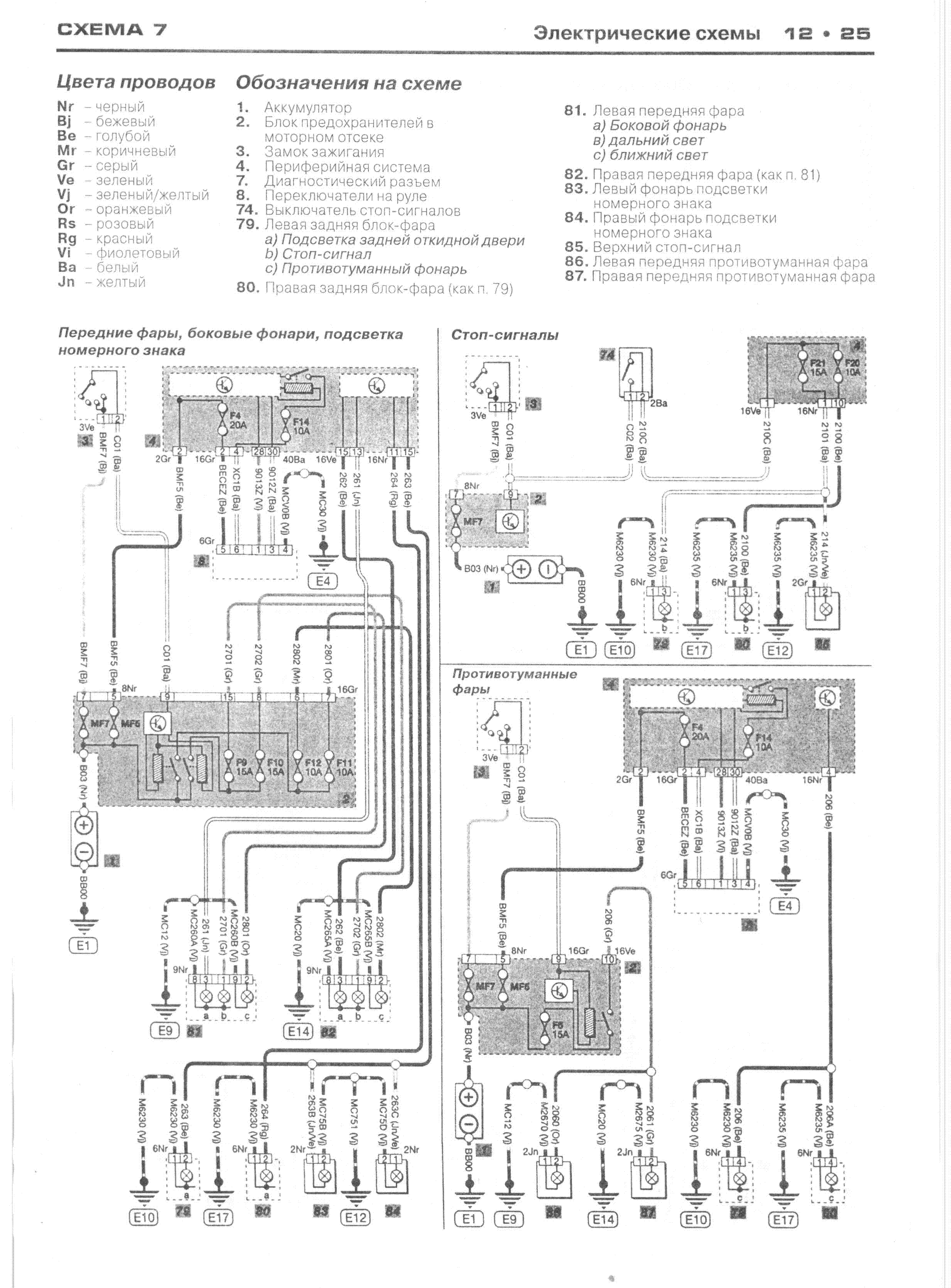
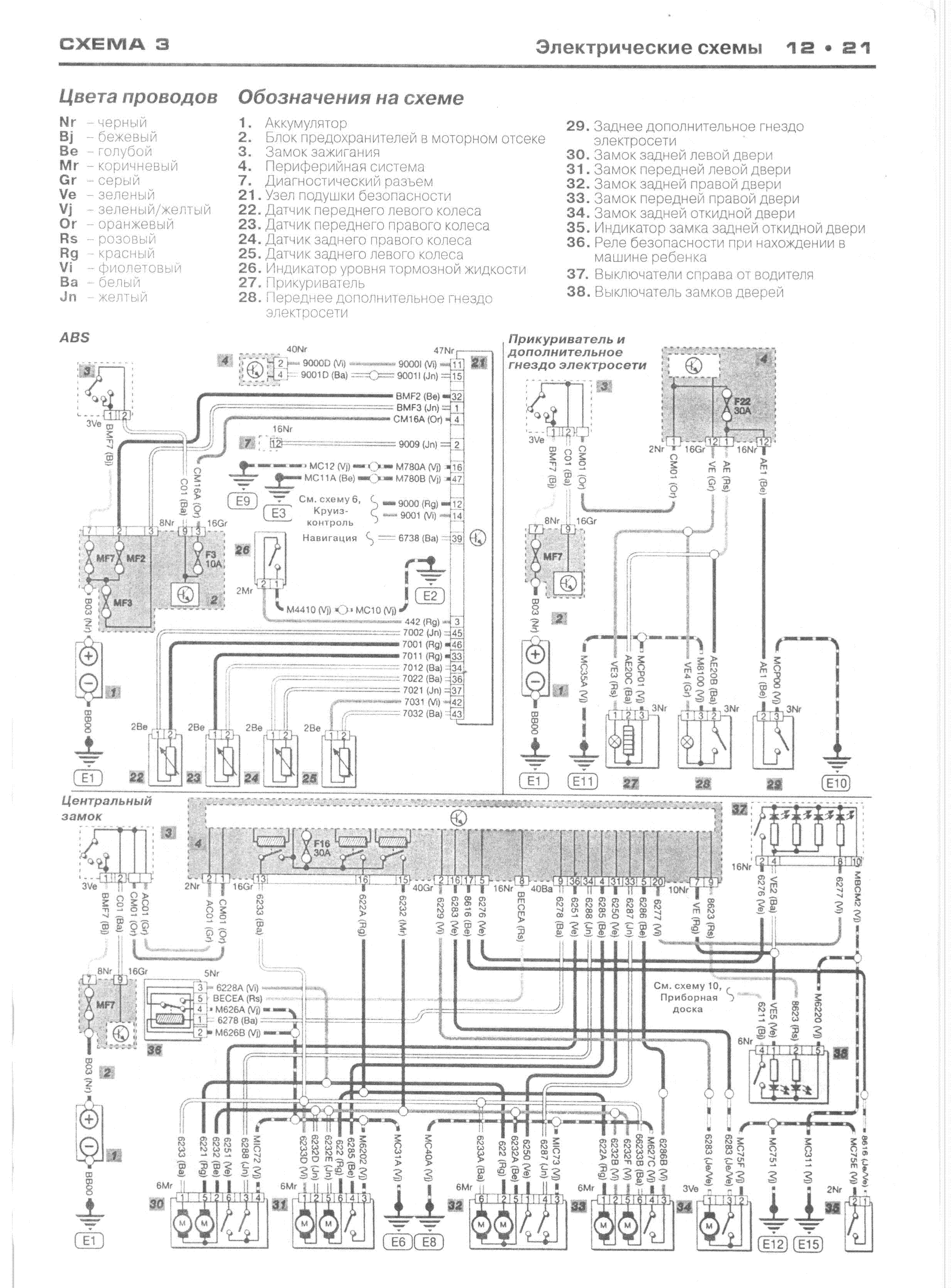
Сборник качественных цветных электросхем, для электрооборудования Citroen C3. В данном разделе показаны схемы таких узлов, как системы запуска и заряда, впрыска и зажигания, вентилятор охлаждения и некоторые другие блоки автомобиля Ситроен С3. Просмотр и скачивание доступны всем посетителям нашего сайта. Увеличить схему можно кликнув на неё.
Электросхема автомобиля Citroen C3 - блок предохранителей

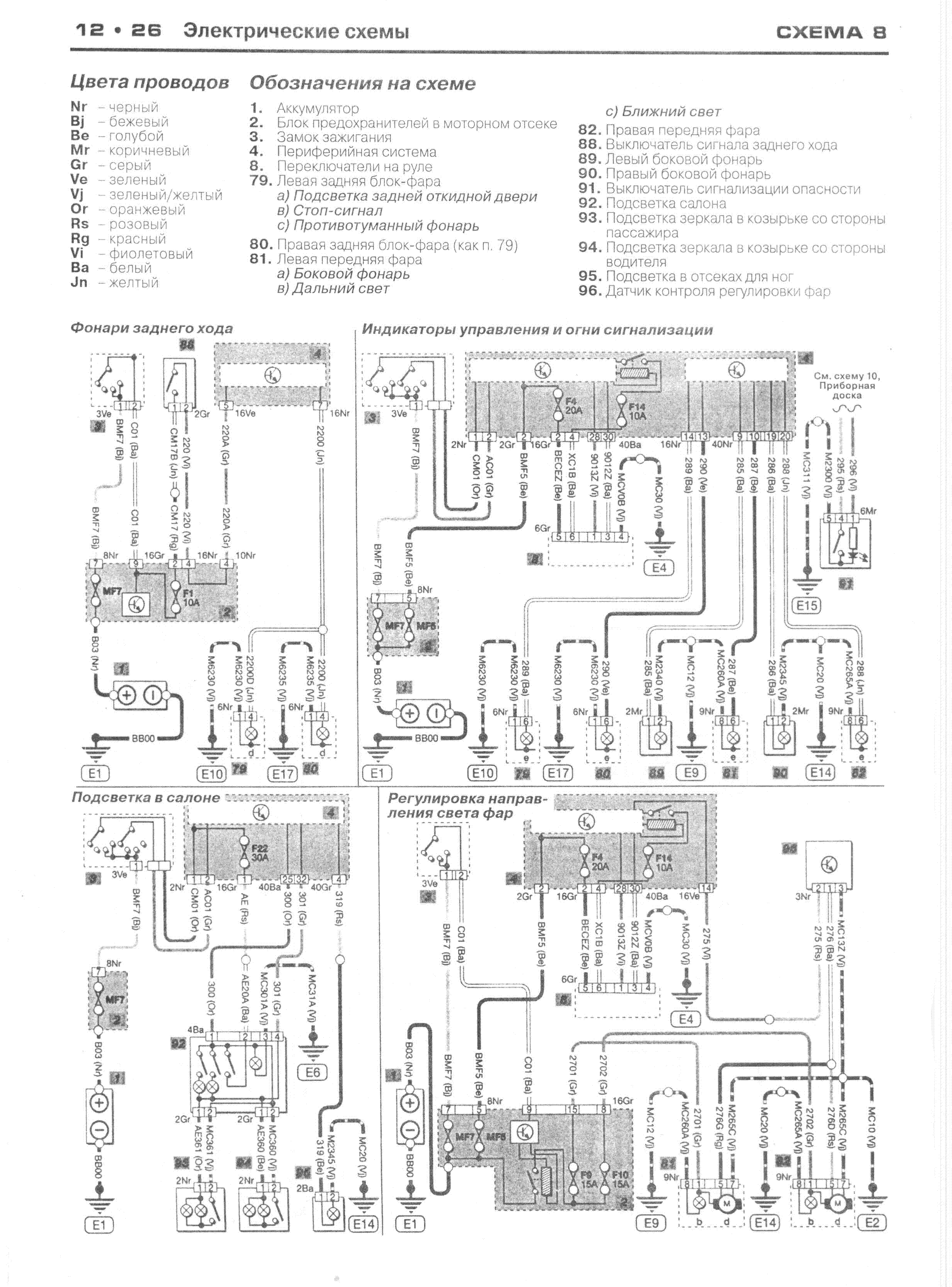
Электросхема автомобиля Citroen C3 - обозначение на схемах

Электросхемы Citroen C3





Схемы электрооборудования Ситроен С3




РЕМОНТ АВТОЭЛЕКТРОНИКИ ЗАРЯДНЫЕ УСТРОЙСТВА ДЛЯ АКБ

|