Электросхема электрической проводки и узлов приборов освещения автомобиля шевроле - ланос. Соединение приборов освещения:

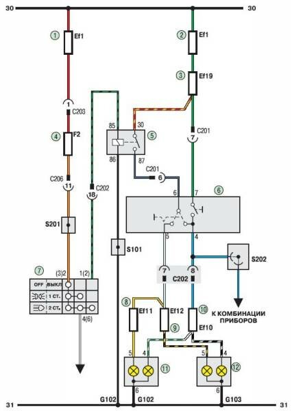
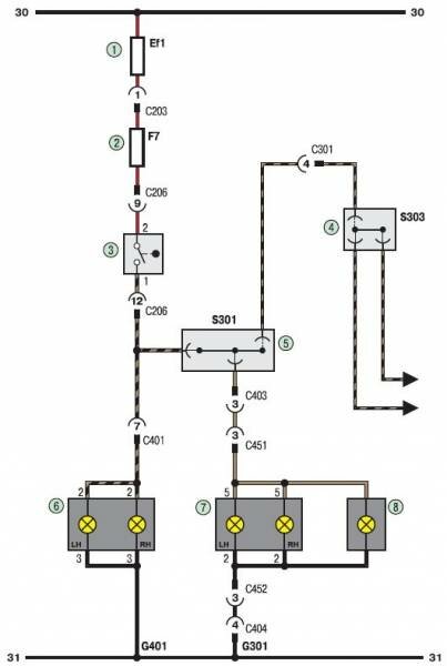
1, 2 - плавкие вставки (80 А); 3 - плавкая вставка (25 А); 4, 8, 9 - предохранители (10 А); 5 - реле противотуманных фар; 6 - переключатель указателей поворота и света фар; 7 - переключатель наружного освещения; 10 - плавкая вставка (20 А); 11 - фара левая; 12 - фара правая
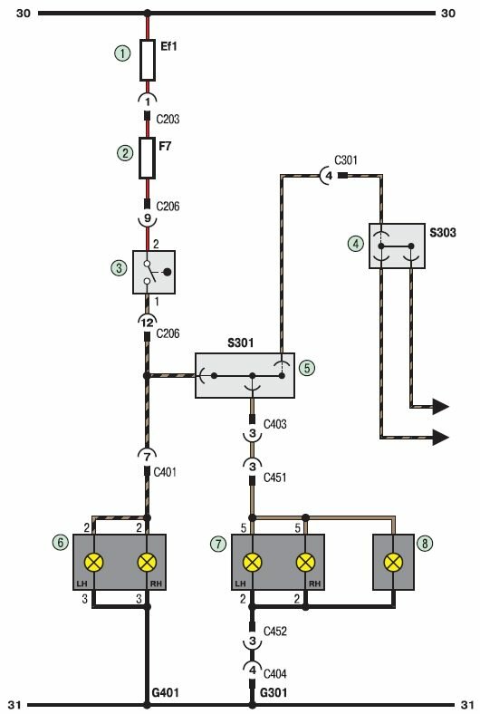
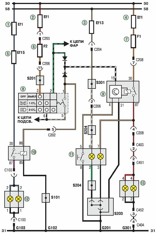
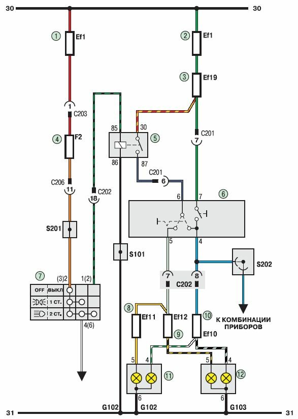
Схема соединения приборов освещения

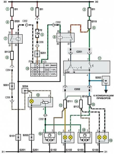
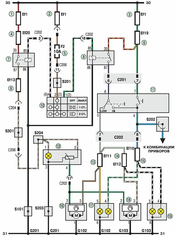
1, 2, 3 - плавкие вставки (80 А); 4, 15 - плавкая вставка (20 А); 5, 9, 13, 14 - предохранители (10 А); 6 - плавкая вставка (25 А); 7 - реле; 8 - реле фар; 10 - переключатель наружного освещения; 11 - переключатель указателей поворота; 12 - переключатель корректора фар; 16 - корректор левой фары; 17 - фара левая; 18 - корректор правой фары; 19 - фара правая

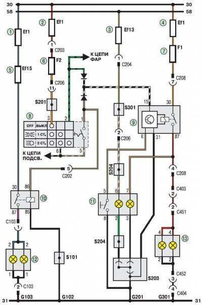
1, 2, 4 - плавкие вставки (80 А); 3 - плавкая вставка (10 А); 5 - плавкая вставка (15 А); 6 - предохранитель F2 (10 А); 7 - предохранитель F1 (10 А); 8 - переключатель наружного освещения; 9 - реле задних противотуманных фонарей; 10 - реле передних противотуманных фар; 11 - выключатель задних противотуманных фонарей; 12 - передние противотуманные фары; 13 - задние противотуманные фонари

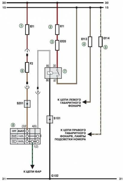
1, 2 - плавкие вставки (80 А); 3 - плавкая вставка (20 А); 4, 5 - плавкие вставки (10 А); 6 - предохранитель (10 А); 7 - реле; 8 - переключатель наружного освещения

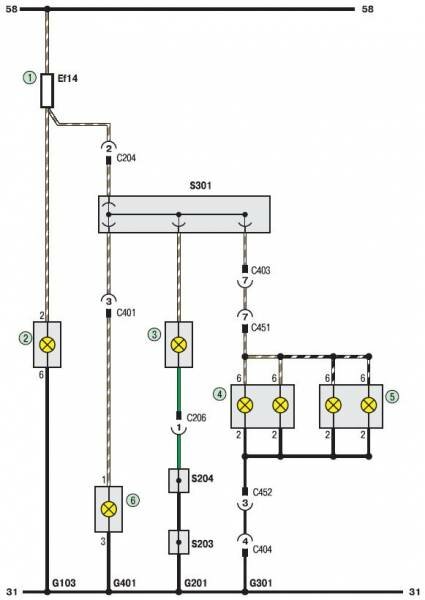
1 - плавкая вставка (10 А); 2 - лампа правого переднего габаритного фонаря; 3 - лампа освещения; 4 - лампа освещения номерного знака; 5 - лампа освещения багажника; 6 - лампа левого переднего габаритного фонаря

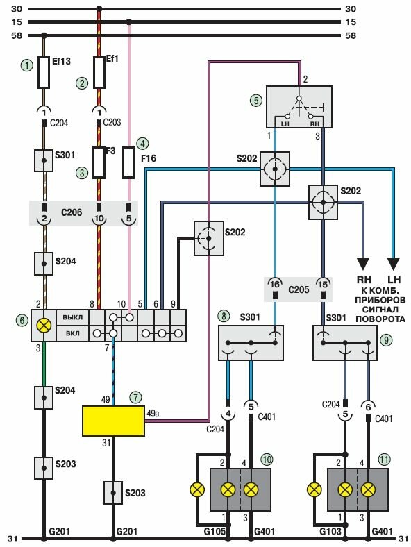
1 - плавкая вставка (10 А); 2 - плавкая вставка (80 А); 3, 4 - предохранители (15 А); 5 - переключатель указателей поворота; 6 - выключатель аварийной сигнализации; 7 - реле; 8, 9 - соединительные колодки; 10 - лампа указателя левого поворота в комбинации приборов; 11 - лампа указателя правого поворота в комбинации приборов

1 - плавкая вставка (80 А); 2 - предохранитель (15 А); 3 - выключатель стоп-сигналов; 4, 5 - соединительные колодки; 6 - лампа стоп-сигнала в заднем правом фонаре; 7 - лампа стоп-сигнала в заднем левом фонаре; 8 - дополнительный стоп-сигнал

1 - плавкая вставка ( 20 А); 2 - плавкая вставка (80 А); 3, 4 - предохранители (10 А); 5 - лампа подсветки багажника; 6 - лампа освещения салона; 7 - сигнальная лампа открытых дверей салона; 8 - выключатель электропривода открывания крышки багажника (установлен на часть автомобилей); 9 - диод; 10 - выключатель

1, 2 - предохранители (10 А); 3 - лампа включения заднего хода; 4 - лампа освещения вещевого ящика; 5 - выключатель лампы освещения вещевого ящика; 6 - выключатель света заднего хода (для автомобилей с механической коробкой передач); 7 - выключатель света заднего хода (для автомобилей с автоматической коробкой передач)
РЕМОНТ АВТОЭЛЕКТРОНИКИ ЗАРЯДНЫЕ УСТРОЙСТВА ДЛЯ АКБ

|