Первая часть сборника электросхем для автомобиля Рено Сценик. Все схемы предоставляются абсолютно бесплатно и без регистрации. Для увеличения - кликните на картинке. В этой части вы найдёте схемы таких модулей, как электропривод зеркал, противотуманные фары, электростеклоподъемники передних дверей, электровентилятор системы отопления и вентиляции салона и другие. Продолжение эл. схем данного автомобиля во второй части.
Схема принципиальная точек подключения массы у Рено Сценик

Пример расшифровки электросхем

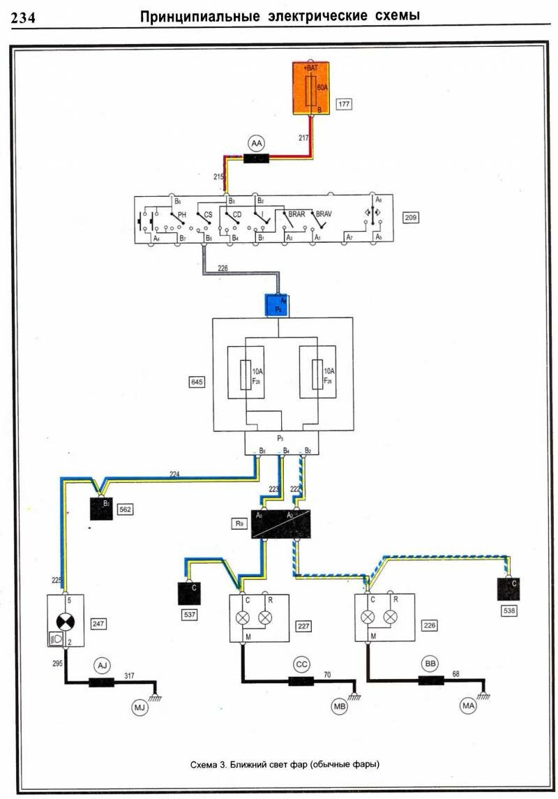
Схема модуля ближнего света фар авто

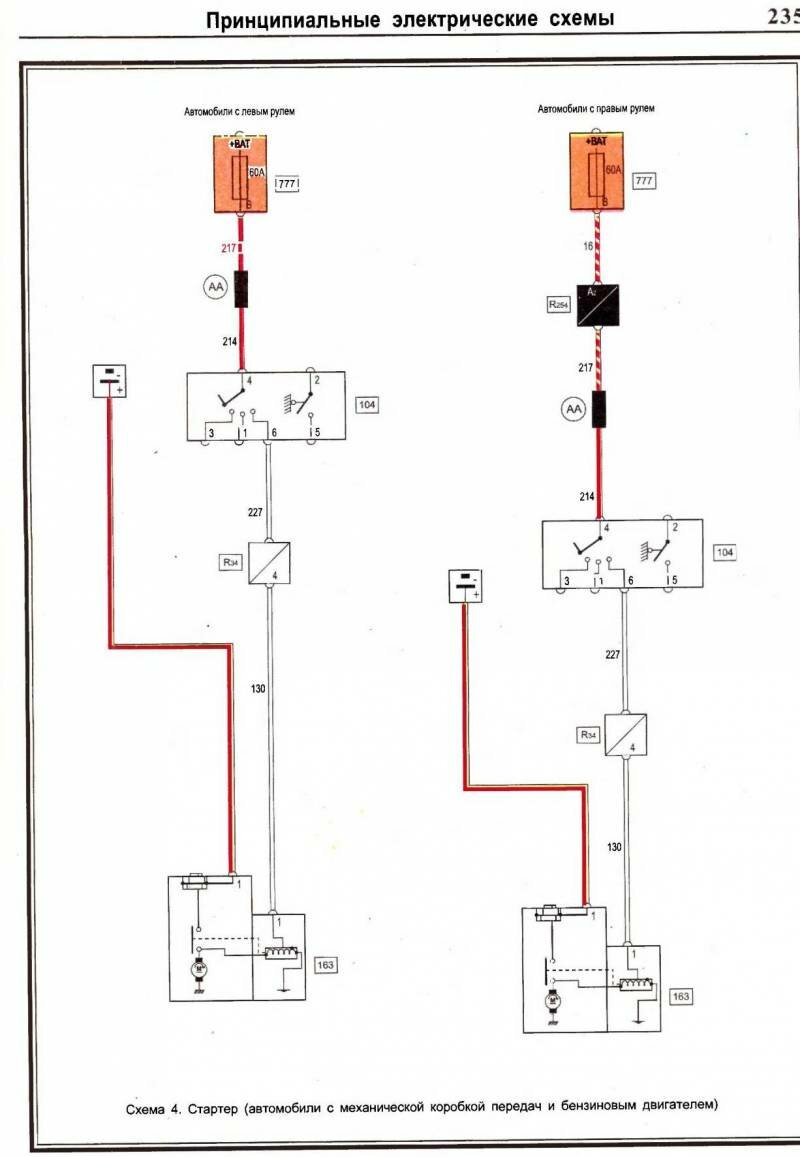
Электрическая схема стартера, для моделей с бензиновым двигателем

Схема подключения стоп сигналов Рено Сценик

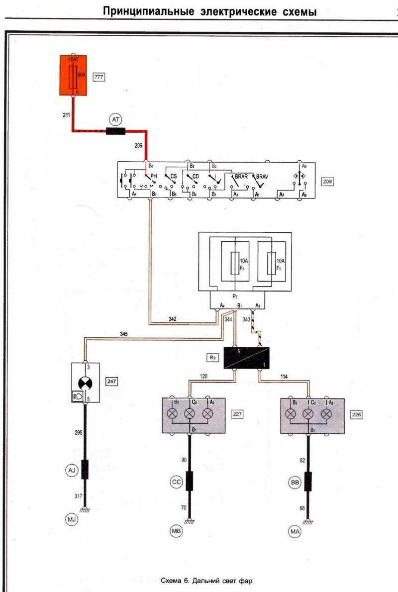
Устройство дальнего света фар

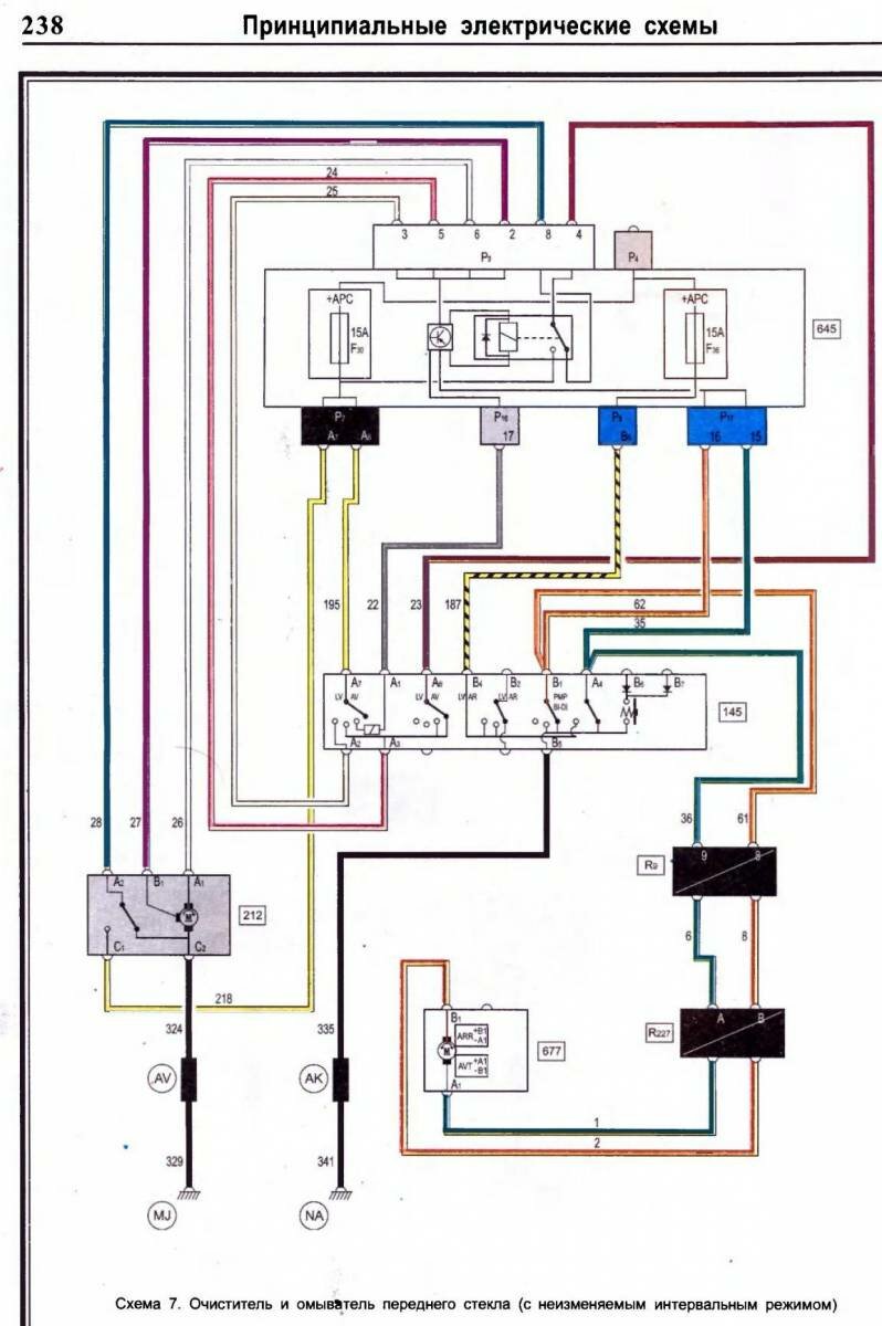
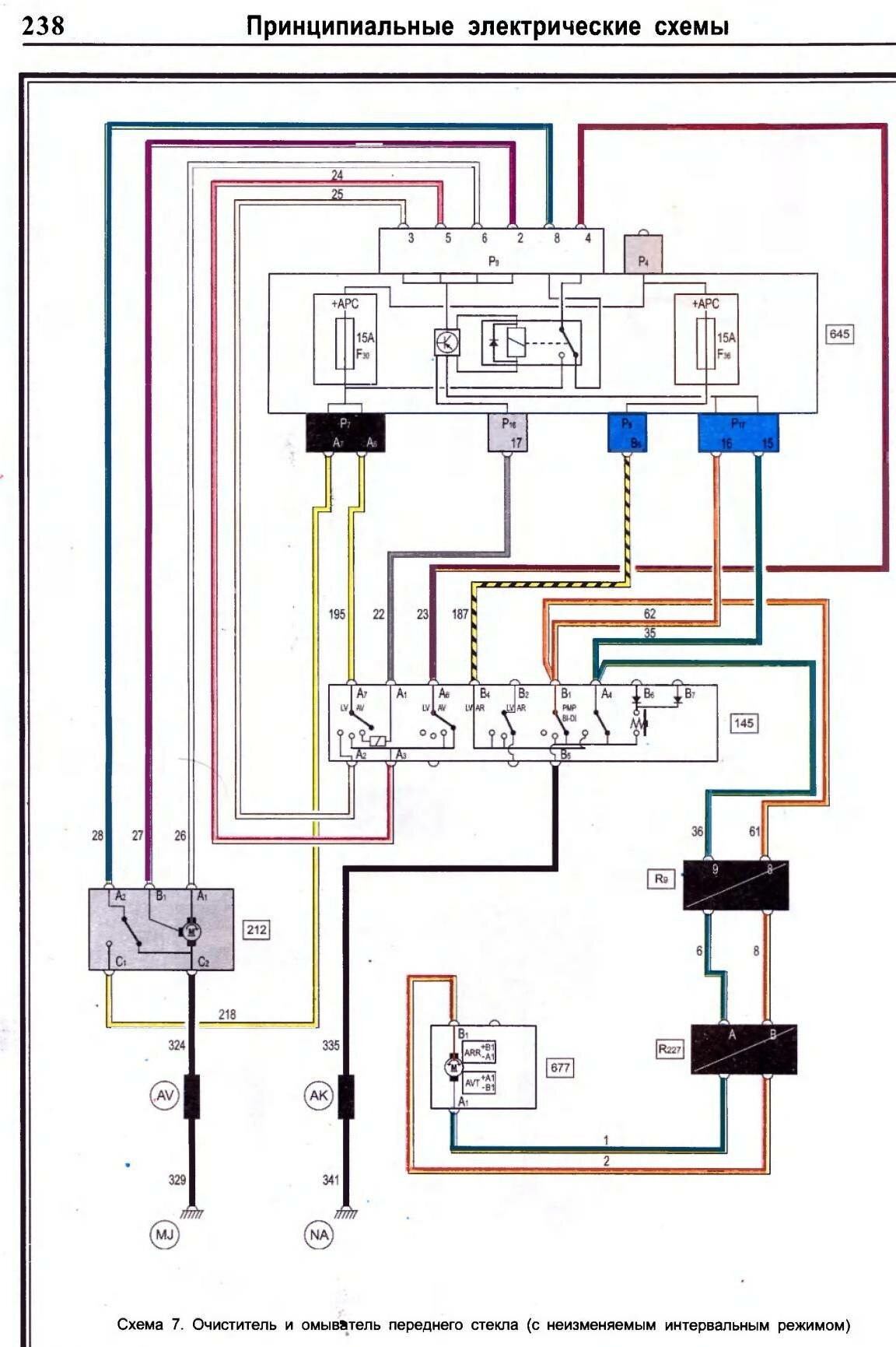
Очиститель и омыватель ветрового стекла, омыватель фар - схемы принципиальные

Соединения на массу передка

Схема обогревателя заднего стекла и боковых зеркал Рено Сценик

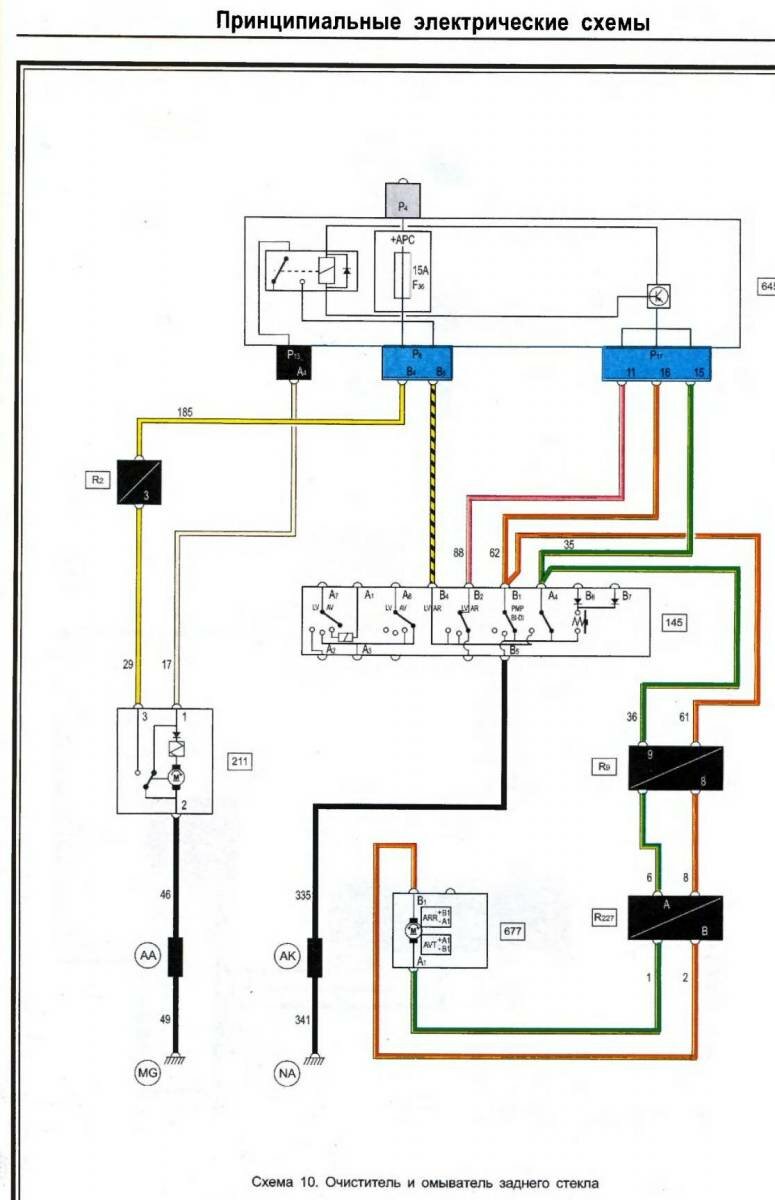
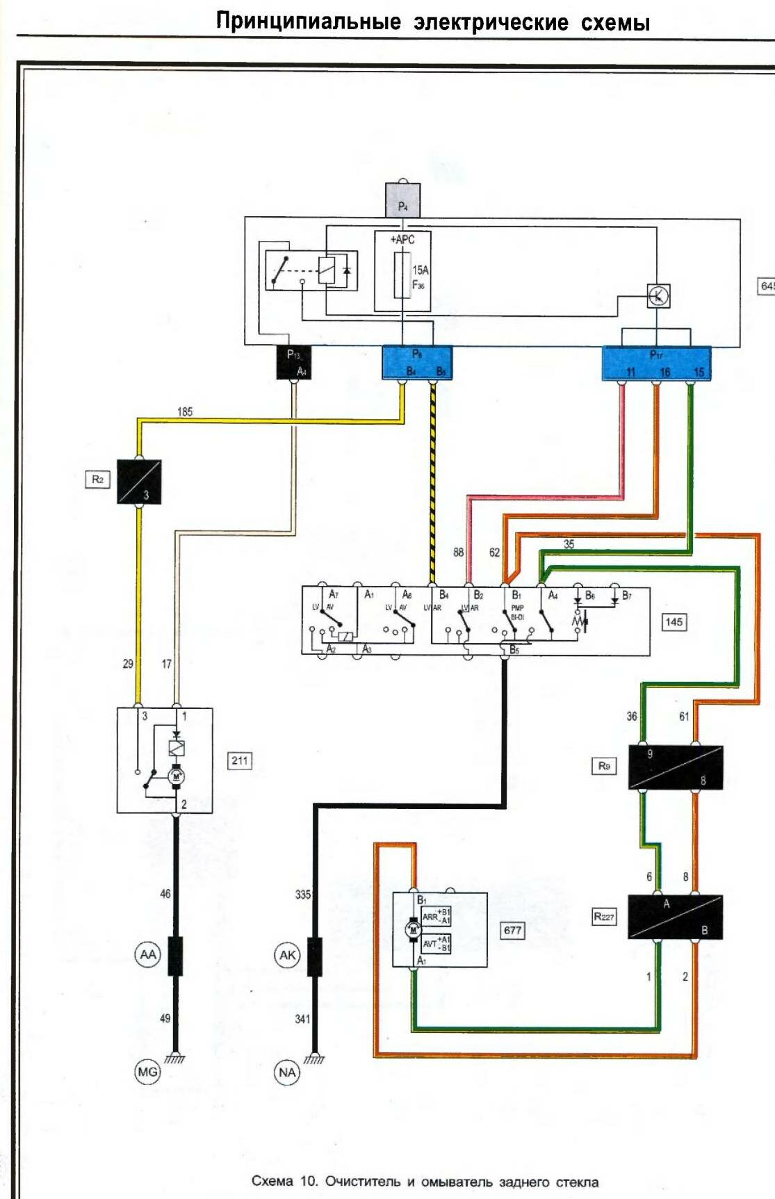
Очиститель и омыватель заднего стекла автомобиля - схема

Отопитель Renault Scenic

Сигнальная лампа износа тормозных колодок автомобиля

РЕМОНТ АВТОЭЛЕКТРОНИКИ ЗАРЯДНЫЕ УСТРОЙСТВА ДЛЯ АКБ

|