Продолжение сборника электросхем для автомобиля Renault Logan. Все схемы предоставляются абсолютно бесплатно и без регистрации. Для увеличения - кликните на картинке. В этой части вы найдёте схемы таких модулей, как электропривод зеркал, противотуманные фары, электростеклоподъемники передних дверей, электровентилятор системы отопления и вентиляции салона и другие.
Схема электропривода зеркал Renault Logan

1 - блок предохранителей в салоне; 2 - блок управления наружными зеркалами заднего вида; 3 - электропривод левого наружного зеркала заднего вида с обогревом; 4 - электропривод правого наружного зеркала заднего вида с обогревом.
Ближний свет - схема

1 - блок предохранителей 597А в моторном отсеке; 2 - рычаг переключателя наружного освещения и указателей поворота с кнопкой включения звукового сигнала; 3 - блок предохранителей в салоне; 4 - правая передняя фара; 5 - левая передняя фара; 6 - комбинация приборов.
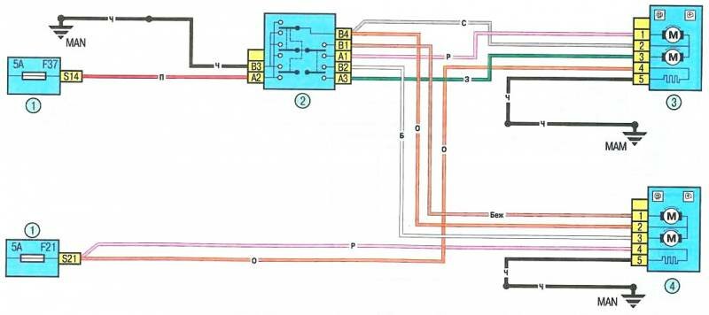
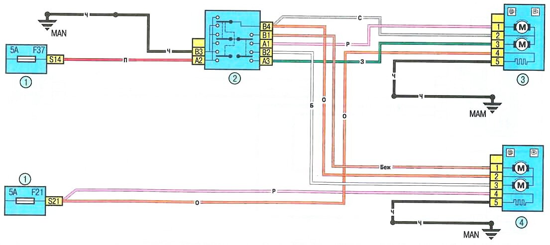
Электростеклоподъемники передних дверей Renault Logan

1 - выключатель электростеклоподъемников передней пассажирской двери; 2 - электродвигатель стеклоподъемника передней пассажирской двери; 3 - электродвигатель стеклоподъемника двери водителя; 4 - блок предохранителей в салоне; 5 - импульсный выключатель электростеклоподъемников двери водителя.
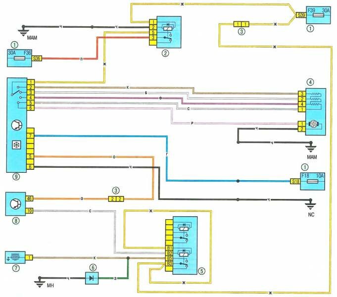
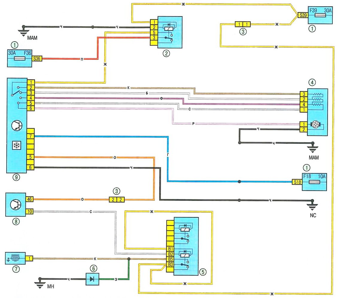
Электровентилятор системы отопления и вентиляции салона Renault

1 - блок предохранителей в салоне; 2 - реле 233; 3 - разъем электропроводки моторного отсека/салона (моноблок); 4 - электровентилятор системы отопления и вентиляции; 5 - блок реле 784 в моторном отсеке; 6 - диод кондиционера и усилителя рулевого управления; 7 - электромагнитная муфта компрессора кондиционера; 8 - ЭБУ; 9 - блок управления системой отопления и вентиляции салона.
Электросхема звукового сигнала

1 - рычаг переключателя наружного освещения и указателей поворота с кнопкой включения звукового сигнала; 2 - блок предохранителей в салоне; 3 - звуковой сигнал Рено.
Схема центральной блокировки замков

1 - коммутационный блок салона; 2 - разьем электропроводки панели приборов/левой задней части кузова; 3 - электропривод замка правой задней двери; 4 - электропривод замка левой задней двери; 5 - электропривод замка правой передней двери; 6 - электропривод замка двери водителя; 7 - выключатель системы центральной блокировки замков; 8 - блок предохранителей в салоне.
Система управления ABS

1 - блок предохранителей в салоне; 2 - блок предохранителей 597С в моторном отсеке; 3 - ЭБУ ABS; 4 - разъем электропроводки панели приборов/левой задней части кузова; 5 - датчик скорости вращения правого заднего колеса; 6 - датчик скорости вращения левого заднего колеса; 7 - датчик скорости вращения левого переднего колеса; 8 - датчик скорости вращения правого переднего колеса; 9 - выключатель стоп-сигналов; 10 - диагностический разьем; 11 - комбинация приборов.
Очиститель и омыватель ветрового стекла, омыватель фар - схемы электрооборудования

1 - насос омывателя ветрового стекла; 2 - комбинация приборов; 3 - коммутационный блок салона; 4 - электродвигатель очистителя ветрового стекла; 5 - рычаг переключателя очистителя и омывателя ветрового стекла с кнопкой переключения режимов отображения бортового компьютера; 6 - блок предохранителей в салоне; 7 - блок реле 299 в моторном отсеке.
Освещения салона Renault Logan

1 - коммутационный блок салона; 2 - разъем электропроводки панели приборов/левой задней части кузова; 3 - плафон освещения салона; 4 - концевой выключатель двери водителя; 5 - концевой выключатель правой передней двери; 6 - концевой выключатель правой задней двери; 7 - концевой выключатель левой задней двери.
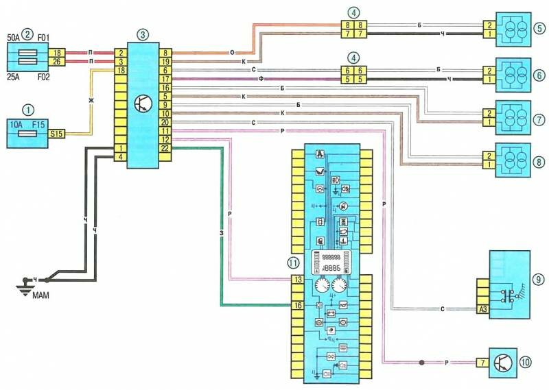
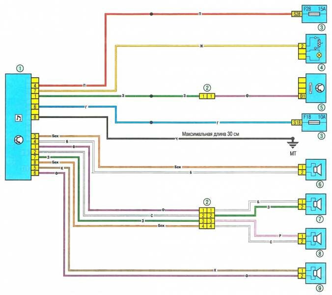
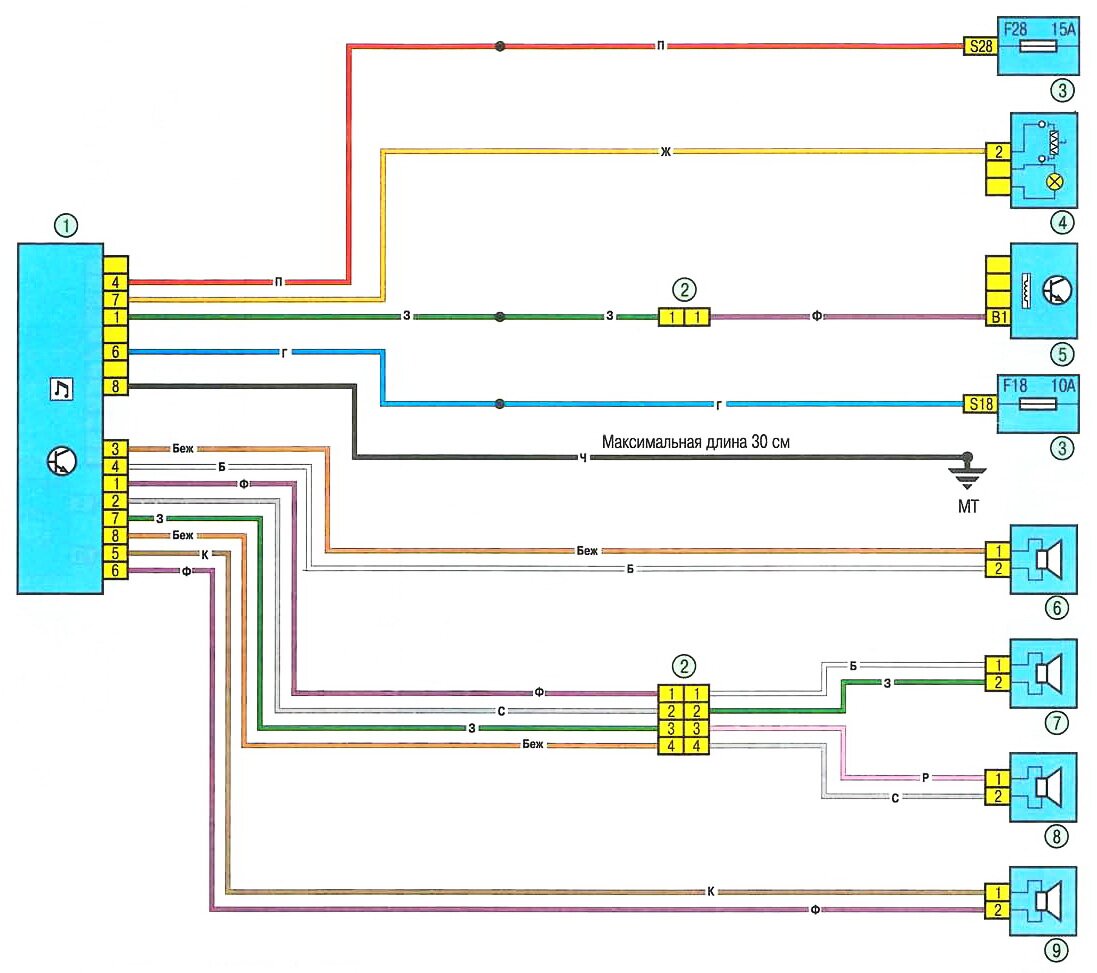
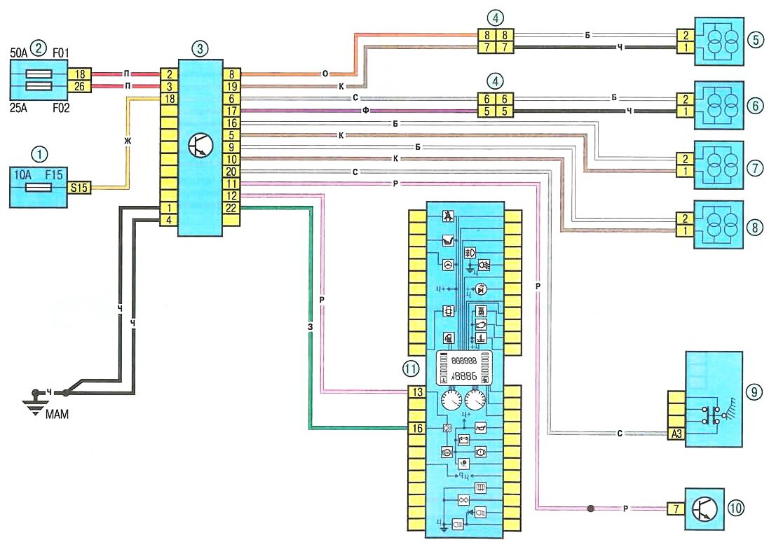
Подключение динамиков акустической системы автомобиля

1 - автомагнитола; 2 - разъем электропроводки моторного отсека/салона (моноблок); 3 - блок предохранителей в салоне; 4 - прикуриватель; 5 - датчик скорости автомобиля; 6 - правый передний динамик; 7 - правый задний динамик; 8 - левый задний динамик; 9 - левый передний динамик; 10 - разъем электропроводки панели приборов/левой задней части кузова.
Задние противотуманные фонари Renault Logan

1 - блок предохранителей 597А в моторном отсеке; 2 - рычаг переключателя наружного освещения и указателей поворота с кнопкой включения звукового сигнала; 3 - блок предохранителей в салоне; 4 - левый задний фонарь.
РЕМОНТ АВТОЭЛЕКТРОНИКИ ЗАРЯДНЫЕ УСТРОЙСТВА ДЛЯ АКБ

|