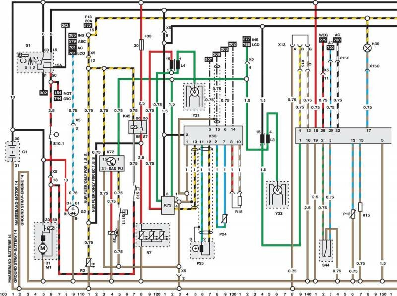
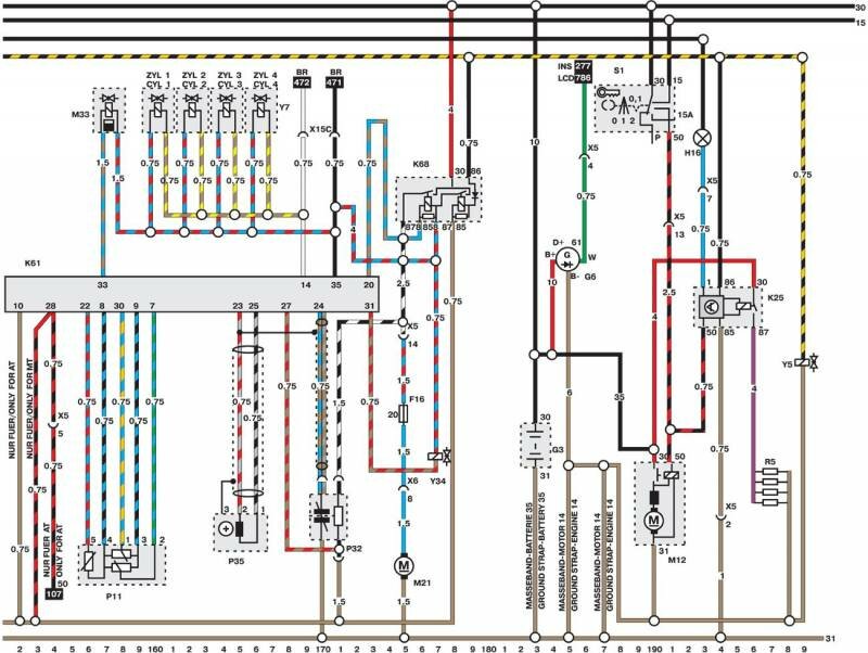
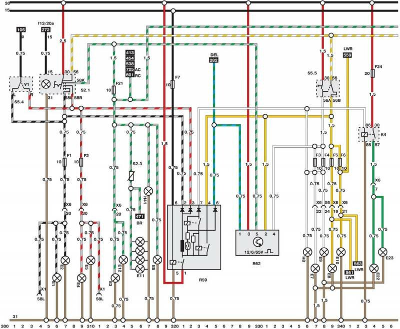
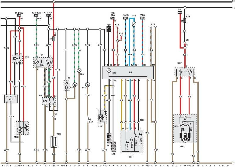
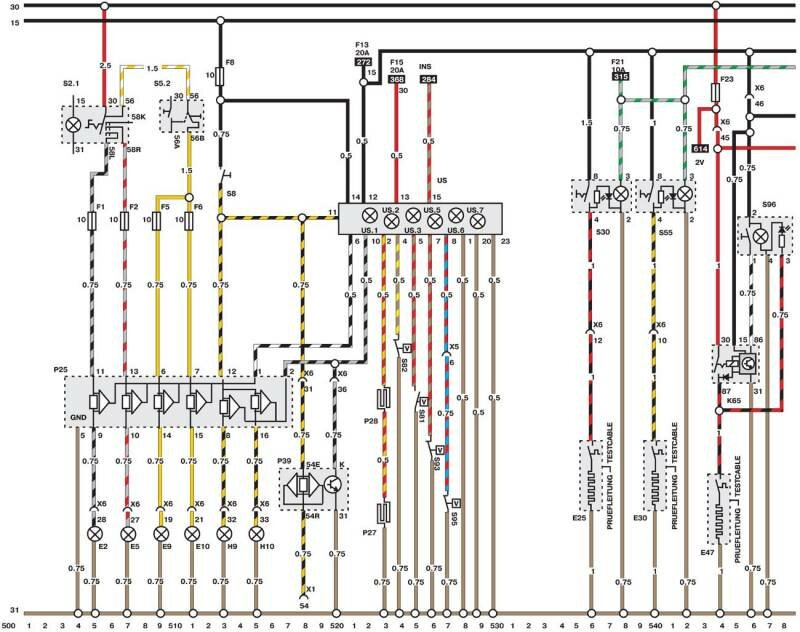
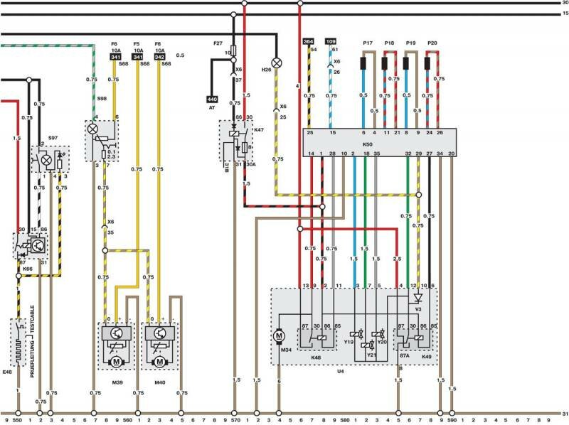
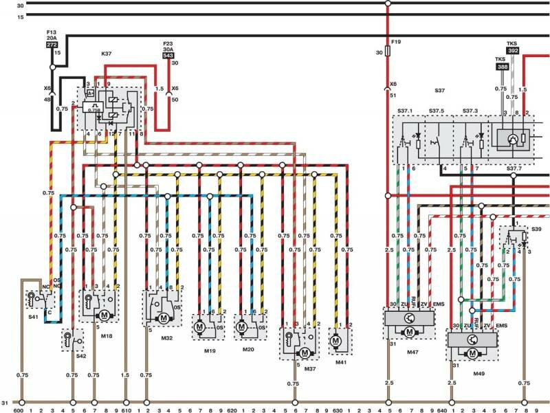
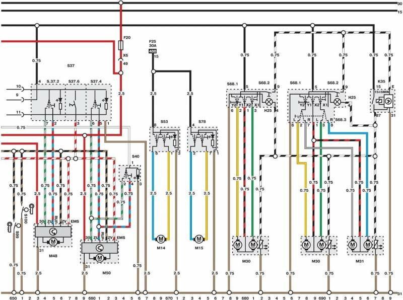
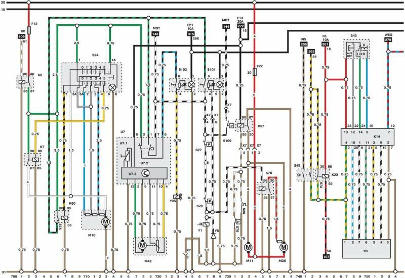
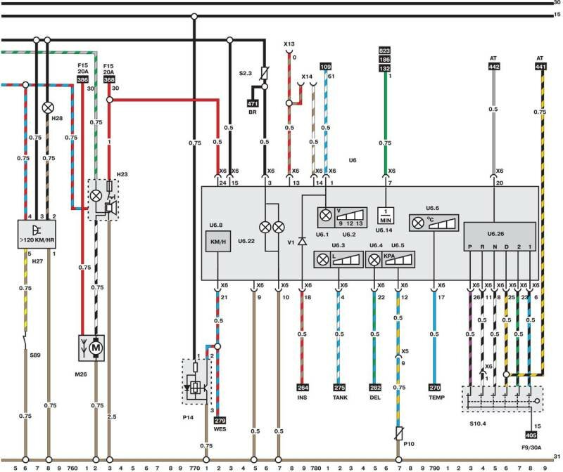
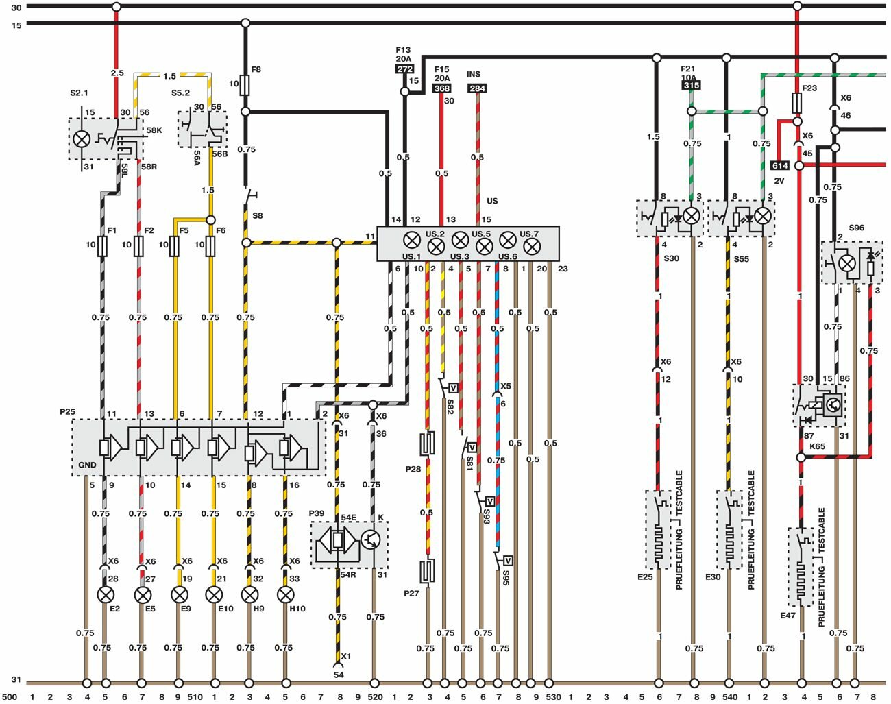
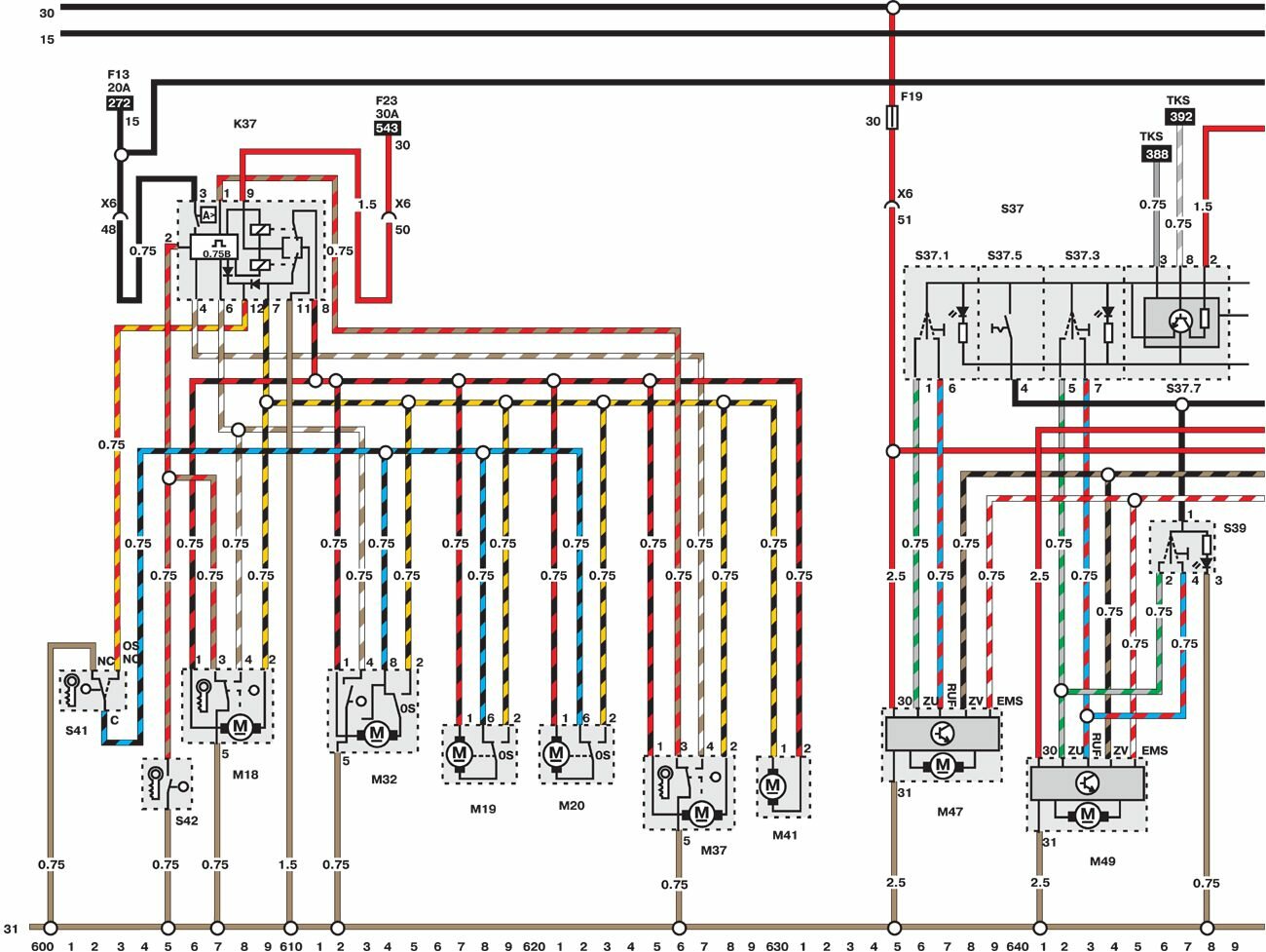
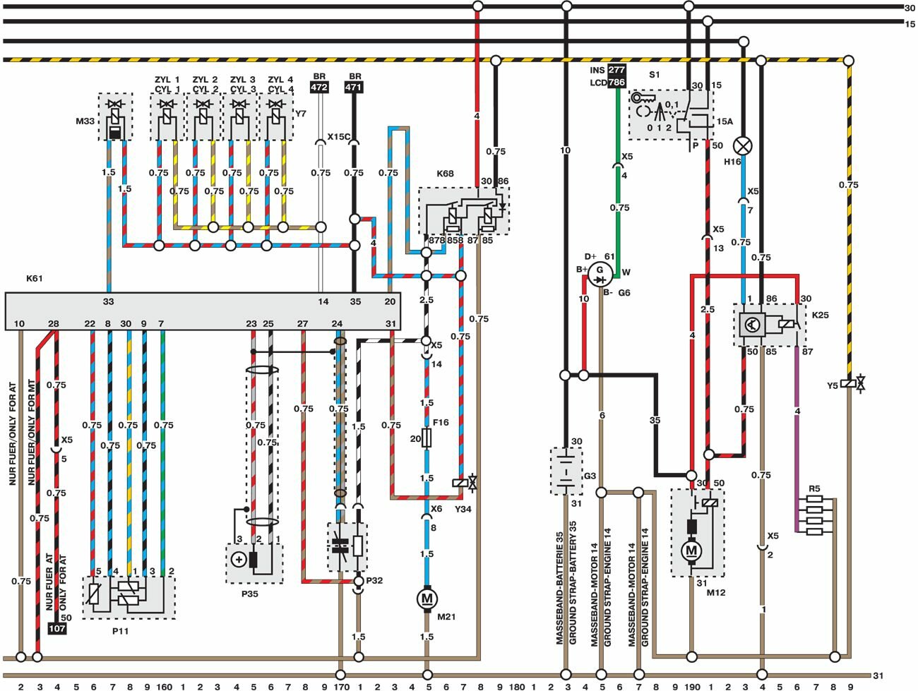
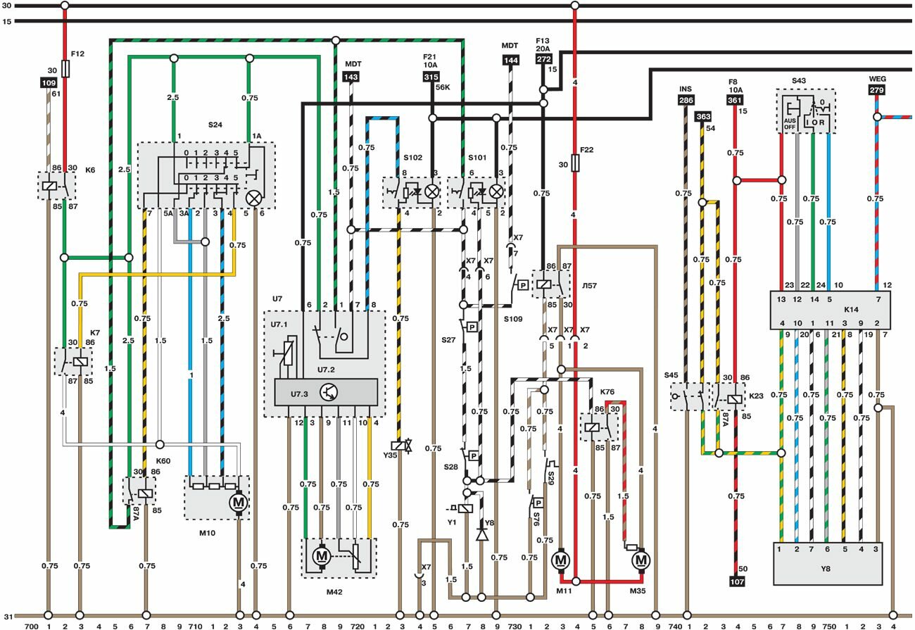
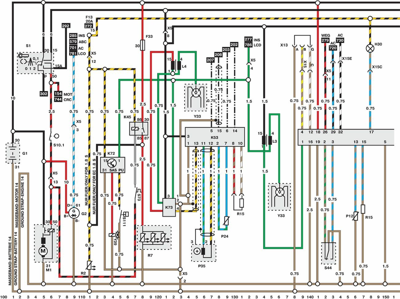
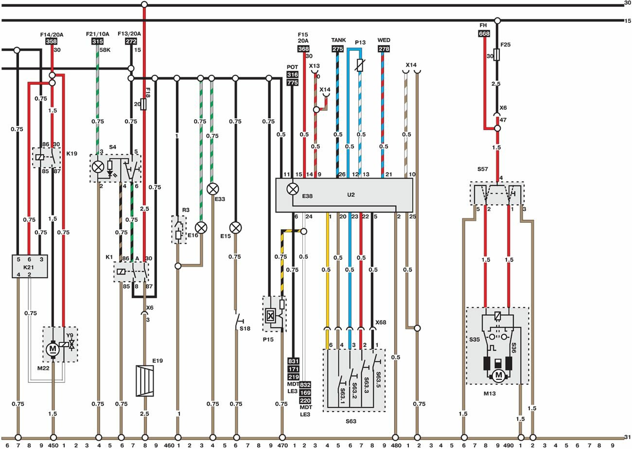
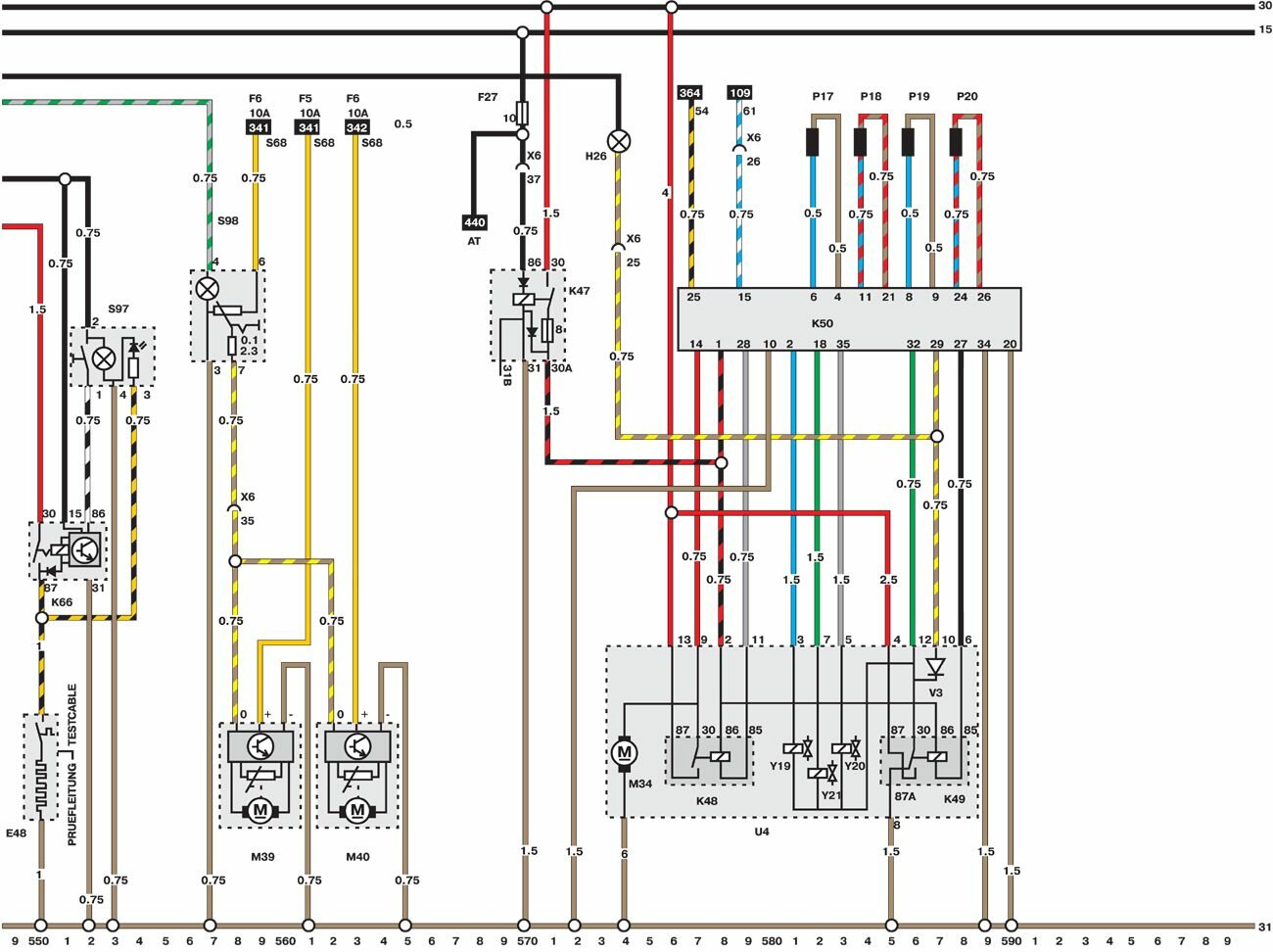
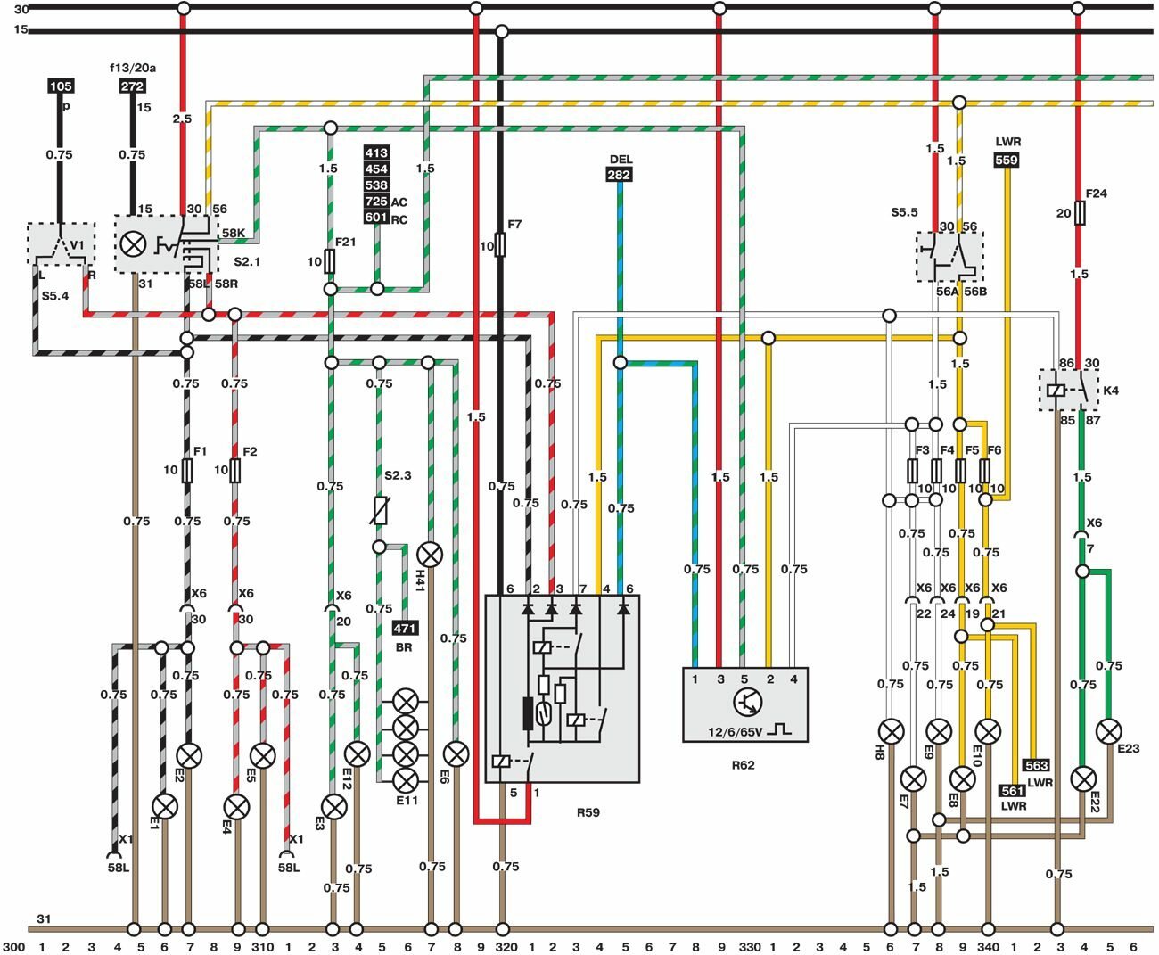
Цветные электросхемы автомобиля Опель Омега. Все схемы в отличном качестве и с подробным описанием компонентов. Чтоб бесплатно скачать необходимую часть схемы - кликните на картинку и сохраните на компьютере. Представленны модули для модели Opel Omega B. Нижняя линия схемы обозначает массу или отрицательное соединение; цифры под этой линией являются номерами дорожек, что позволяет отыскать цепи и элементы при помощи ключа. Линия сверху схемы обозначает положительное соединение. Линия, помеченная номером 30, всегда под напряжением. Линия, помеченная номером 15, находится под напряжением только при включении зажигания.
Электросхемы Опель Омега В














Пояснение к схемам авто Opel Omega:
Е1 Левый подфарник
Е2 Левый габаритный огонь
Е3 Лампочка освещения номерного знака
Е4 Правый подфарник
Е5 Правый габаритный огонь
Е7 Лампочка дальнего света левой фары
Е8 Лампочка дальнего света правой фары
Е9 Лампочка ближнего света левой фары
Е10 Лампочка ближнего света правой фары
Е11 Лампочки освещения приборного щитка
Е13 Лампочка освещения багажника
Е15 Лампочка освещения бардачка
Е16 Лампочка освещения зажигалки
Е17 Левый фонарь заднего хода
Е18 Правый фонарь заднего хода
Е19 Обогреватель заднего стекла
Е20 Левая передняя противотуманная фара
Е21 Правая передняя противотуманная фара
Е24 Левая задняя противотуманнная фара
Е25 Обогреватель сидения водителя
Е27 Задняя левая лампочка освещения салона
Е28 Задняя правая лампочка освещения салона
Е30 Обогреватель сидения пассажира
Е33 Лампочка освещения пепельницы
Е37 Левый козырек
Е39 Правая задняя противотуманная фара
Е40 Правый козырек
Е41 Лампочка освещения салона
Е47 Обогреватель левого заднего сидения
Е48 Обогреватель правого заднего сидения
Е50 Лампочка освещения порожка левой передней двери
Е51 Лампочка освещения порожка правой передней двери
Е52 Лампочка освещения порожка левой задней двери
Е53 Лампочка освещения порожка правой задней двери
Е54 Лампочка освещения задней зажигалки
Е55 Лампочка освещения выключателя обогревателей разбрызгивателей
Е57 Сигнальная лампочка левого обогревателя
Е58 Сигнальная лампочка правого обогревателя
Е59 Сигнальная лампочка заднего обогревателя
F1 и далее Предохранители
G1 Аккумулятор
G2 Генератор Opel Omega
Н1 Радиоприемник/проигрыватель
Н2 Звуковой сигнал
Н3 Сигнальная лампочка указателей поворотов
Н4 Сигнальная лампочка давления масла
Н5 Сигнальная лампочка низкого уровня тормозной жидкости
Н7 Сигнальная лампочка система зарядки аккумулятора
Н8 Сигнальная лампочка включения дальнего света фар
Н9 Левый огонь стоп-сигнала
Н10 Правый огонь стоп-сигнала
Н11 Левый передний указатель поворотов
Н12 Задний левый уплотнительное кольцо
Н13 Передний правый указатель поворотов
Н14 Задний правый указатель поворотов
Н15 Сигнальная лампочка низкого уровня топлива
Н16 Сигнальная лампочка свечей накала
Н17 Сигнальная лампочка указателей поворотов прицепа
Н18 Рожок Opel Omega
Н22 Сигнальная лампочка включения задних противотуманных фар
Н23 Сигнальная лампочка воздушной подушки безопасности
Н25 Сигнальная лампочка обогревателей зеркал заднего вида
Н26 Сигнальная лампочка АБС
Н30 Сигнальная лампочка двигателя
Н33 Левый боковой указатель поворотов
Н34 Правый боковой указатель поворотов
Н36 Верхний фонарь стоп-сигнала
Н37 Динамик на левой передней двери
Н38 Динамик на правой передней двери
Н39 Динамик на левой задней двери
Н40 Динамик на правой задней двери
Н42 Сигнальная лампочка автоматической коробки передач
Н47 Рожок противоугонной сигнализации
Н48 Рожок
Н51 Сигнальная лампочка противобуксовочной системы
Н52 Высокочастотный динамик на левой передней двери
Н53 Высокочастотный динамик на правой передней двери
Н54 Телефон
Н55 Наушники
Н56 Микрофон
Н57 Высокочастотный динамик на левой задней двери
Н58 Высокочастотный динамик на правой задней двери
Н61 Сабвуфер на левой задней двери
Н62 Сабвуфер на правой задней двери
Н63 Сигнальная лампочка иммобилайзера
К3 Реле стартера Opel Omega
К6 Реле кондиционера
К7 Реле вентилятора кондиционера
К8 Реле стеклоочистителя
К10 Реле указателей поворотов
К12 Реле системы дополнительной подачи воздуха
К13 Реле автоматической коробки передач
К14 Реле системы круиз-контроля
К16 Реле насоса
К17 Реле защиты полярности
К19 Реле системы контроля высоты автомобиля
К21 Датчик системы контроля высоты автомобиля
К22 Реле водяного насоса кондиционера
К25 Реле свечей накала
К26 Реле вентилятора
К28 Реле вентилятора
К30 Реле стеклоочистителя заднего стекла
К31 Электронный блок управления воздушной подушки безопасности
К35 Реле обогревателей
К37 Электронный блок управления центрального замка
К41 Электронный блок управления системы гидроусилителя рулевого управления
К42 Реле защиты полярности
К43 Реле инжекторов
К44 Реле топливного насоса
К48 Реле вентилятора
К49 Реле вентилятора
К51 Реле вентилятора охлаждения
К52 Реле вентилятора
К59 Реле подфарников
К60 Реле компрессора
К61 Электронный блок управления двигателя
К63 Реле звукового сигнала
К64 Реле вентилятора кондиционера
К65 Реле обогревателя левого переднего сидения
К66 Реле обогревателя правого переднего сидения
К67 Реле вентилятор охлаждения
К69 Электронный блок управления системы Simtec 56
К70 Электронный блок управления – Турбодизель
К73 Реле дальнего света фар
К80 Реле обогревателя топливного фильтра
К85 Электронный блок управления автоматической коробки передач
К87 Реле дополнительного вентилятора охлаждения
К88 Датчик температуры каталитического конвертера
К94 Электронный блок управления противоугонной сигнализации
К96 Реле вентилятора
К97 Реле насоса омывателей
К101 Реле зеркал заднего вида
К117 Электронный блок управления иммобилайзера
L2 Катушка зажигания
М1 Стартер
М2 Двигатель стеклоочистителей лобового стекла
М3 Вентилятор печки
М4 Вентилятор
М8 Двигатель стеклоочистителя заднего стекла
М10 Вентилятор кондиционера
М11 Вентилятор охлаждения
М18 Привод центрального замка на двери водителя
М19 Привод центрального замка на левой задней двери
М20 Привод центрального замка на правой задней двери
М21 Топливный насос
М22 Компрессор
М24 Насос омывателей фар
М27 Вентилятор забора воздуха
М28 Вентилятор печки
М29 Привод внутреннего зеркала заднего вида
М30 Зеркало заднего вида на двери водителя
М30.1 Двигатель
М30.2 Нагревательный элемент
М30.4 Потенциометр
М31 Зеркало заднего вида на двери пассажира
М31.1 Двигатель Opel Omega
М31.2 Нагревательный элемент
М31.4 Потенциометр
М32 Привод центрального замка на двери пассажира
М33 Регулятор скорости холостого хода
М34 Привод козырька
М35 Вентилятор
М37 Привод центрального замка – крышка багажника/ задняя дверь
М39 Регулятор левой фары
М40 Регулятор правой фары
М41 Привод центрального замка – заслонка горловины топливного бака
М47 Стеклоподъемник на левой передней двери
М48 Стеклоподъемник на правой передней двери
М49 Стеклоподъемник на левой задней двери
М50 Стеклоподъемник на правой задней двери
М54 Реле водяного насоса
М55 Насос омывателей
М57 Водяной насос
М61 Верхний люк
М67 Вентилятор на левой задней двери
М68 Вентилятор на правой задней двери
М72 Регулятор положения сидения водителя
М72.1 Двигатель регулировки высоты переднего сидения
М72.3 Двигатель регулировки продольного положения сидения
М73 Регулятор положения сидения водителя
М73.1 Двигатель регулировки высоты переднего сидения
М73.2 Двигатель регулировки высоты заднего сидения
М73.3 Двигатель регулировки продольного положения сидения
М73.4 Двигатель регулировки спинки
М74 Регулятор положения сидения пассажира
М74.1 Двигатель регулировки высоты переднего сидения
М74.2 Двигатель регулировки высоты заднего сидения
М74.3 Двигатель регулировки продольного положения сидения
М74.4 Двигатель регулировки спинки
Р1 Датчик уровня топлива
Р2 Датчик температуры охлаждающей жидкости
Р4 Датчик уровня топлива в топливном баке
Р5 Датчик температуры охлаждающей жидкости на приборном щитке
Р7 Тахометр
Р13 Датчик температуры внешнего воздуха
Р17 Датчик АБС на переднем левом колесе
Р18 Датчик АБС на переднем правом колесе
Р19 Датчик АБС на заднем левом колесе
Р20 Датчик АБС на заднем правом колесе
Р25 Датчик перегорания лампочки
Р27 Датчик износа тормозных накладок на левом переднем колесе
Р28 Датчик износа тормозных накладок на правом переднем колесе
Р29 Датчик температуры воздуха
Р30 Датчик температуры охлаждающей жидкости
Р32 Кислородный датчик
Р34 Датчик положения дроссельной заслонки
Р35 Датчик положения коленчатого вала
Р36 Кислородный датчик
Р37 Телефонная антенна
Р39 Датчик перегорания лампочек на прицепе
Р43 Спидометр
Р44 Датчик потока воздуха
Р46 Датчик детонационного сгорания топлива
Р47 Датчик положения распределительного вала
Р48 Датчик скорости на автоматической коробке передач
Р50 Датчик температуры каталитического конвертера
Р51 Датчик положения коленчатого вала
Р53 Левый датчик противоугонной сигнализации
Р54 Правый датчик противоугонной сигнализации
Р56 Датчик детонационного сгорания топлива
Р58 Датчик целостности левого заднего стекла
Р59 Датчик целостности правого заднего стекла
Р63 Принимающее устройство центрального замка
Р64 Датчик температуры каталитического конвертера
Р65 Датчик нагрузки
Р66 Игольчатый датчик
Р67 Датчик положения педали
Р68 Привод впрыскивающего насоса
R3 Зажигалка Opel Omega
R5 Свечи накала
R13 Обогреватель левого разбрызгивателя для лобового стекла
R14 Обогреватель правого разбрызгивателя для лобового стекла
R17 Задняя зажигалка
R19 Резистор вентилятора
S1 Замок зажигания
S2 Выключатели освещения
S2.1 Выключатель фар
S2.2 Выключатель освещения салона
S2.3 Выключатель освещения приборного щитка
S2.4 Звуковой сигнал
S2.5 Регулировка фар
S2.6 Выключатель передних противотуманных фонарей
S2.7 Выключатель задних противотуманных фонарей
S3 Выключатель вентилятора печки
S4 Выключатель оборевателей заднего стекла и зеркал
S5 Выключатель указателей поворотов
S5.2 Выключатель ближнего света фар
S5.3 Выключатель указателей поворотов
S5.4 Выключатель подфарников
S7 Выключатель огней заднего хода
S8 Выключатель огней стоп-сигнала
S9 Выключатель стеклоочистителей лобового стекла
S9.2 Регулятор скорости работы стеклоочистителей
S9.5 Выключатель стеклоочистителя заднего стекла
S11 Датчик низкого уровня тормозной жидкости
S13 Выключатель сигнальной лампочки ручного тормоза
S15 Выключатель лампочки освещения багажника
S17 Выключатель на двери пассажира
S18 Выключатель освещения бардачка
S20 Выключатель сигнальной лампочки давления масла
S20.1 Выключатель компрессора
S20.2 Выключатель компрессора
S20.3 Выключатель компрессора
S24 Выключатель вентилятора кондиционера
S29 Выключатель вентилятора охлаждения
S30 Выключатель обогревателя сидения водителя
S31 Выключатель на левой задней двери
S32 Выключатель на правой задней двери
S33 Выключатель противобуксовочной системы
S37 Блок выключателей стеклоподъемников на двери водителя
S37.1 Выключатель стеклоподъемника левой передней двери
S37.2 Выключатель стеклоподъемника правой передней двери
S37.3 Выключатель стеклоподъемника левой задней двери
S37.4 Выключатель стеклоподъемника правой задней двери
S37.5 Блокировочный выключатель
S37.7 Автоматическое управление
S39 Выключатель стеклоподъемника на задней левой двери
S40 Регулятор положение сидения водителя
S41 Выключатель центрального замка на двери водителя
S42 Выключатель центрального замка на двери пассажира
S43 Выключатель системы круиз-контроля
S45 Выключатель муфты
S47 Выключатель на двери водителя
S49 Выключатель привода козырька
S52 Выключатель аварийной сигнализации
S55 Выключатель обогревателя сидения пассажира
S56 Выключатель вентилятора на задней двери
S58 Температурный выключатель
S59 Выключатель противотуманных фар
S63 Блок выключателей
S63.1 Выключатель бортового компьютера
S63.2 Регулятор часов
S64 Выключатель звукового сигнала
S68 Выключатель привода зеркала заднего вида
S68.1 Регулятор положения зеркала
S68.3 Регулятор наклона зеркала влево/ вправо
S68.4 Выключатель парковочного положения
S82 Выключатель насоса омывателей
S86 Выключатель охранной сигнализации салона
S88 Выключатель вентилятора охлаждения
S92 Выключатель замка крышки багажника
S93 Датчик уровня охлаждающей жидкости
S95 Датчик уровня масла
S96 Выключатель обогревателя заднего левого сидения
S97 Выключатель обогревателя заднего правого сидения
S101 Выключатель компрессора кондиционера
S102 Выключатель кондиционера
S104 Выключатель пониженной передачи
S105 Выключатель зимнего режима работы автоматической коробки передач
S106 Выключатель спортивного/ экономичного режима работы
S109 Выключатель системы увеличения оборотов
S118 Выключатель на автоматической коробке передач
S119 Датчик температуры хладагента
S120 Выключатель замка капота
S128 Датчик температуры хладагента
U4 Модулятор АБС
U4.1 Реле насоса АБС
U4.2 Реле клапанов АБС
U4.3 Насос АБС
U4.5 Передний левый клапан АБС
U4.6 Передний правый клапан АБС
U4.7 Задний левый клапан АБС
U4.8 Электронный блок управления АБС
U4.9 Заглушка
U6 Приборы
U10 Автоматическая коробка передач
U10.1 Соленоид гидротрансформатора
U10.2 Соленоид давления жидкости
U12 Нагревательный элемент топливного фильтра
U12.1 Датчик температуры
U12.2 Резистор
U13 Автоматическая коробка передач
U13.1 Соленоид – передачи 2/ 3
U13.2 Соленоид – передачи 1/ 2 и 3/ 4
U13.3 Соленоид гидротрансформатора
U13.4 Соленоид датчика температуры масла
U15 Дисплей
U16 Дисплей
U18 Усилитель антенны
U20 Контактный модуль воздушной подушки безопасности
U21 Модуль воздушной подушки безопасности водителя
U21.1 Пиропатрон
U22 Модуль воздушной подушки безопасности пассажира
U22.1 Пиропатрон
U23 Эквалайзер
U24 CD-ченджер
V8 Диод компрессора
Y1 Муфта компрессора кондиционера
Y5 Соленоид Opel Omega
Y7 Инжекторы
Y9 Соленоид
Y14 Клапан системы кондиционирования
Y15 Соленоид системы дополнительной подачи воздуха
Y18 Соленоид системы рециркуляции выхлопных газов
Y19 Соленоид на впускном коллекторе
Y20 Соленоид системы впрыска топлива
Y25 Соленоид системы гидроусилителя рулевого управления
Y34 Вентиляционный клапан топливного бака
Y35 Клапан кондиционера
Y46 Соленоид впускного коллектора
Y47 Соленоид ручного тормоза
X13 Диагностический разъем подключения
X15 Заглушка выбора октанового числа бензина
X54 Заглушка в системе зажигания
X1 и далее Разъемы подключения
РЕМОНТ АВТОЭЛЕКТРОНИКИ ЗАРЯДНЫЕ УСТРОЙСТВА ДЛЯ АКБ

|