Цветные схемы автомобиля Nissan Qashqai с 2007 и Nissan Qashqai +2 с 2008 года полностью на русском языке, вы можете бесплатно посмотреть в данном материале. На электросхемах имеются модули антиблокировочной системы тормозов, системы управления двигателем, подключение всех фар и т.д. Информация взята из открытых справочников и бесплатно предоставляется для работников СТО, а также автоэлектриков-самодельщиков. Внизу страницы имеются и фотографии блоков реле и предохранителей Ниссан Кашкай, с указанием функций каждого предохранителя. Это первая часть. Остальные электросхемы для этого автомобиля смотрите тут.
Схема Nissan Qashqai
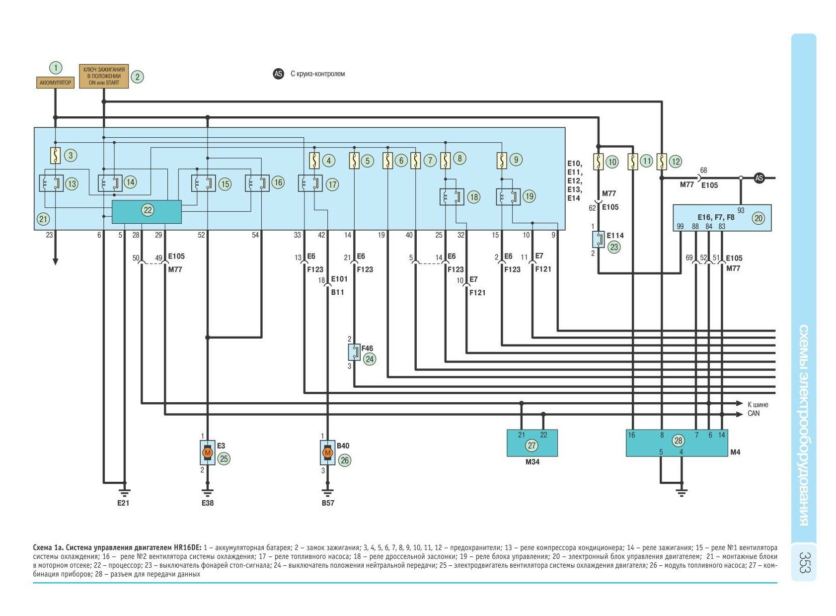
Система управления двигателем HR16DE

Датчики и клапаны


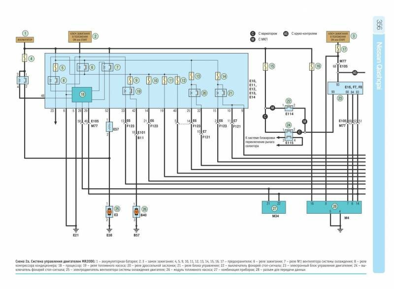
Система управления двигателем MR20DE



Схема управления трансмиссией Nissan Qashqai

Система управления приводом и антиблокировочная система ABS

Схема блока электроусилителя рулевого управления авто

Система пассивной безопасности и сигнализатор ремней - подключение

Система SRS Nissan Qashqai - электросхема

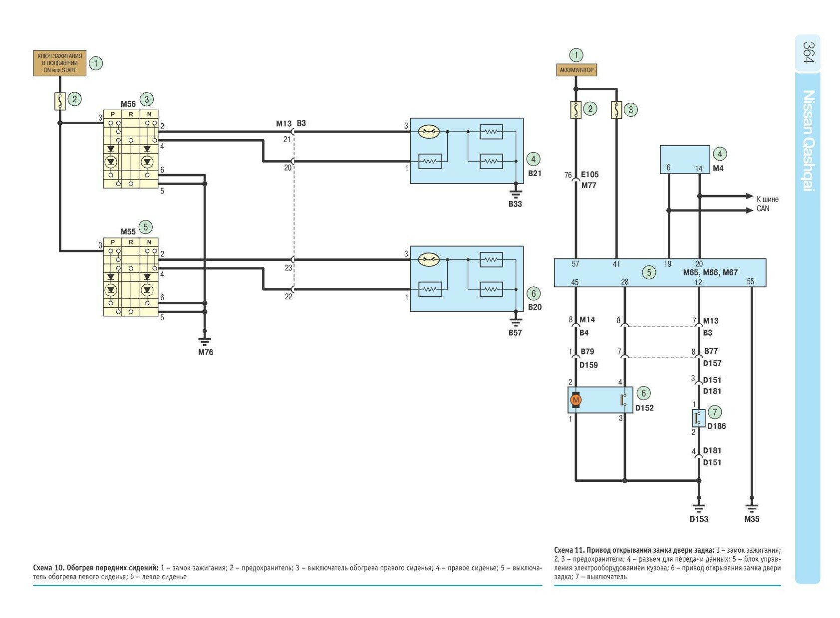
Обогрев сидений и привод открывания замка авто

Схема принципиальная стеклоподъёмников и привода зеркал

Предохранители и реле Nissan Qashqai






РЕМОНТ АВТОЭЛЕКТРОНИКИ ЗАРЯДНЫЕ УСТРОЙСТВА ДЛЯ АКБ

|