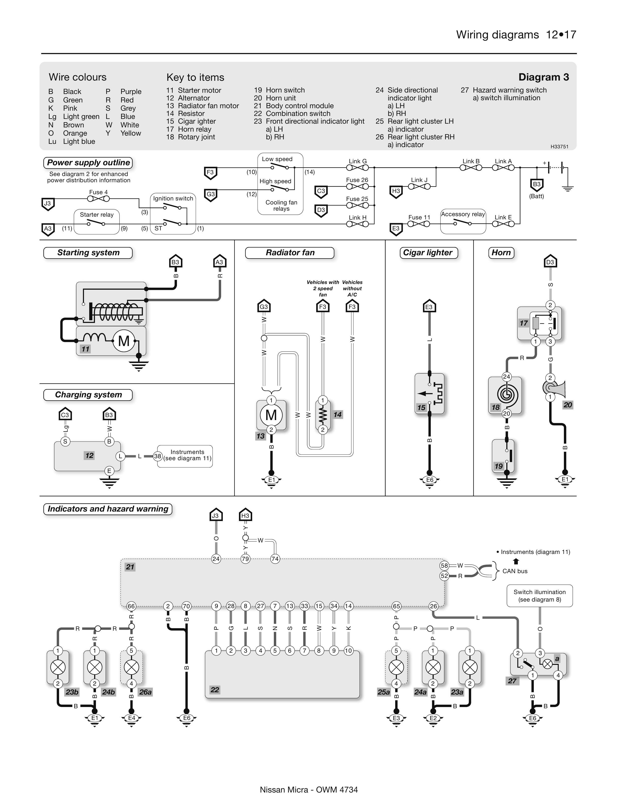
Электрическая система рассматриваемых в данной статье схем автомобия Nissan Micra, работает с напряжением 12 В. Соединение массы проходит через отрицательную клемму батареи. Батарея помещается в переднем левом углу двигательного отсека. Для запуска двигателя используется стартер, выключатель стартера является составной частью замка зажигания и предназначен для возбуждения установленного на стартере тягового реле. Встроенный в панель приборов индикатор заряда указывает на исправную работу электрооборудования, пока заряд батареи в норме. Принципиальные схемы в хорошем качестве и высокой чёткостью, но на английском языке. Дополнительная информация по электрооборудованию Ниссан Микра находится тут.
Обозначение элементов и проводов на схемах Nissan Micra

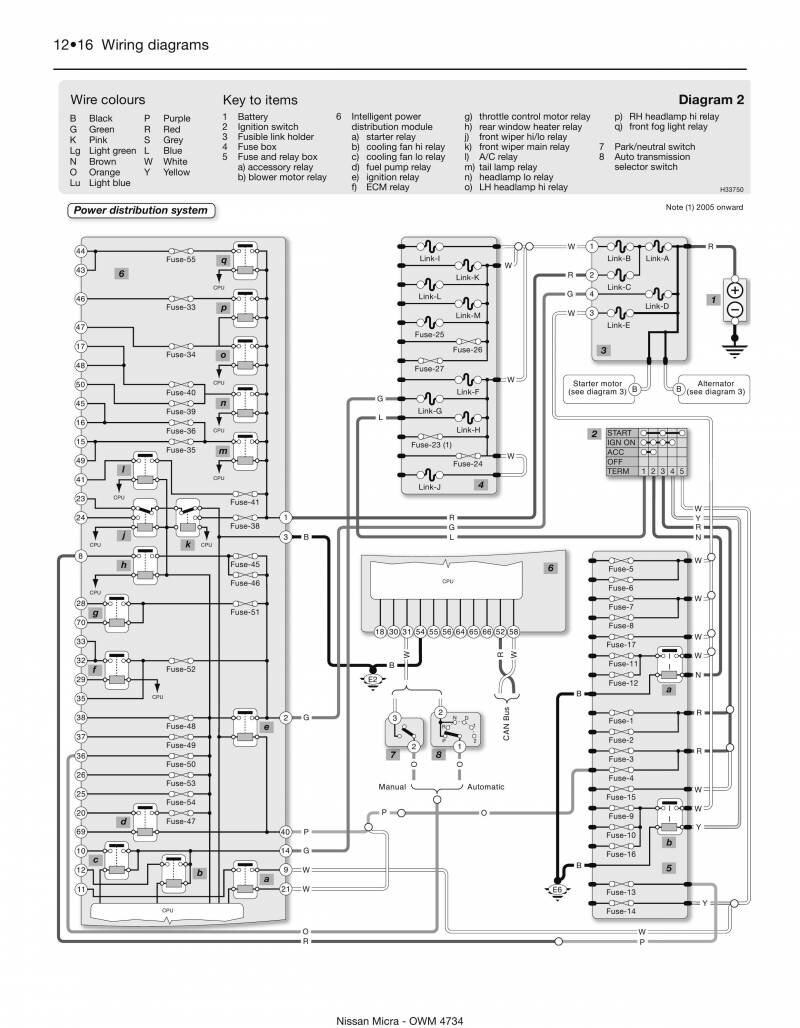
Система распределения электропитания авто

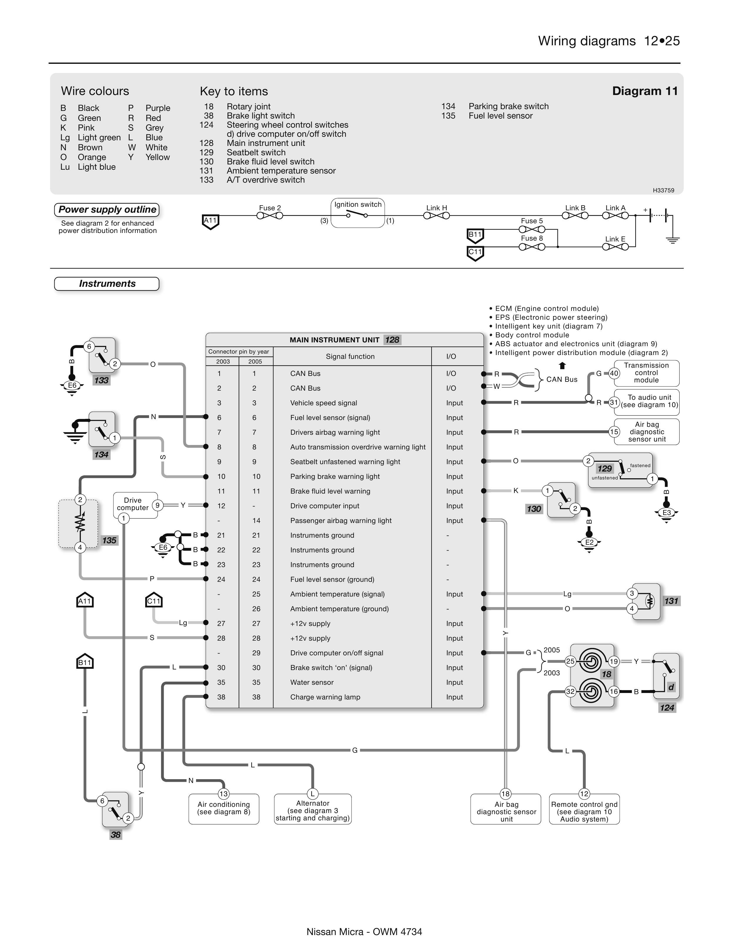
Система зажигания и индикаторные лампы - подключение

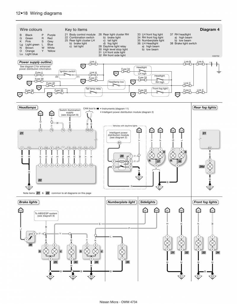
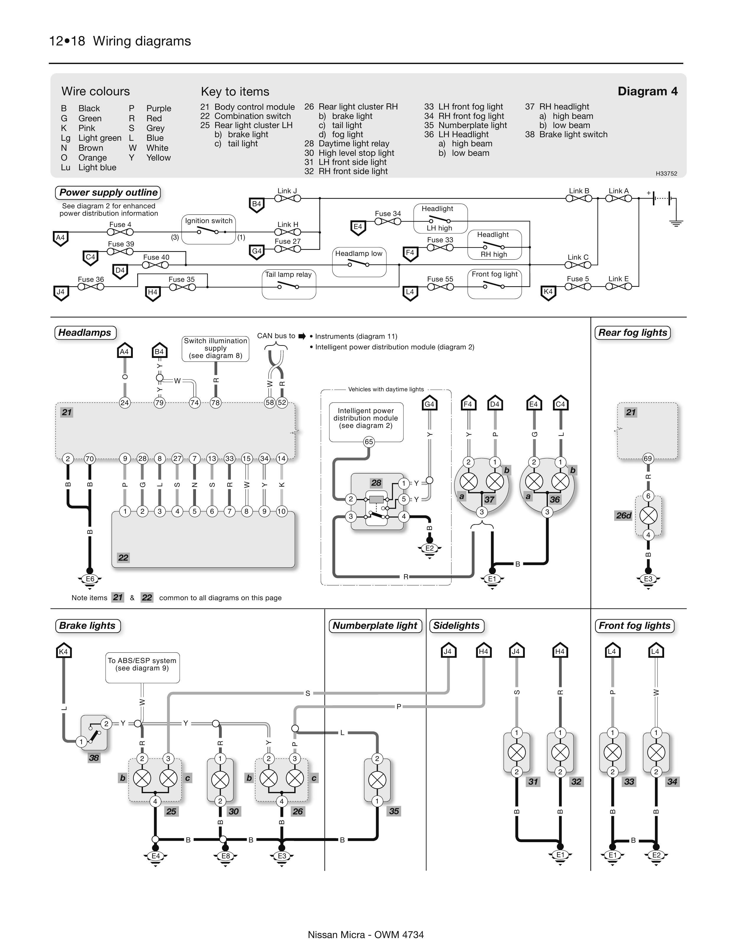
Фары - аварийные, головного света и поворотники

Схема внутреннего освещения и фар заднего хода автомобиля

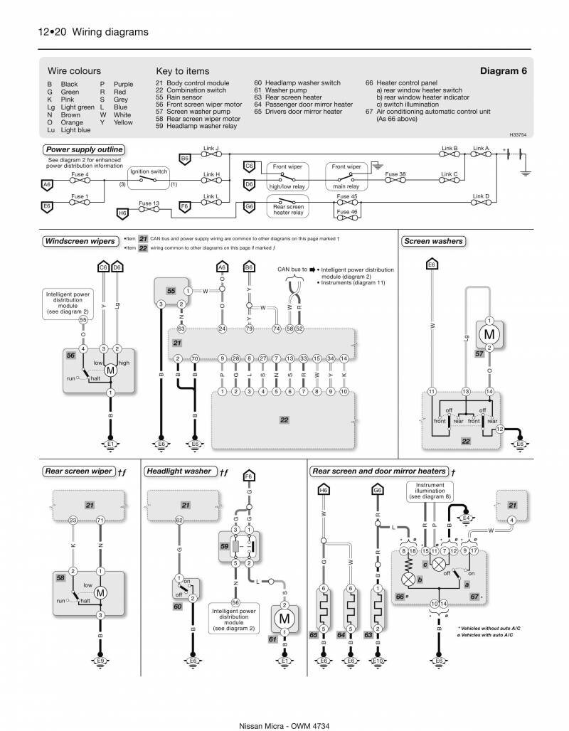
Схема очистителей и омывателей стёкол в Nissan Micra

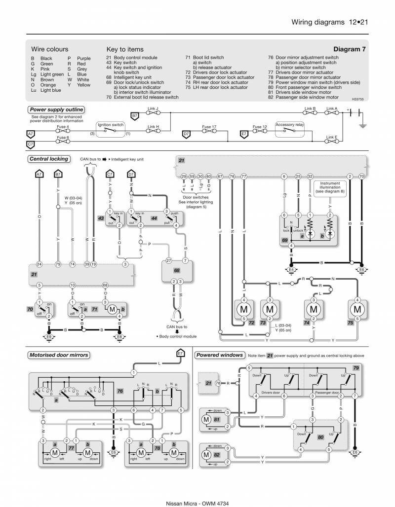
Центральный замок и стеклоподъёмники авто

Кондиционер и подсветка бардачка Ниссан Микра

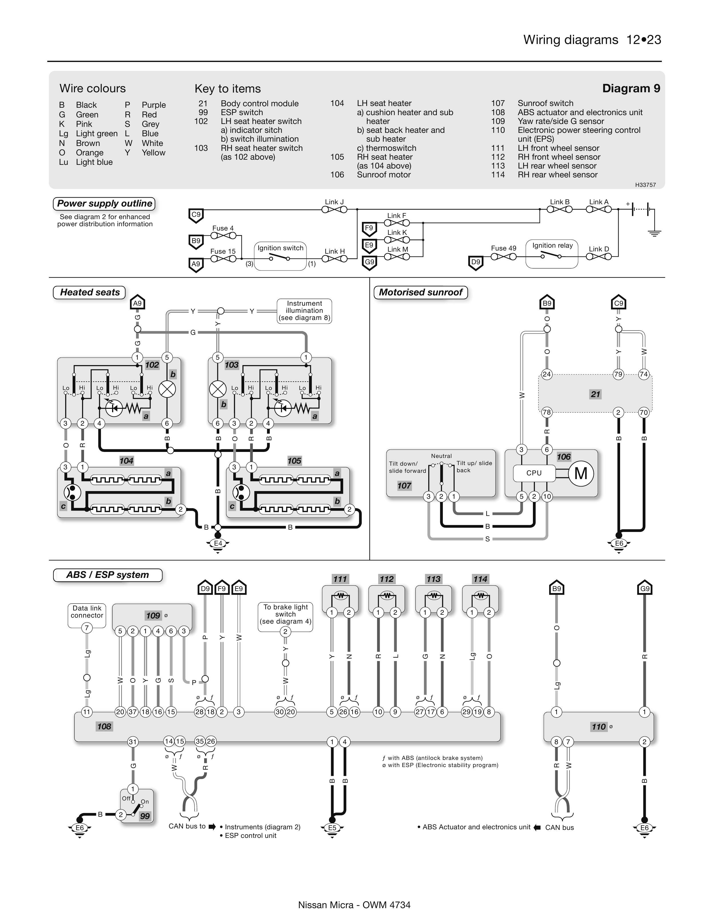
Электродвигатель крышки люка и система ABS

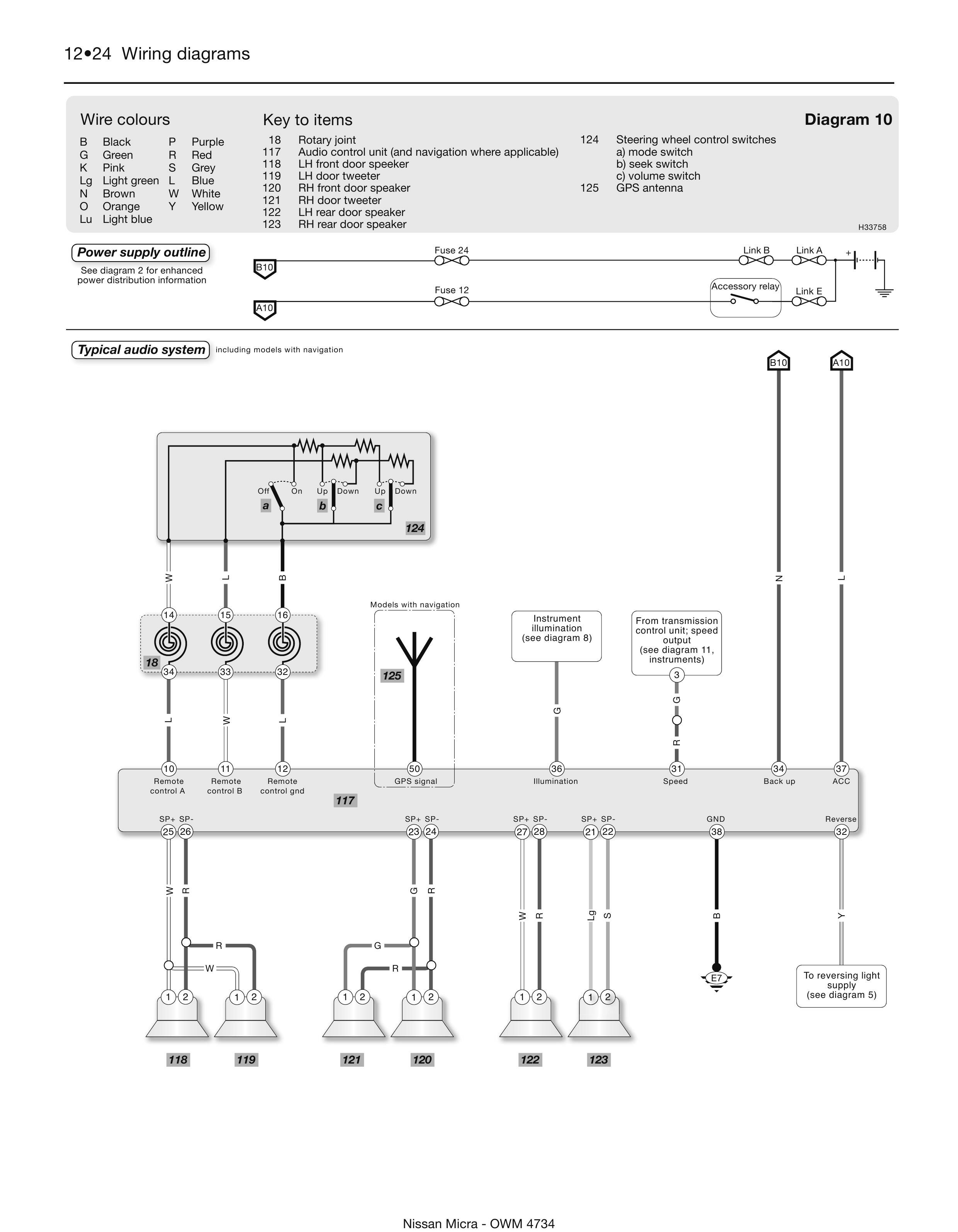
Аудиосистема автомобиля - подключение динамиков

Реле и предохранители Nissan Micra - обозначение, функции и местоположение


РЕМОНТ АВТОЭЛЕКТРОНИКИ ЗАРЯДНЫЕ УСТРОЙСТВА ДЛЯ АКБ

|