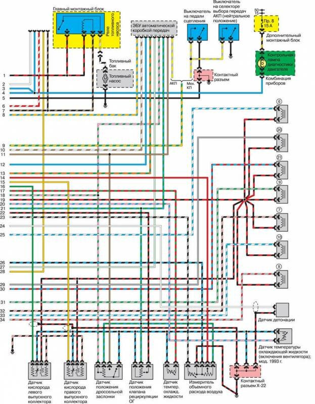
Соединения проводки и электрооборудования двигателя автомобиля Мазда 626. Для увеличения схемы кликните по ней. Показана система управления работой двигателя для модели с 4-цилиндровым двигателем и МКПП 1993-1995 гг. выпуска, модели с 6-цилиндровым двигателем 1993-1995 гг. выпуска, модели с 4-цилиндровым двигателем 1998 г. выпуска. Схемы других модулей электрооборудования Мазда показаны здесь.
Схема системы управления работой двигателя Мазда 626

1. Реле вентилятора N1
2. Реле
3. Контактный разъем 01 4. Выключатель вентилятора
5. Реле вентилятора N2 и 3

6. Продувочный клапан
7. Вентиляционный клапан системы рециркуляции
8. Воздушный клапан системы холостого хода 9. Перепускной клапан
10.Вакуумный клапан системы рециркуляци
Схема системы управления работой двигателя для модели с 4-цилиндровым двигателем и МКПП 1993-1995 гг.

1. Выключатель вентилятора
4. Реле вентилятора охлаждения
11. Датчик давления хладагента кондиционера 12. Фары
13. Контактный разъем Х-03
14. Электронный блок управления

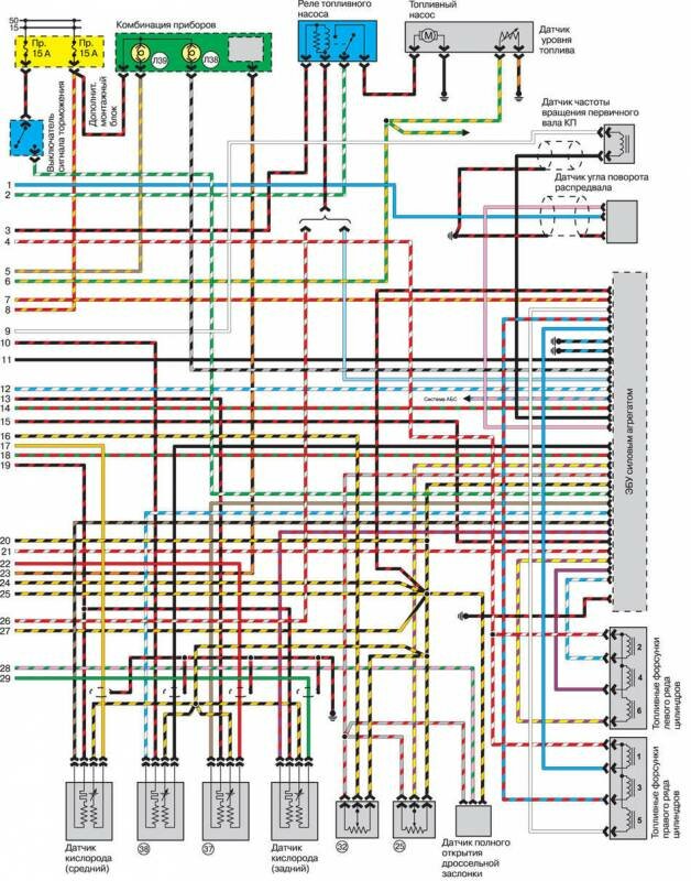
Модели с 6-цилиндровым двигателем 1993-1995 гг. выпуска

2. Реле
3. Реле вентилятора кондиционера
5. Реле вентилятора N2 и 3
7. Реле вентилятора N1
11. Датчик давления хладагента кондиционера 12. Фары головного света
16. Система запуска двигателя/ подзарядки аккумулятора
17. Огни стоп-сигнала
18. Реле и электронный блок управления
19. Диод реле кондиционера

6. Продувочный клапан
7. Вентиляционный клапан системы рециркуляции
8. Воздушный клапан системы холостого хода
9. Перепускной клапан 10. Вакуумный клапан системы рециркуляции
20. Клапан N1 системы дополнительной подачи воздуха
21. Клапан N2 системы дополнительной подачи воздуха
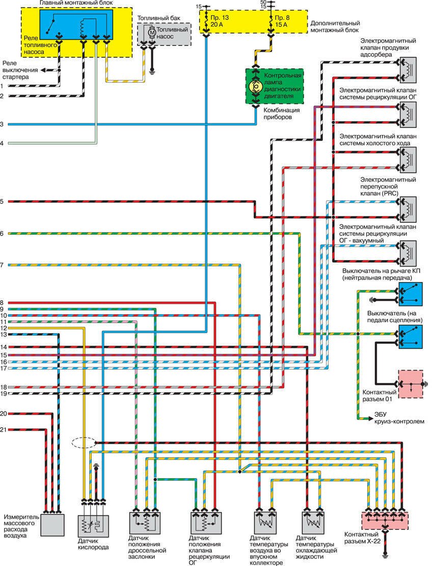
Модели с 4-цилиндровым двигателем 1998 г. выпуска - схема двигателя



25. Датчик положения дроссельной заслонки
32. Датчик давления системы рециркуляции 35. Блокировочный выключатель
36. Выключатель из педали сцепления
6-цилиндровый двигатель Мазда-626 1998 г.

39. Выключатель системы гидроусиления
рулевого управления 40. Вентиляторы охлаждения
41. Кондиционер

6. Продувочный клапан
8. Воздушный клапан системы холостого хода
9. Перепускной клапан
20. Клапан N1 системы дополнительной подачи воздуха
21. Клапан N2 системы дополнительной подачи воздуха 33. Клапан давления системы рециркуляции
34. Клапан отсечки угольного фильтра
41. Блокировочный выключатель
42. Выключатель на педали сцепления

25. Датчик положения дроссельной
заслонки
32. Датчик давления системы рециркуляции 37. Правый передний кислородный датчик
38. Левый передний кислородный датчик
РЕМОНТ АВТОЭЛЕКТРОНИКИ ЗАРЯДНЫЕ УСТРОЙСТВА ДЛЯ АКБ

|