Вторая часть сборника электросхем автомобиля Hyundai Galloper. Все материалы предоставляются бесплатно и доступны для просмотра на сайте без регистрации. Увеличить изображение можно по клику. На схемах авто имеются все основные узлы, предохранители и их номиналы, реле, замок задней двери, стелоочистители и другие элементы электрических цепей для бензинового и дизельного двигателя Hyundai. Начало, с примерами расшифровки схем, можно посмотреть тут.
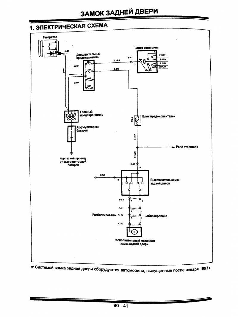
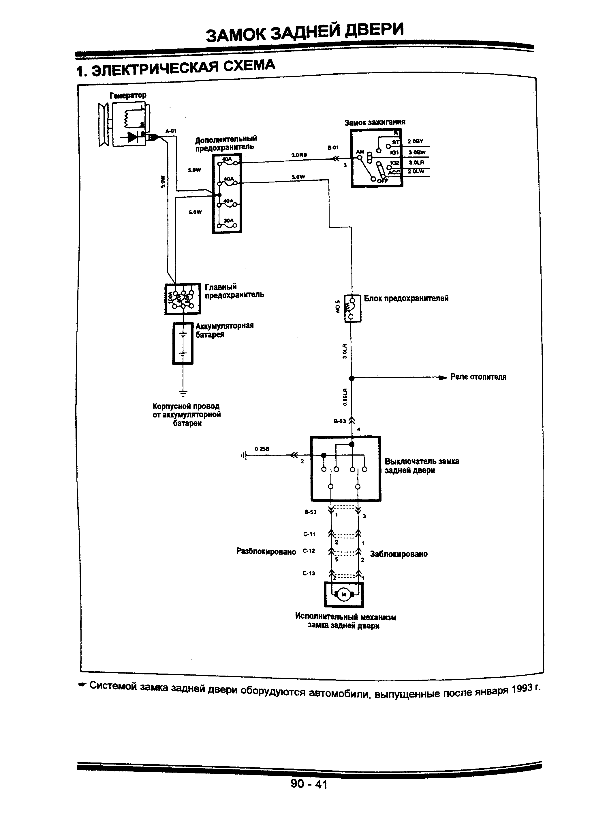
Схема замка задней двери Hyundai Galloper

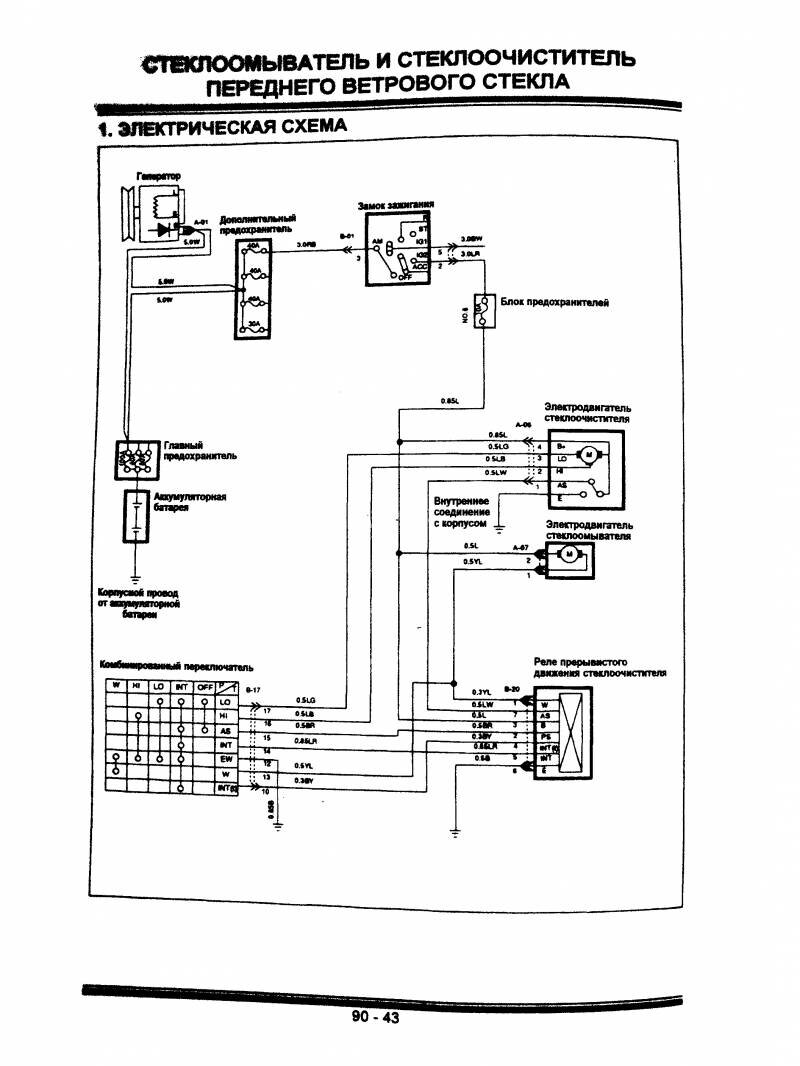
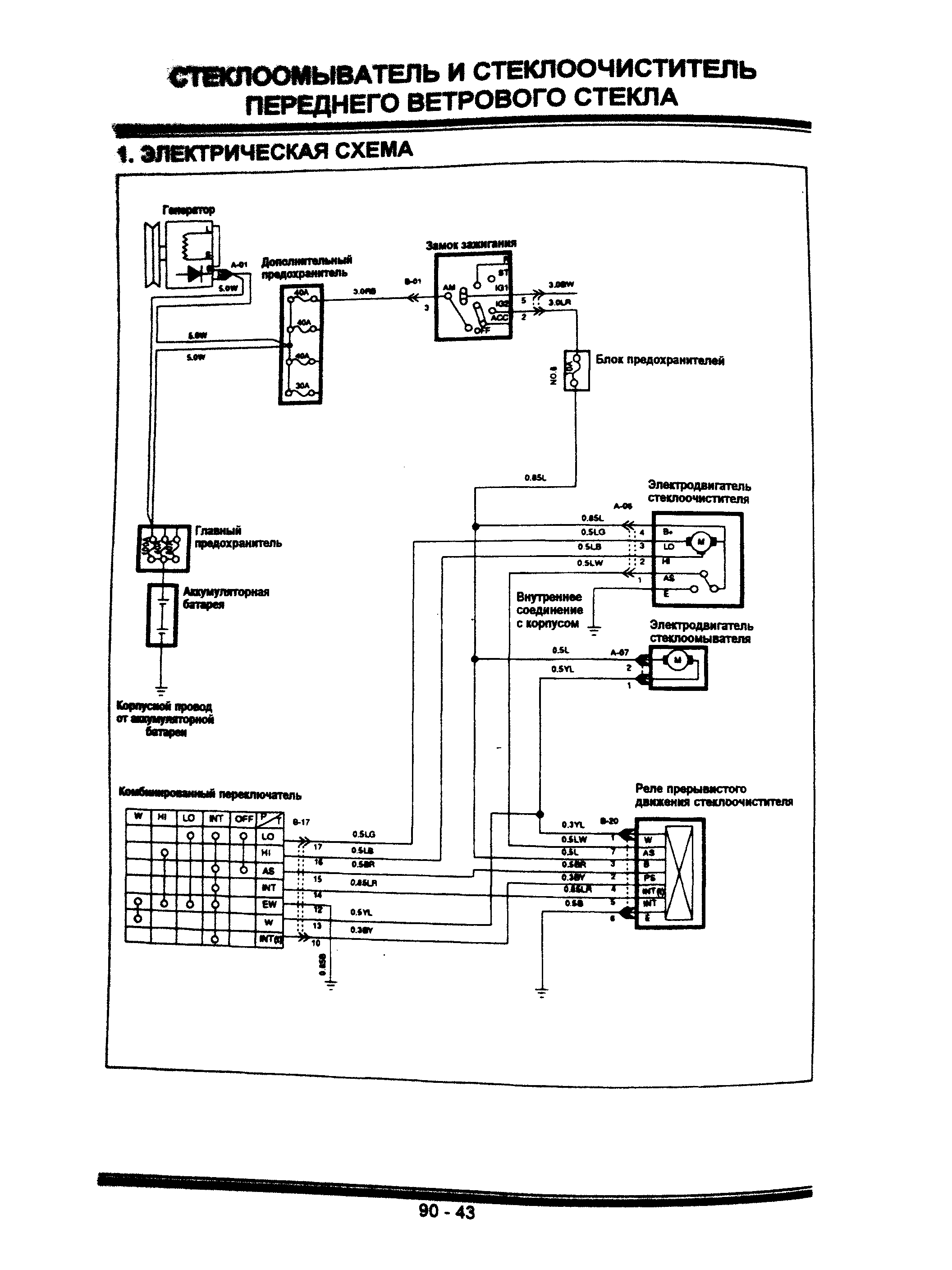
Стеклоомыватели и стеклоочистители ветрового стекла авто

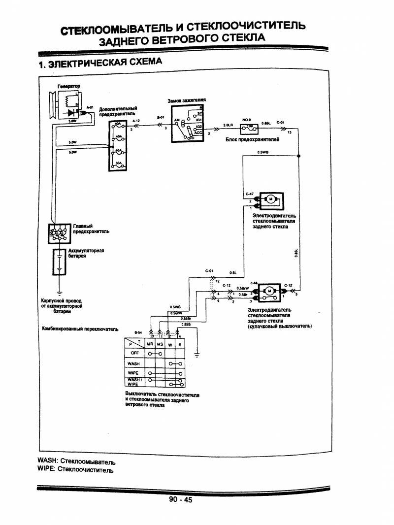
Стеклоомыватели и стеклоочистители заднего стекла

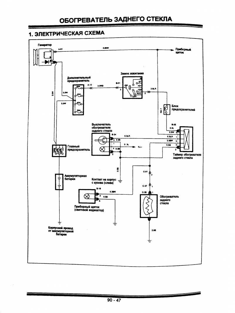
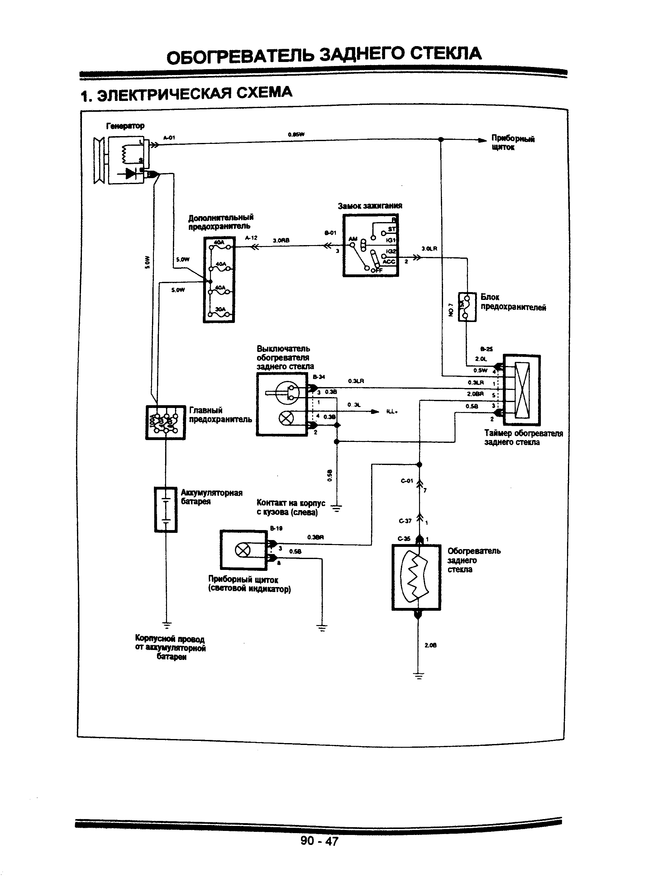
Схема принципиальная обогревателя заднего стекла

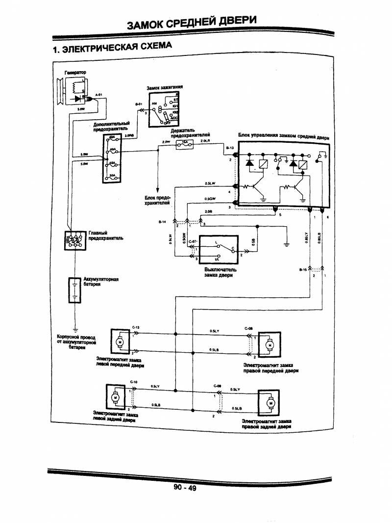
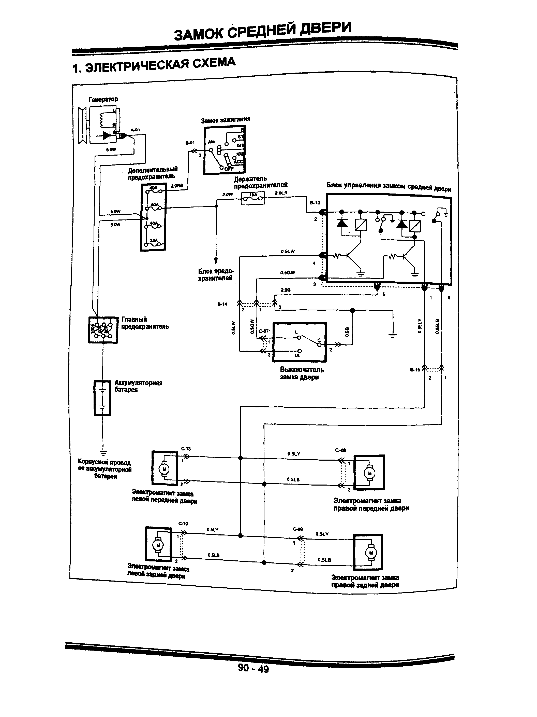
Замок средней двери и его подключение к бортсети

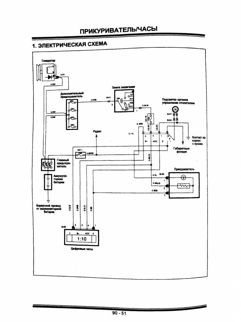
Электросхема часов и прикуривателя Hyundai Galloper

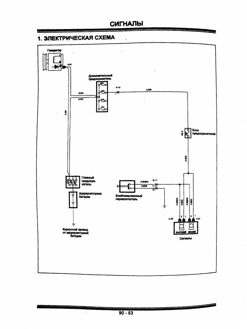
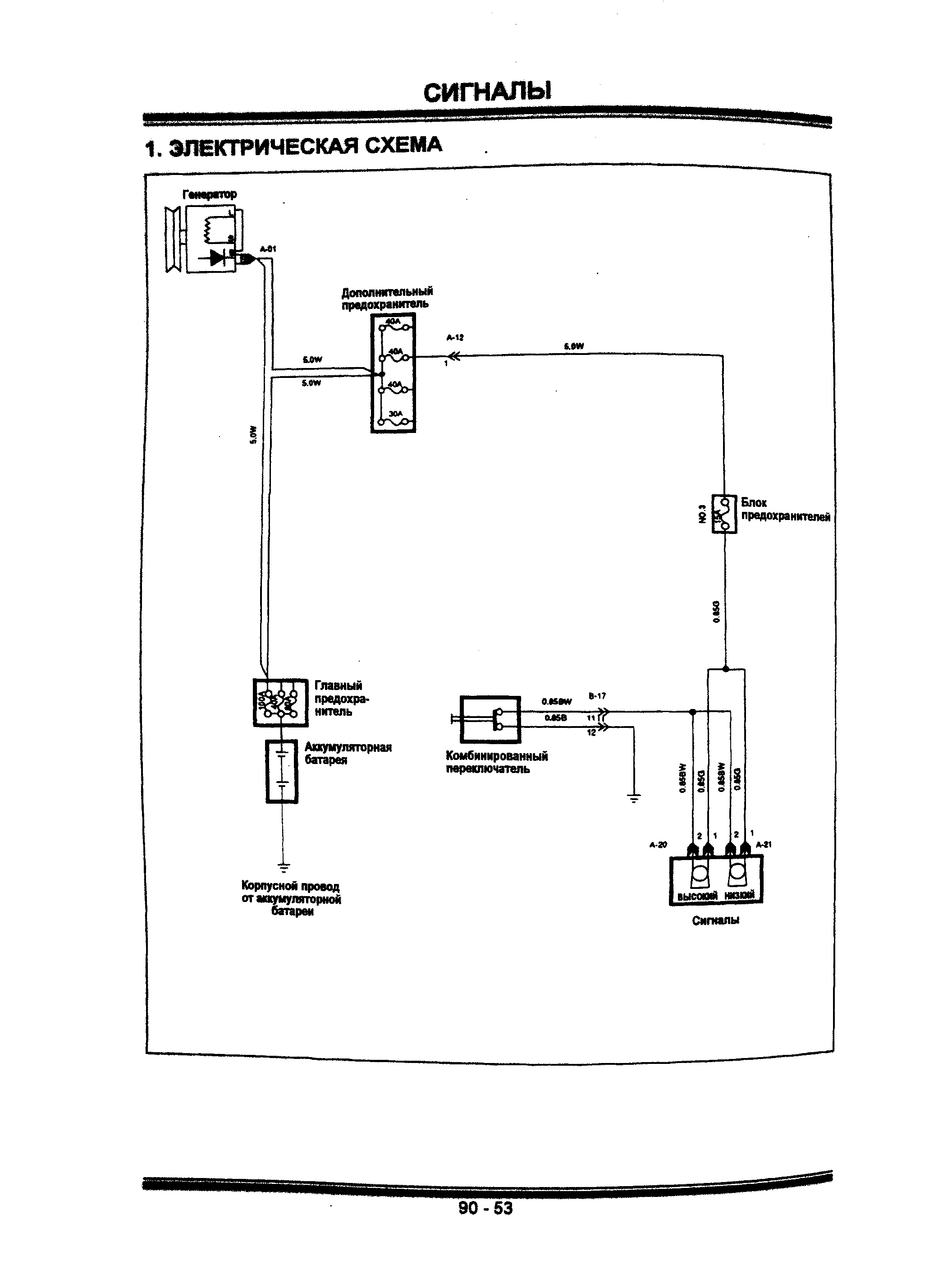
Схема блока сигналов автомобиля

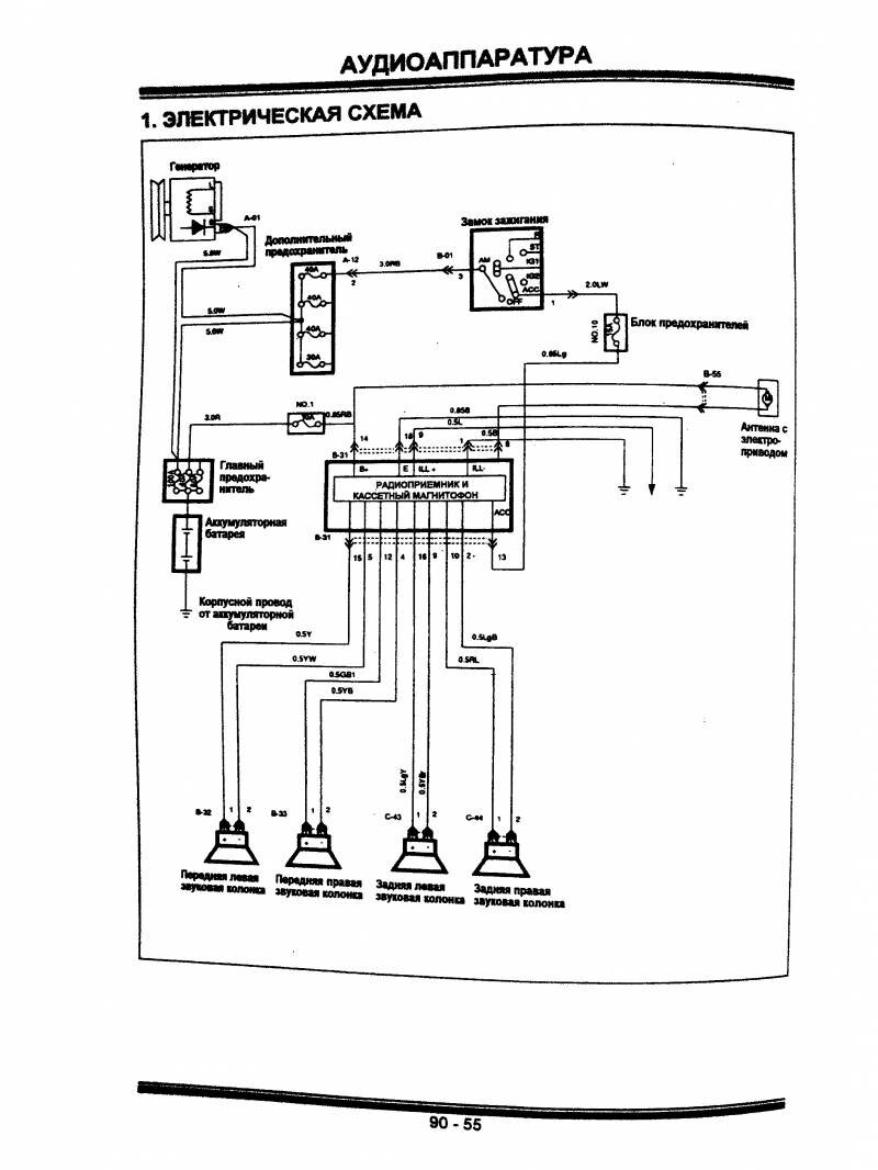
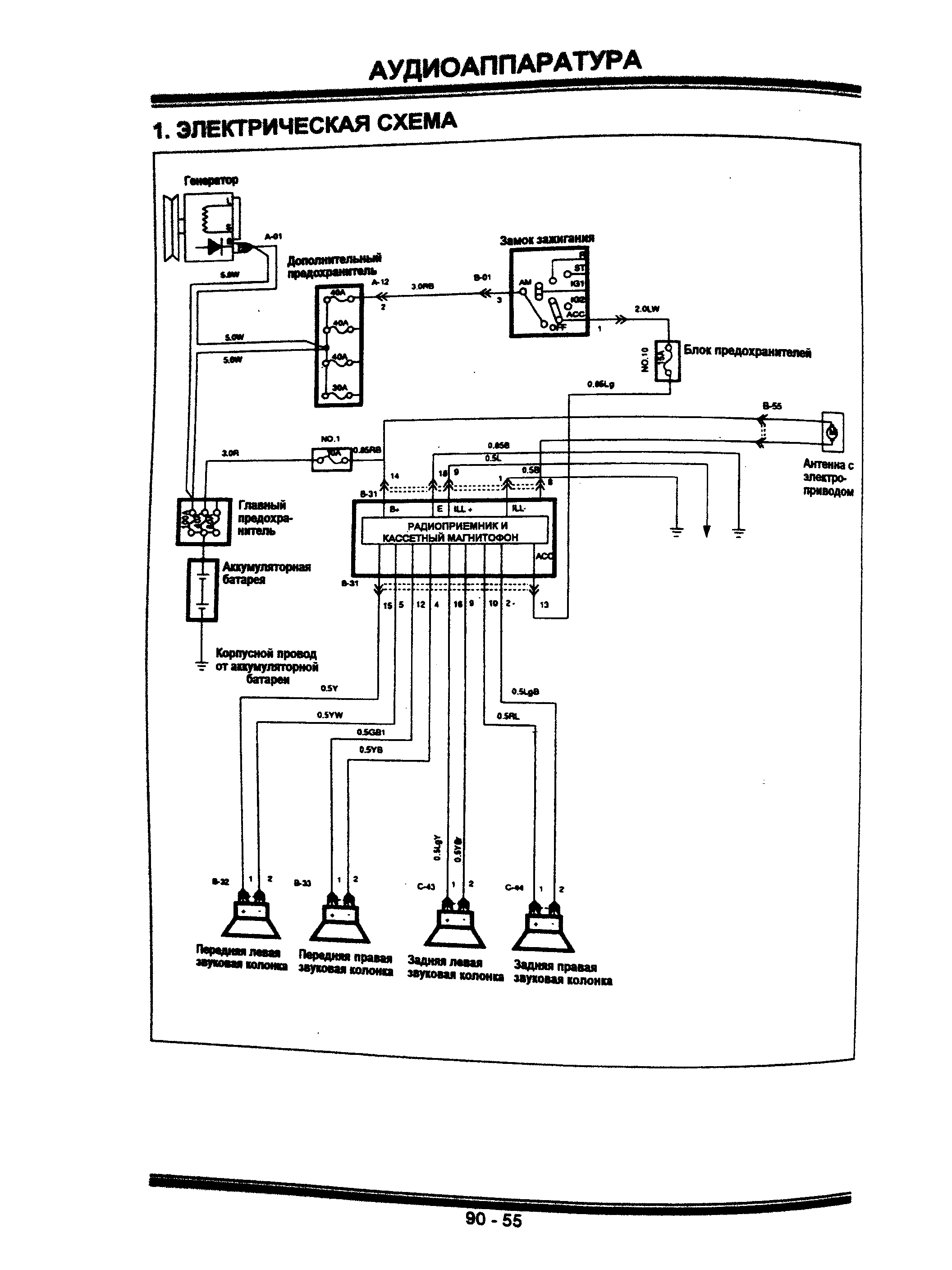
Аудиоаппаратура Хендай Галлопер - радио и колонки

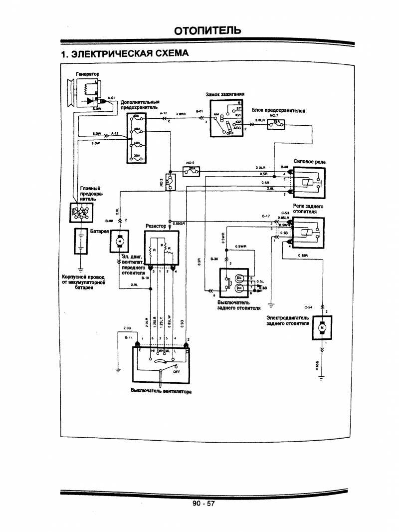
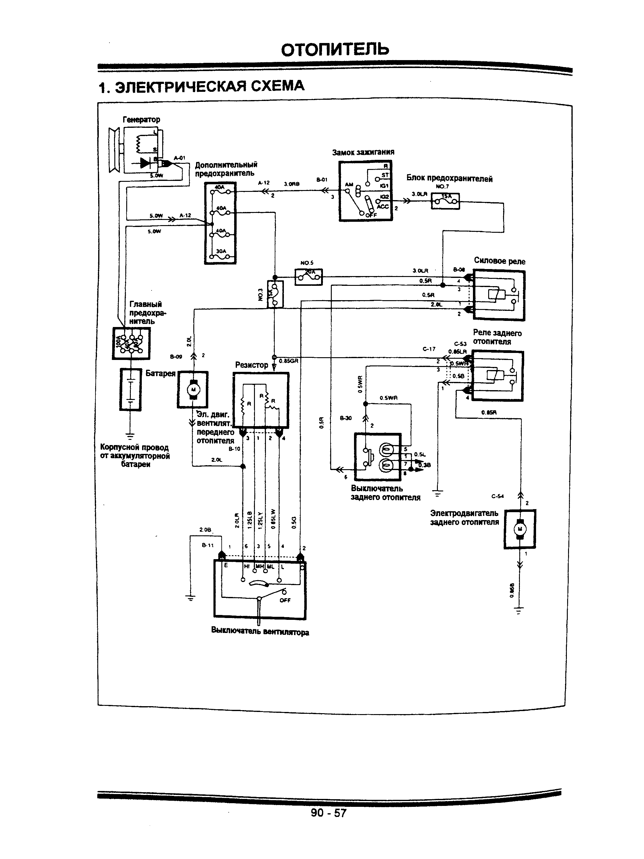
Схема отопителя

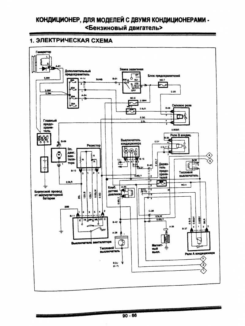
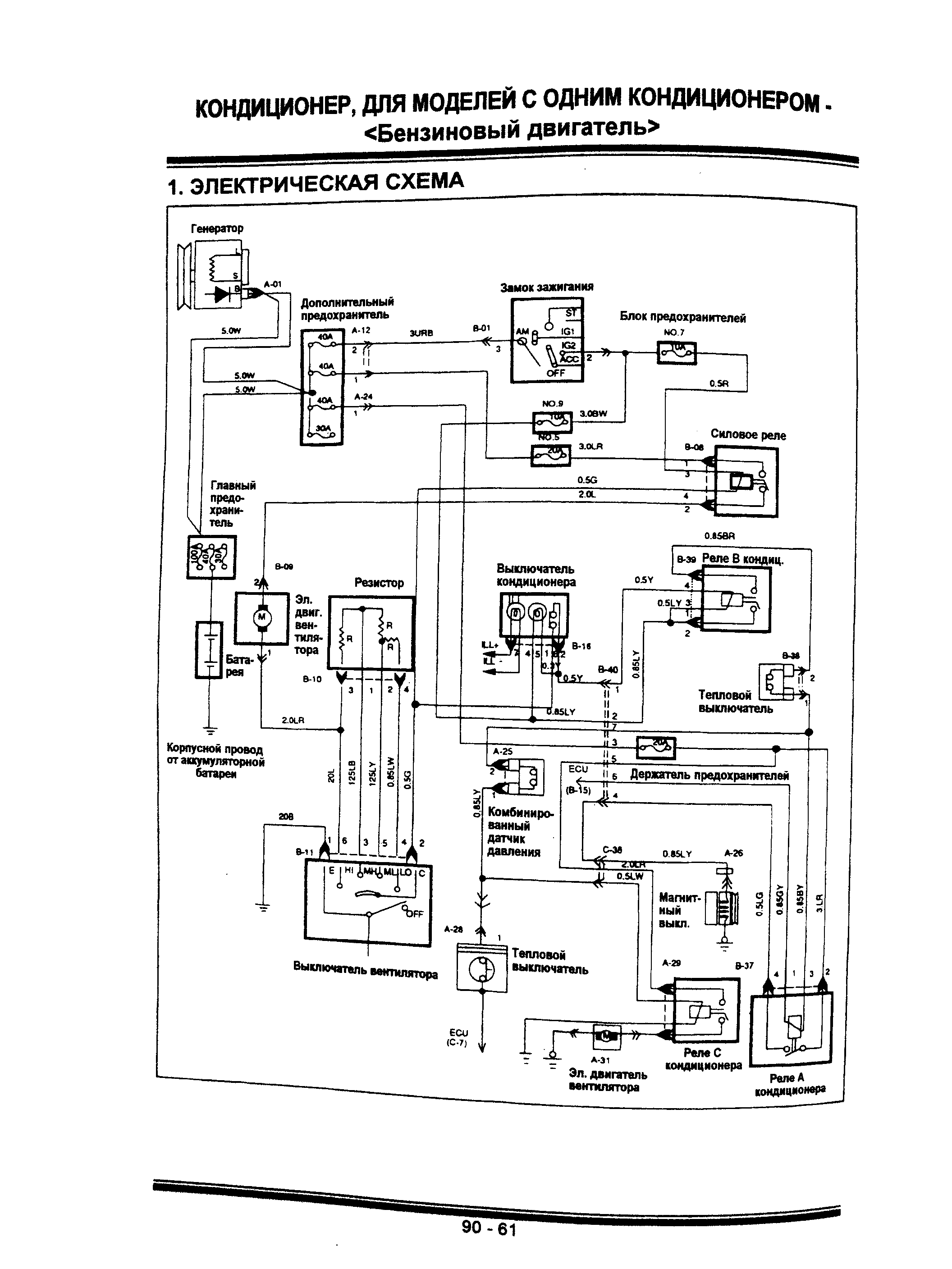
Схема кондиционера - для моделей с бензиновым двигателем

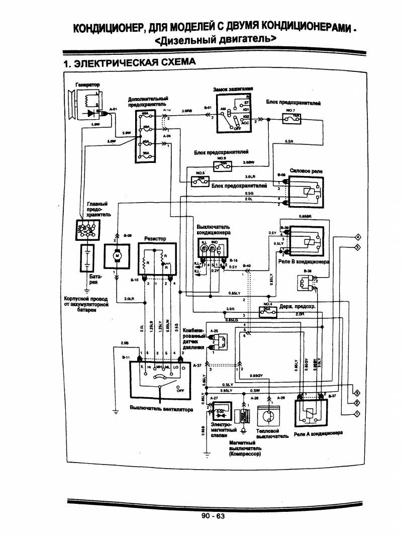
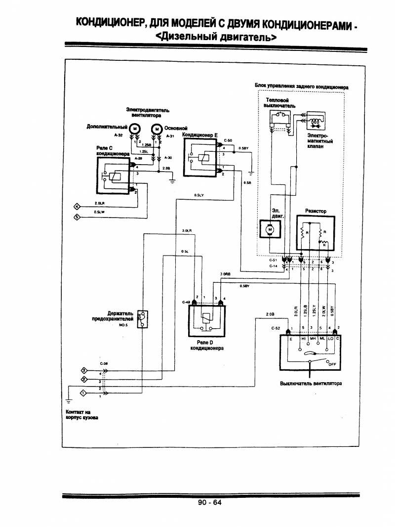
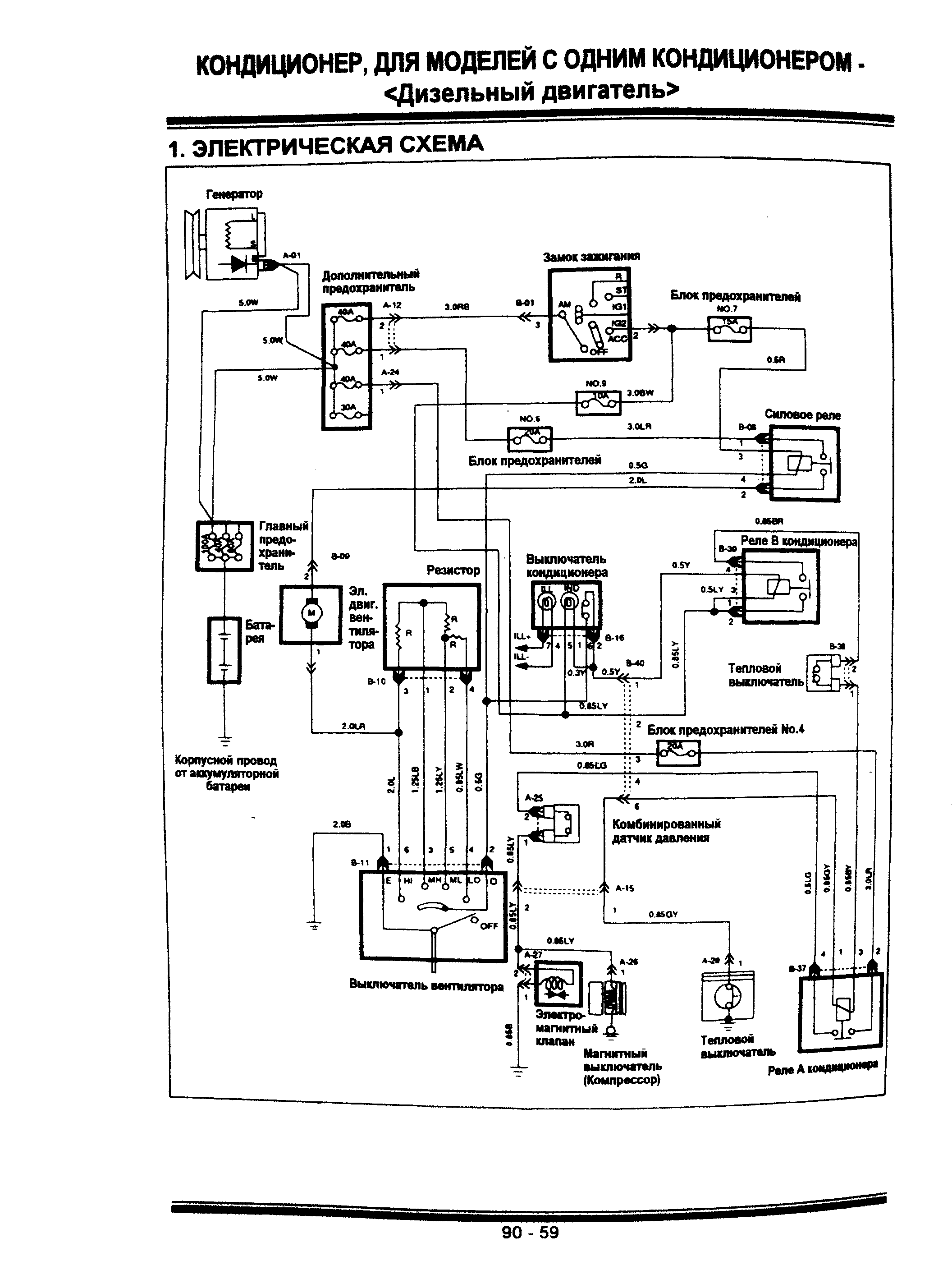
Схема кондиционера - для моделей с дизельным двигателем

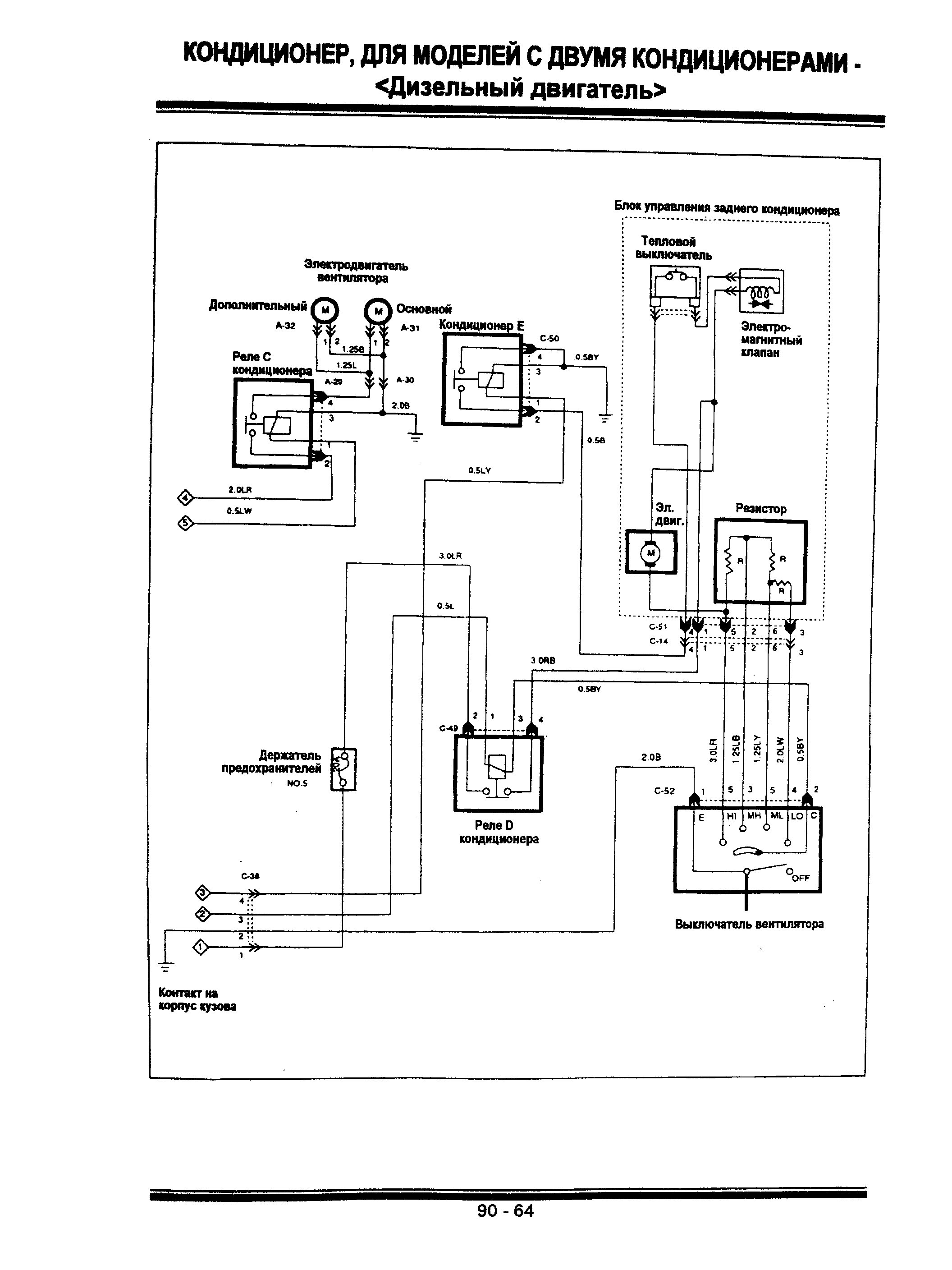
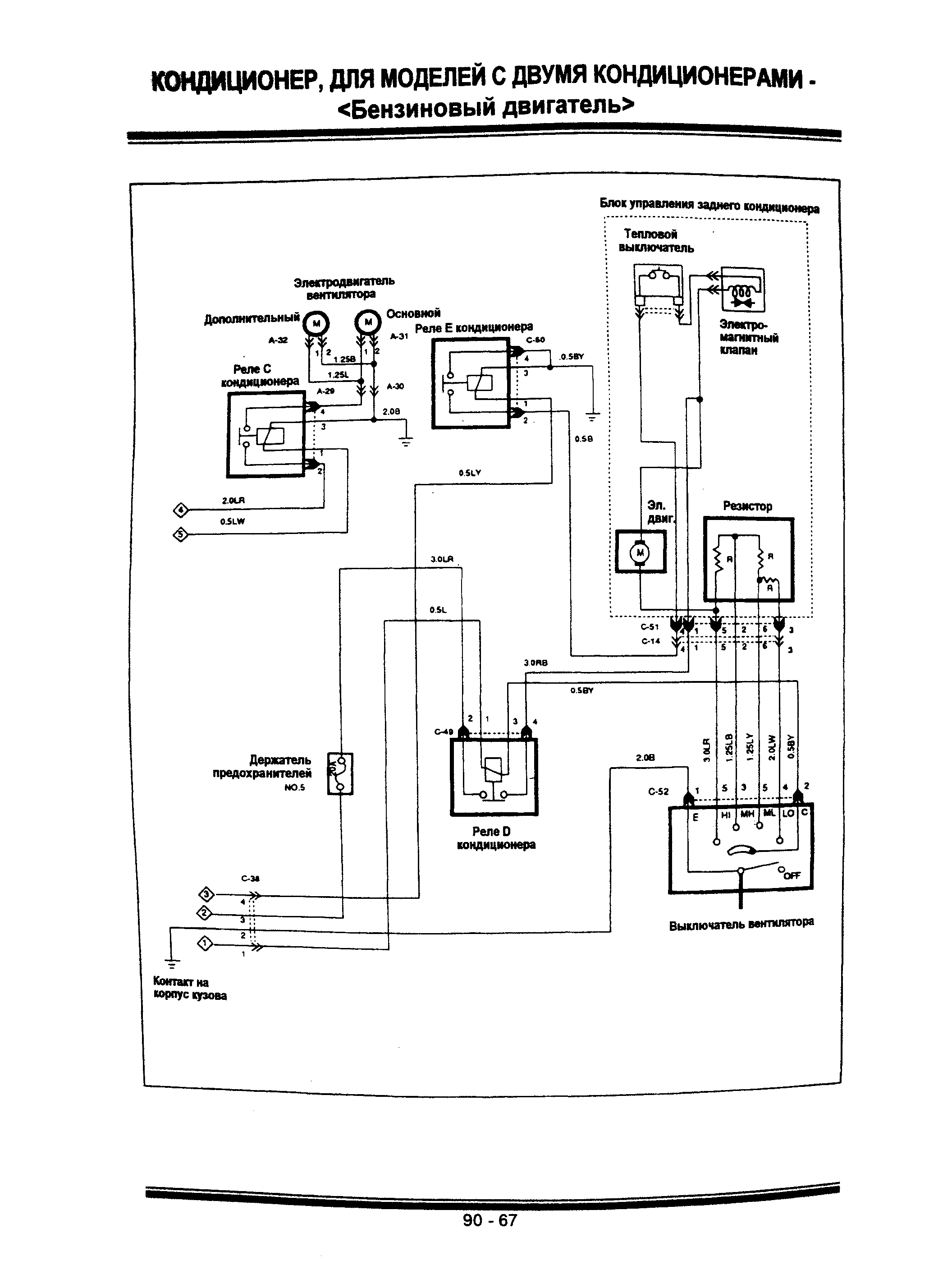
Вариант Hyundai Galloper с двумя кондиционерами




РЕМОНТ АВТОЭЛЕКТРОНИКИ ЗАРЯДНЫЕ УСТРОЙСТВА ДЛЯ АКБ

|