Сборник качественных электрических схем для электрооборудования автомобиля Ford Focus 2 на русском языке - вторая часть. Увеличить и рассмотреть нужную схему можно кликнув на картинку. Показаны модули электронный блок управления освещением, блок зажигания и заряда аккумулятора, комбинация приборов и другие узлы авто. Начало каталога смотрите здесь. Рассмотрим подключение противотуманных фар, ламп внутреннего освещения салона, багажника автомобиля и другие узлы.
Схема противотуманок Форд Фокус 2

Лампы заднего хода авто

Освещение салона и звуковые сигналы

Электросхема центрального замка Ford Focus 2


Схема подключения очистителя стёкол авто


Стеклоподъёмники с электроприводом - схема принципиальная


Обогрев стёкол Форд Фокус 2

Схема соединений подсветки панели приборов

Элементы пассивной безопастности


Электроприводы регулировки и обогрев сидений

Отопление и вентиляция Ford Focus 2

Кондиционер и климат-контроль автомобиля


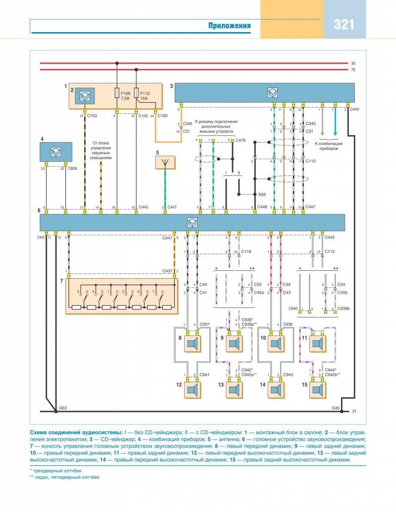
Схема аудиосистемы - подключение динамиков

Соединение комбинации приборов




РЕМОНТ АВТОЭЛЕКТРОНИКИ ЗАРЯДНЫЕ УСТРОЙСТВА ДЛЯ АКБ

|