В данном разделе вы можете бесплатно посмотреть и скачать электросхемы различных модификаций двигателей автомобиля СААБ. А здесь показан полный каталог электросхем для SAAB.
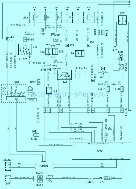
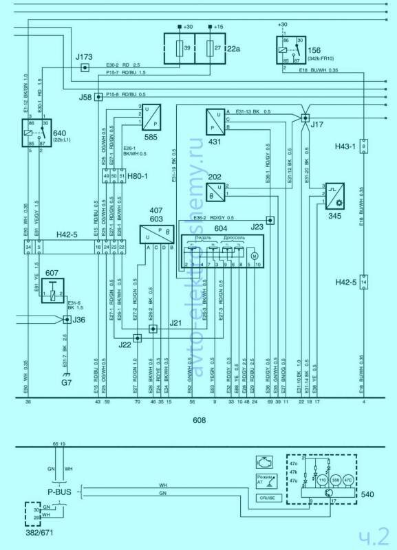
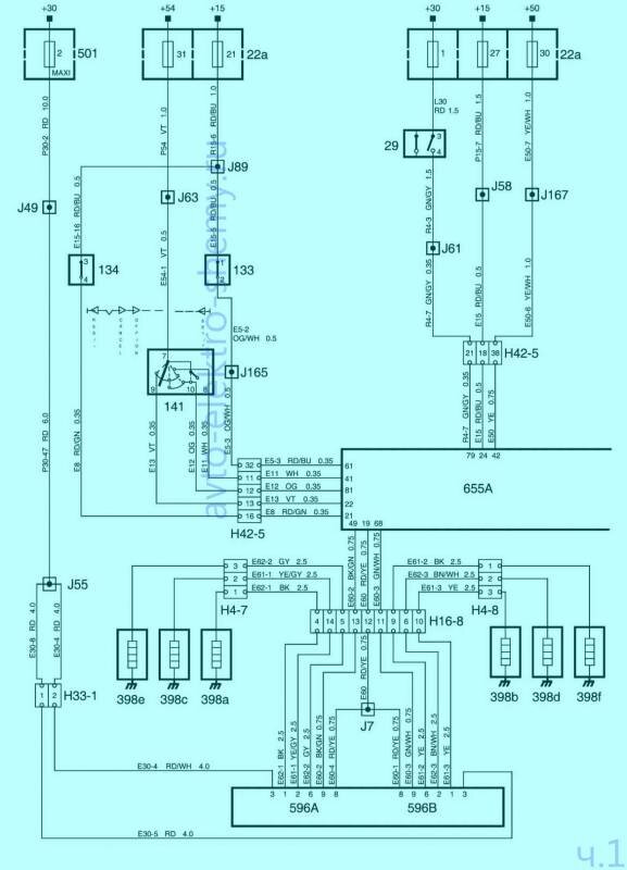
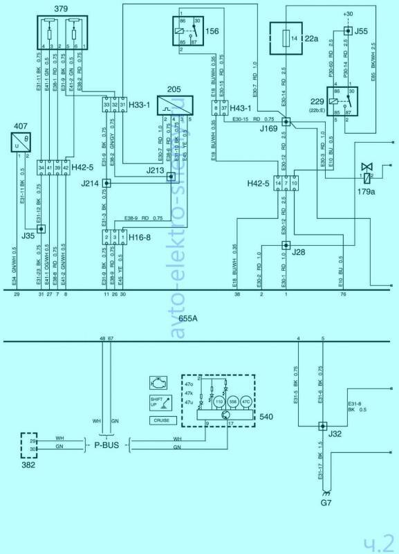
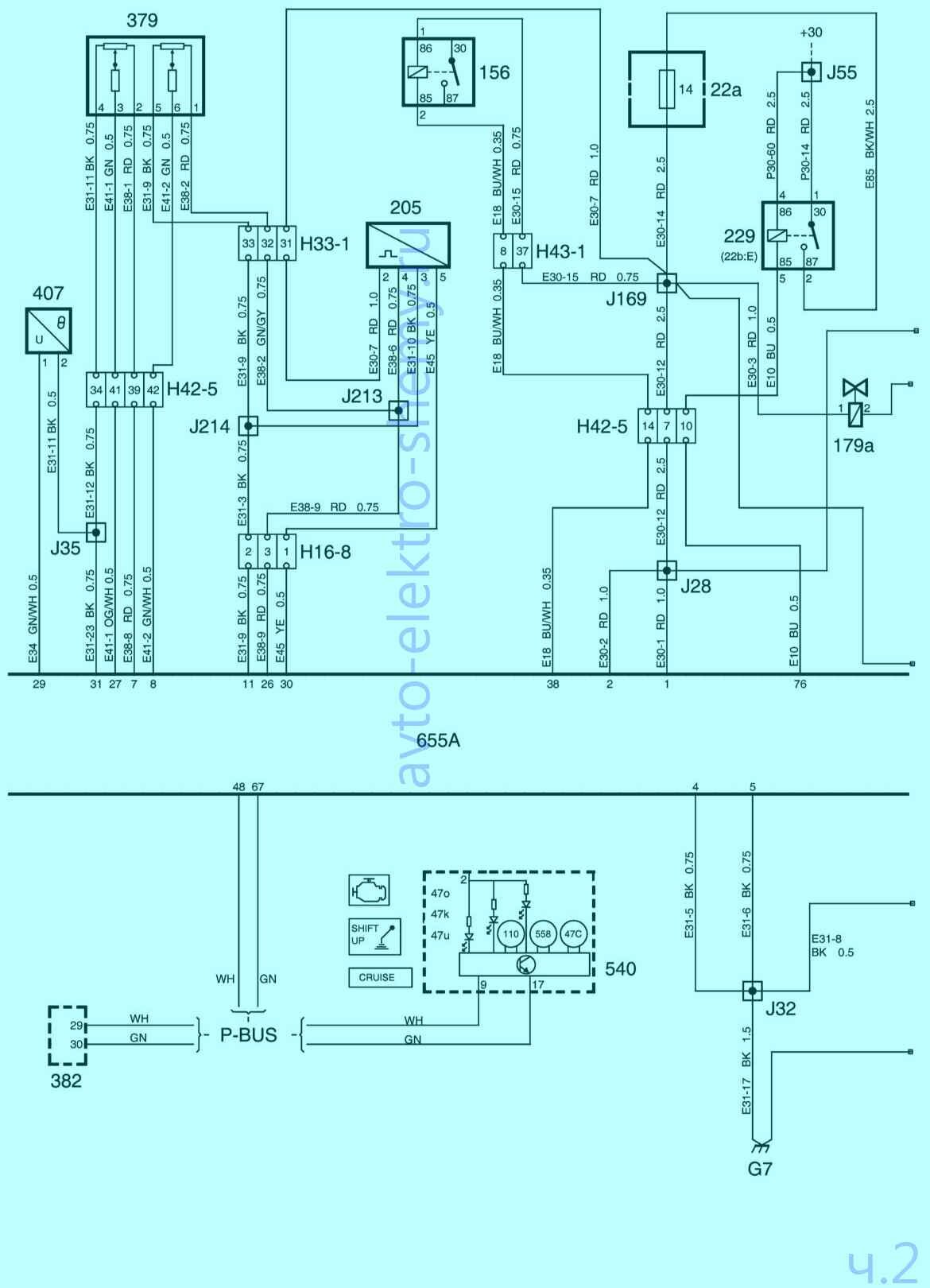
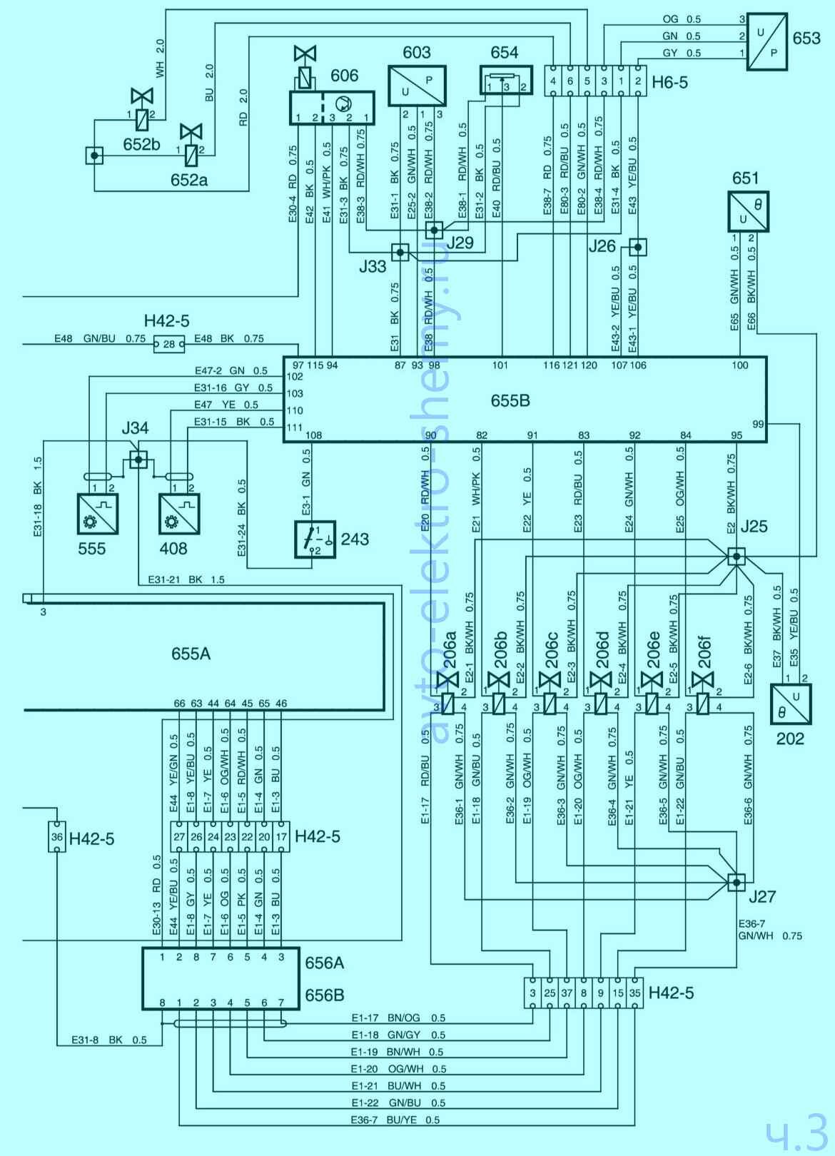
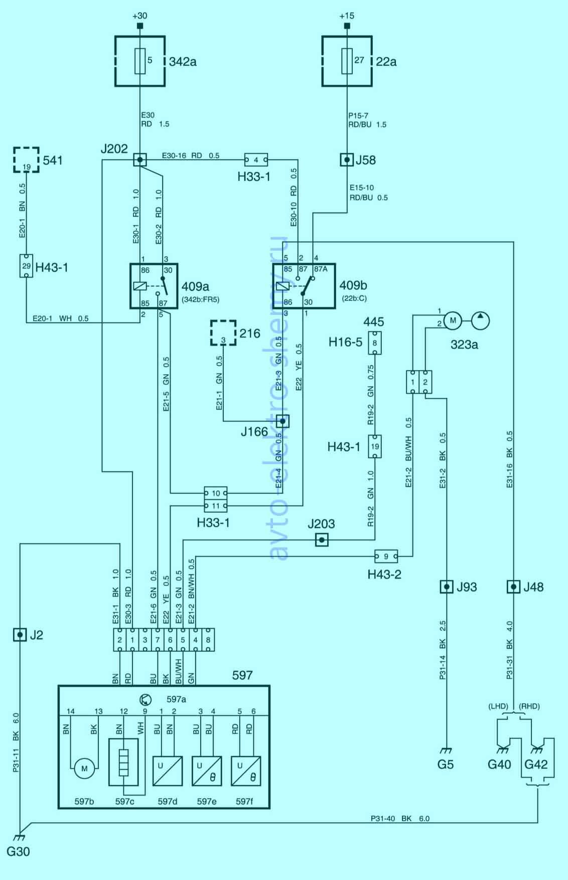
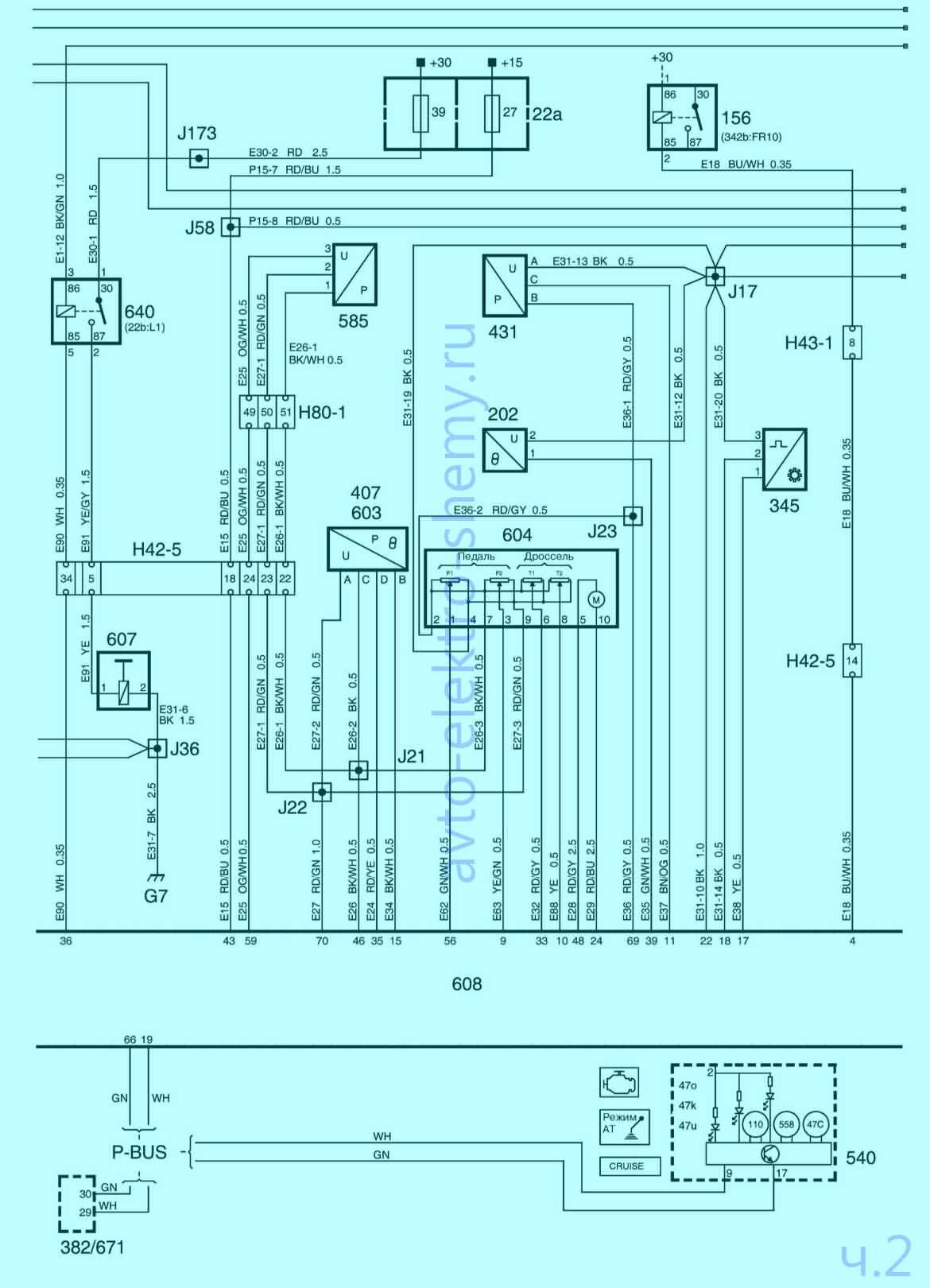
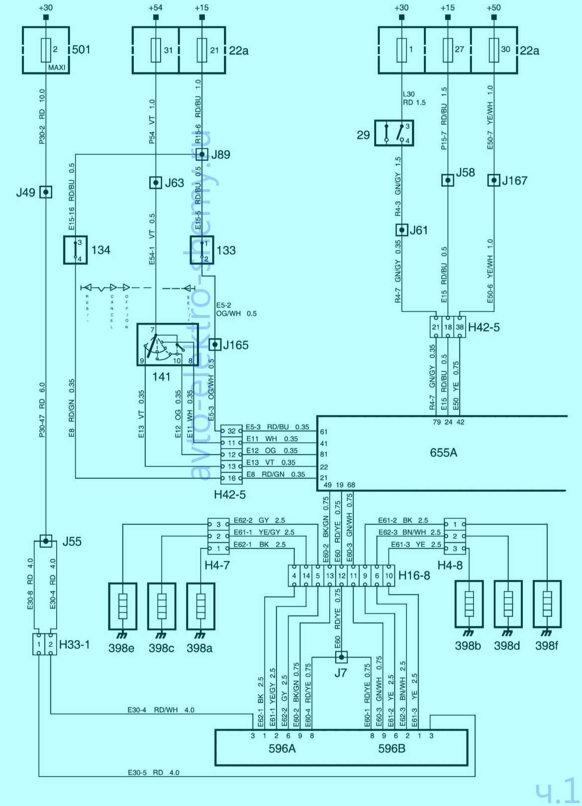
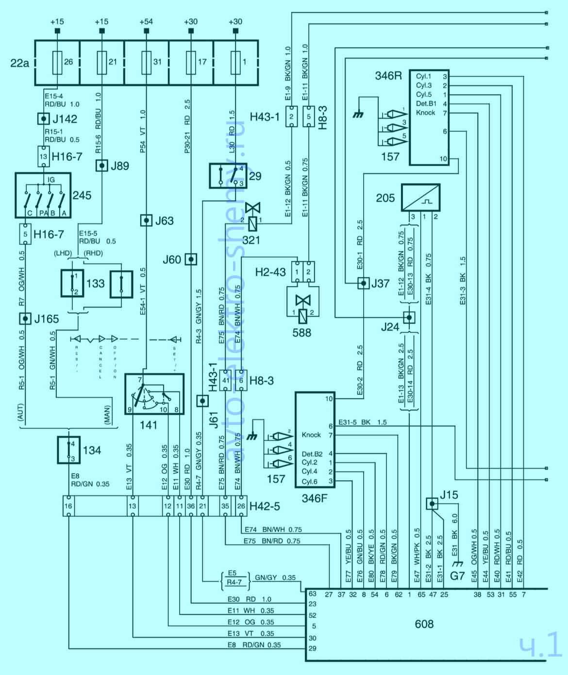
Система управления 4-цилиндровыми бензиновыми двигателями СААБ



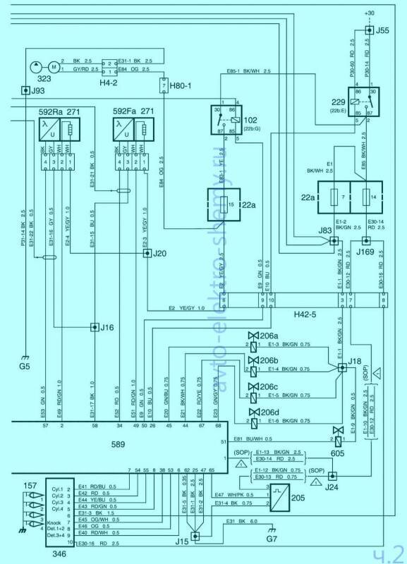
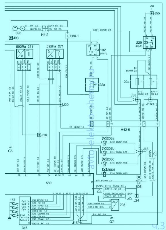
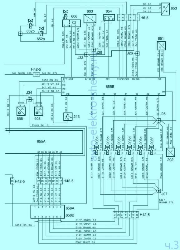
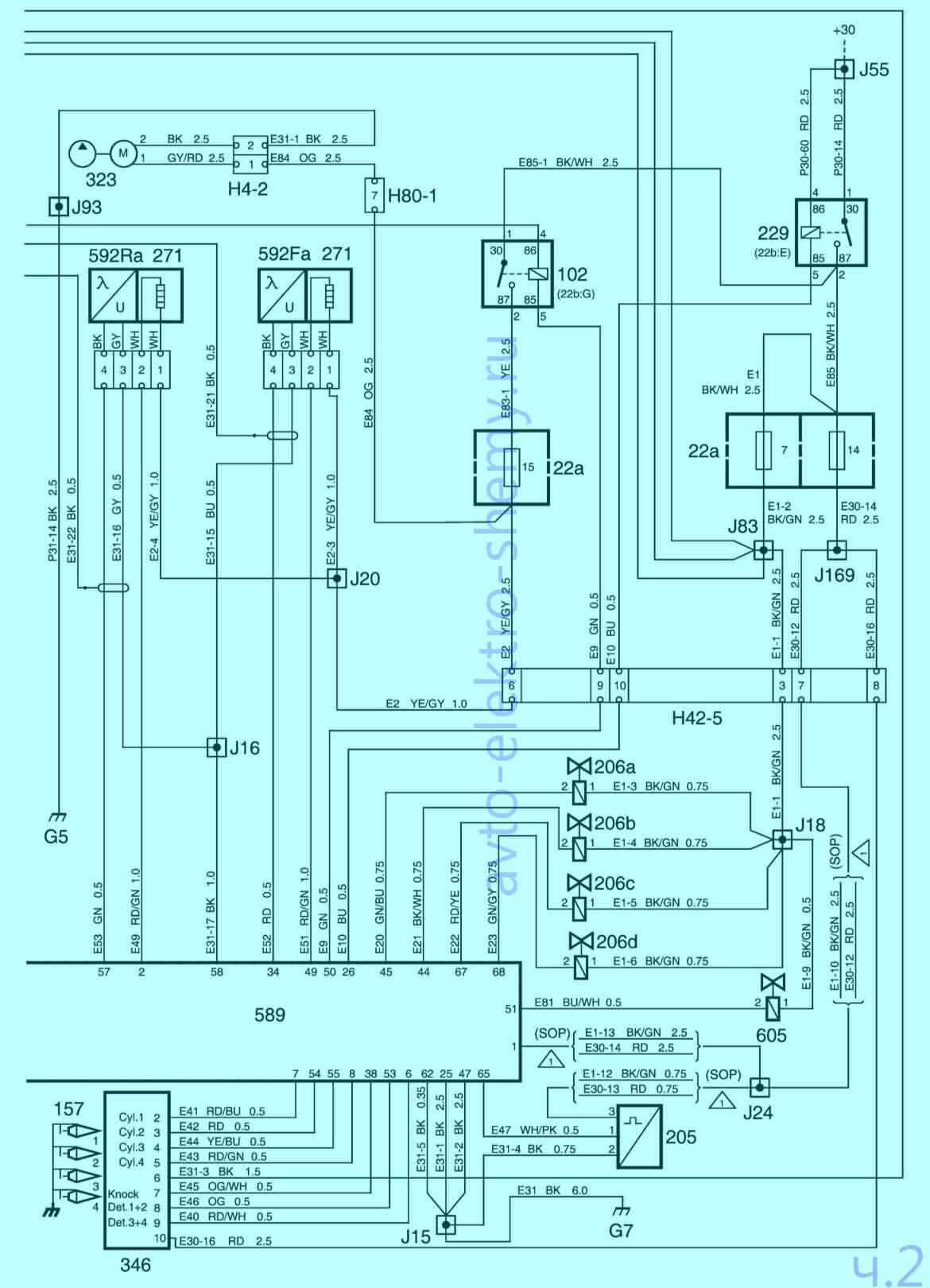
Система управления бензиновым двигателем V6



Система управления дизельным двигателем V6, версия 1



Дополнительный отопитель дизельных моделей СААБ

Обогрев топливного фильтра дизельного двигателя

Монтажные панели предохранителей и реле Сааб

РЕМОНТ АВТОЭЛЕКТРОНИКИ ЗАРЯДНЫЕ УСТРОЙСТВА ДЛЯ АКБ

|