Представленный в данной статье сборник электрических схем легкового автомобиля BMW 6 серии, предназначен для автосервисов по ремонту электрооборудования BMW. Схемы электрооборудования BMW 6-й серии (e24) (635 CSi, 633CSi, L6, M6) для 1983-1989 годов выпуска на английском языке, но в хорошем качестве. На них указаны все основные узлы, блоки предохранителей и реле, а также устройства освещения - фары, подсветки и т.д. Вторую часть сборника читайте тут.
Схема электрооборудования BMW 6
Реле и предохранители - обозначение и функция


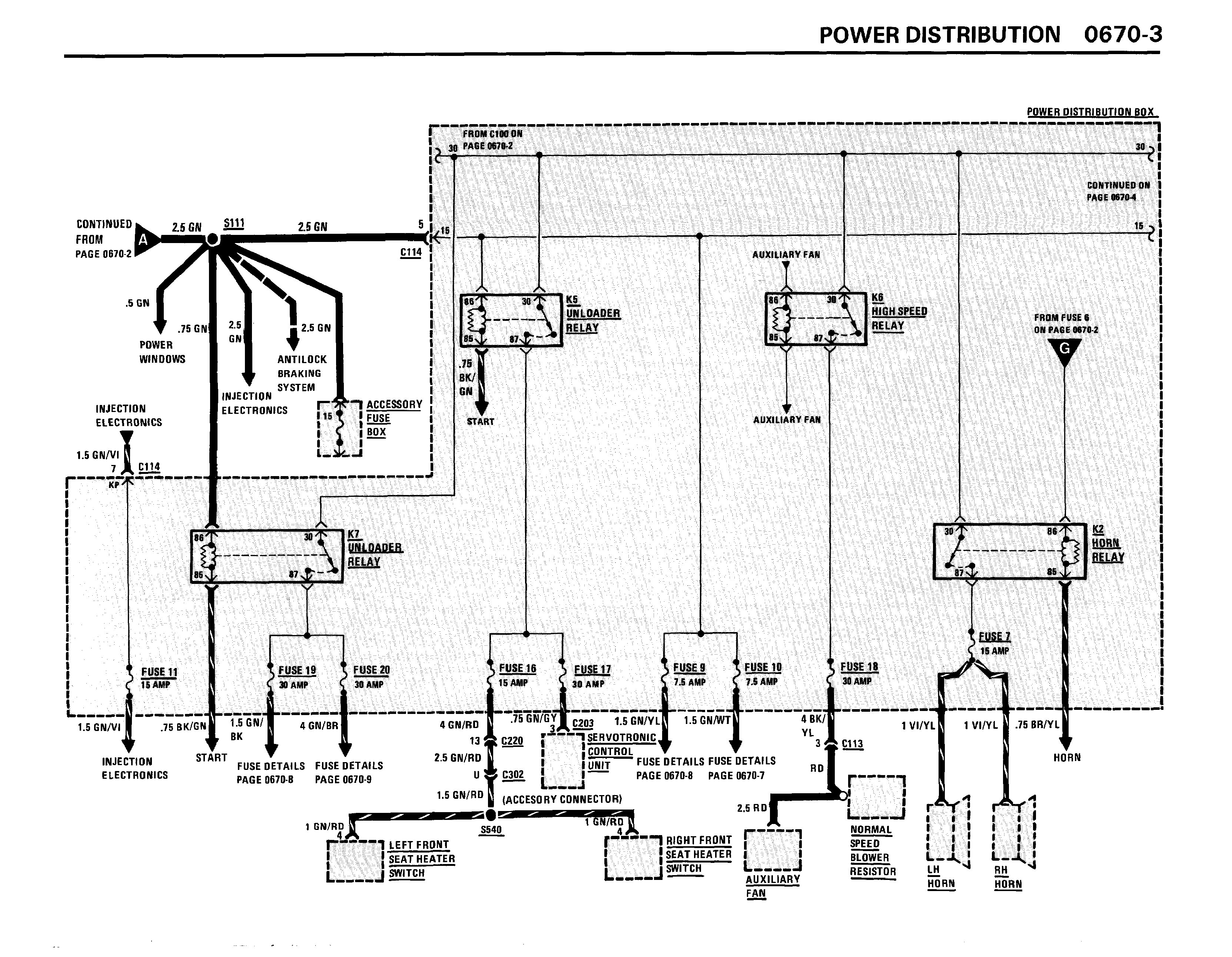
Схема разводки питания



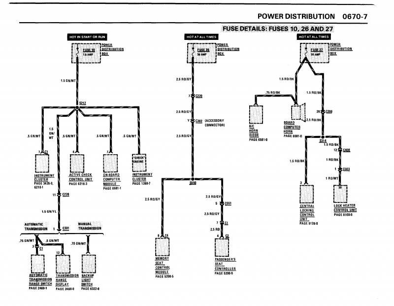
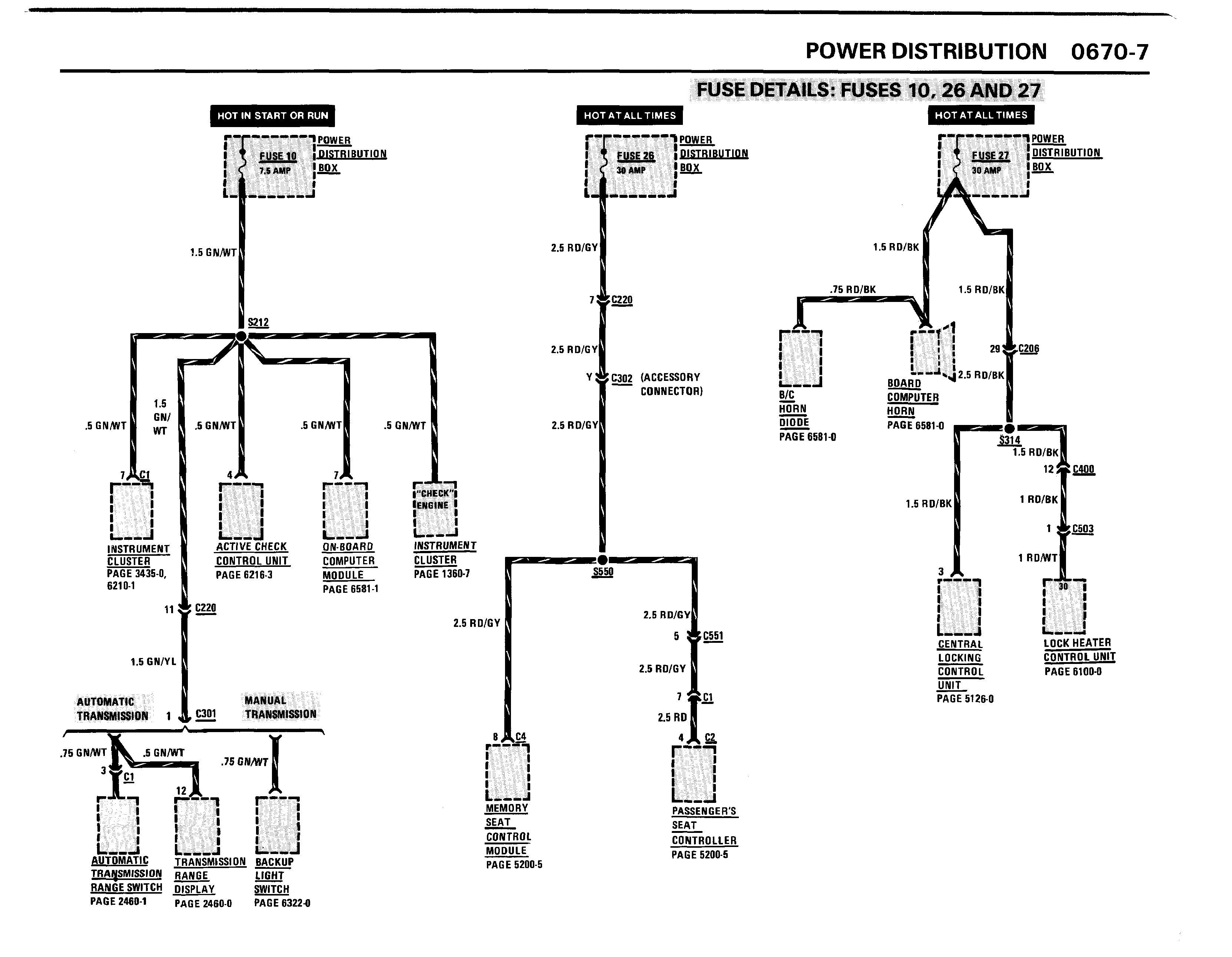
Предохранители 12-15

Продолжение схемы блока предохранителей




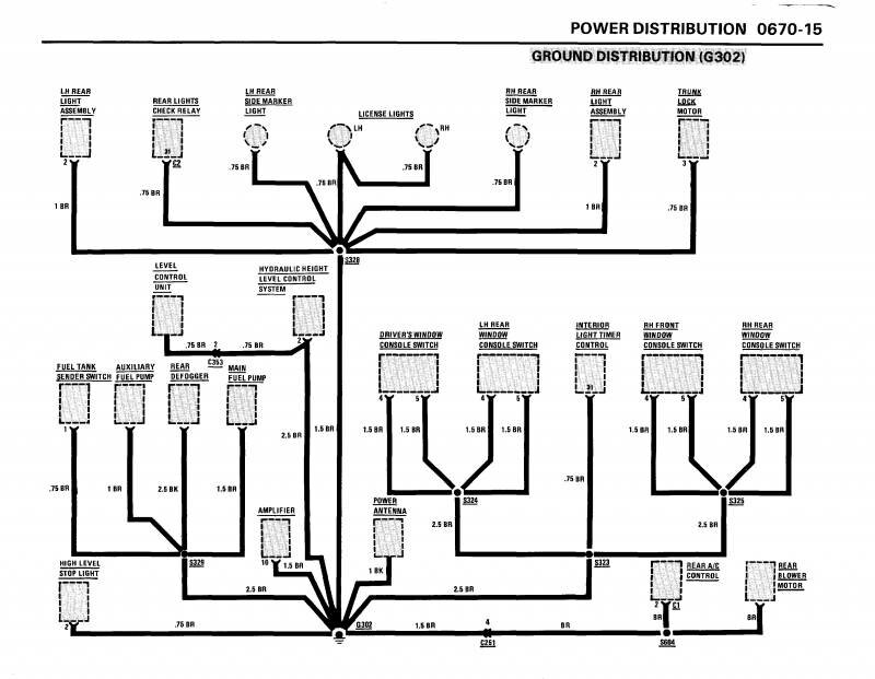
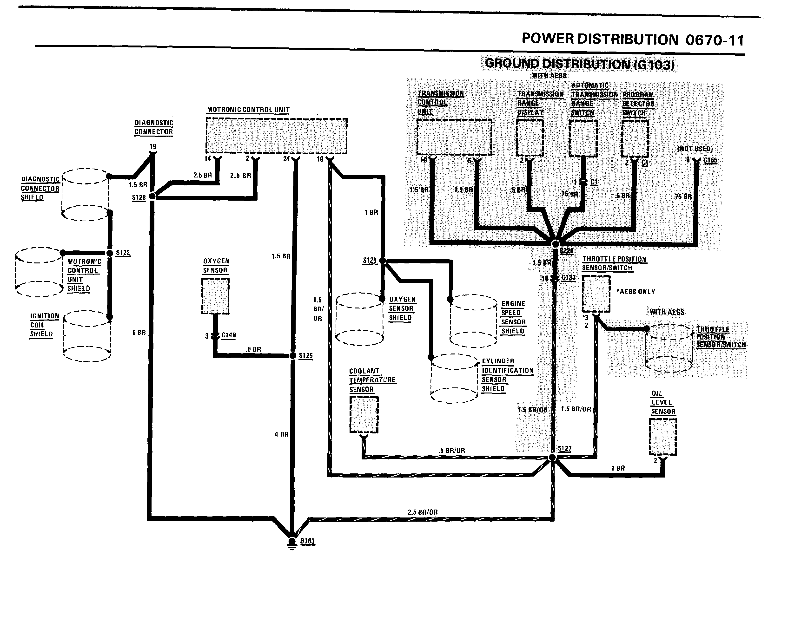
Схема разводки массы автомобиля BMW 6





Электросхема модуля заряда аккумуляторной батареи авто

Ручная трансмиссия - схема подключения

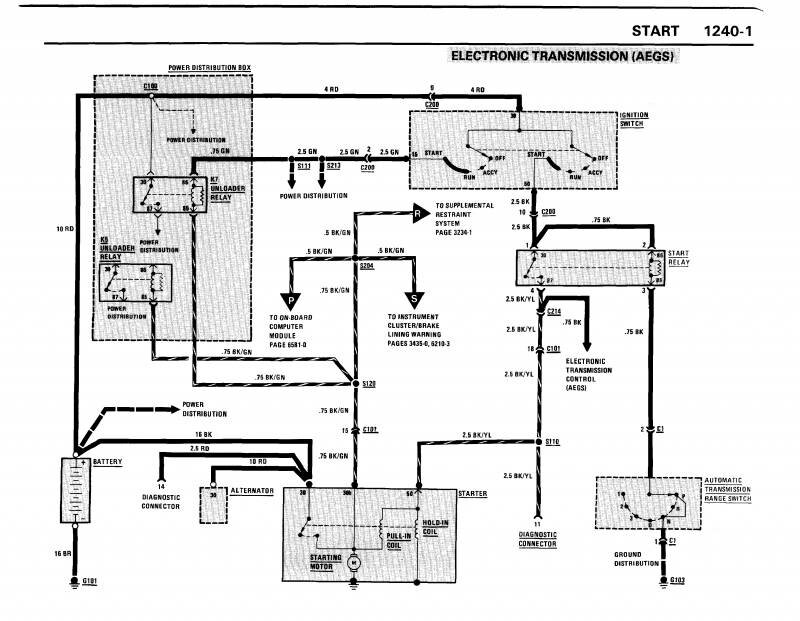
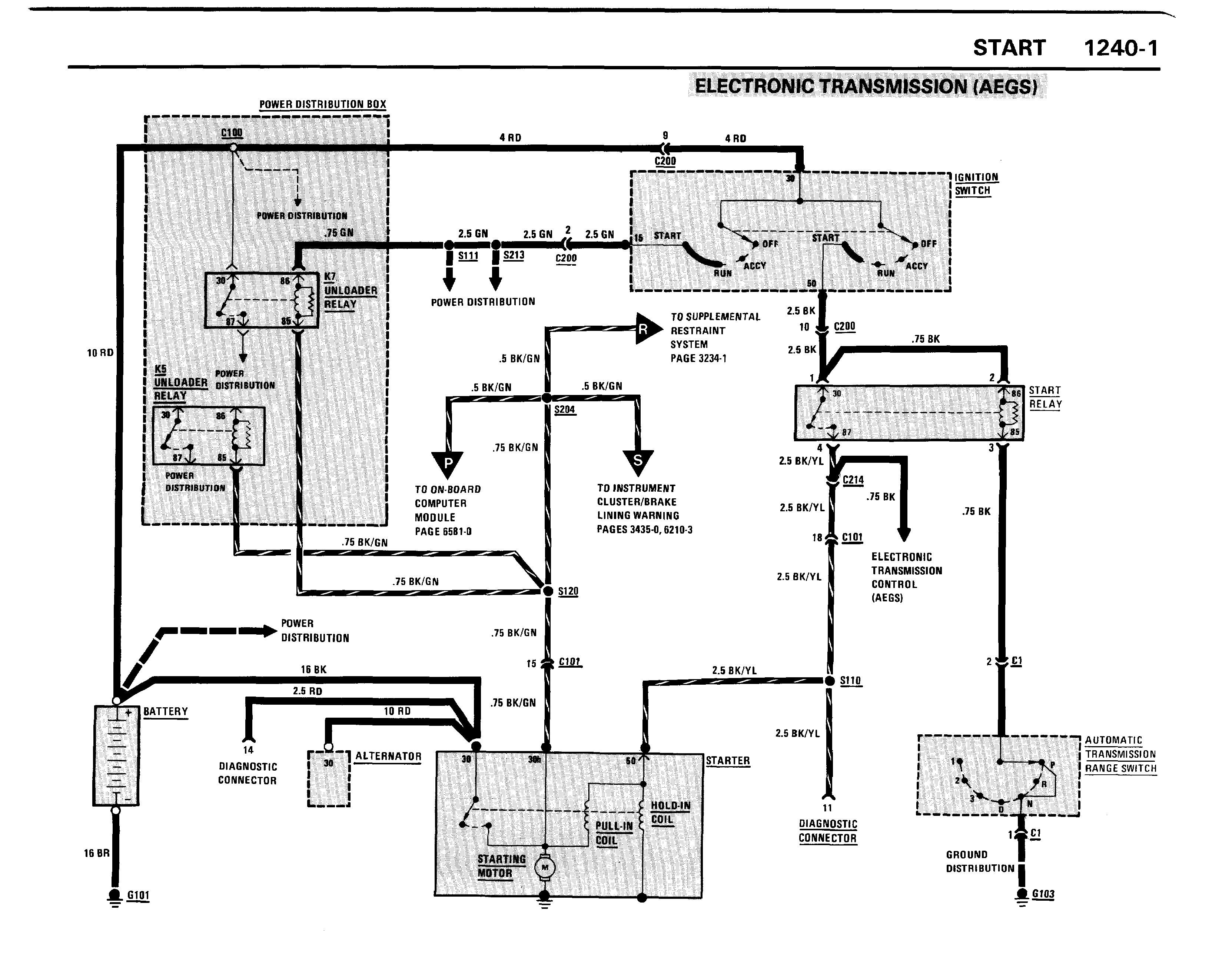
Электронная трансмиссия - схема подключения

Схема электрическая двигателя и его запуска



РЕМОНТ АВТОЭЛЕКТРОНИКИ ЗАРЯДНЫЕ УСТРОЙСТВА ДЛЯ АКБ

|