Первая часть сборника схем для электрооборудования автомобиля Ауди А4. Представлены электросхемы таких узлов: схема распределения питания, зарядки, автоматического кондиционирования воздуха, управления двигателем, Диагностический разъем DLC и другие модули. Остальные электросхемы для Ауди А4 смотрите тут.
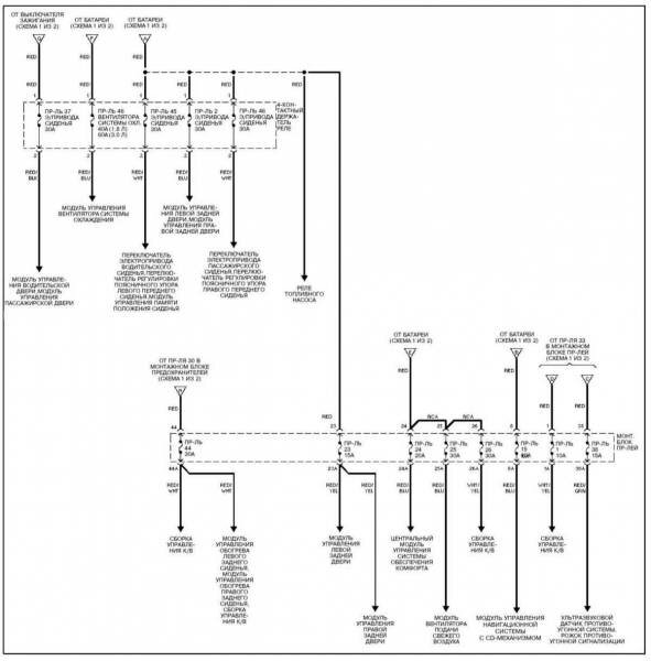
Электросхема распределения питания Ауди а4


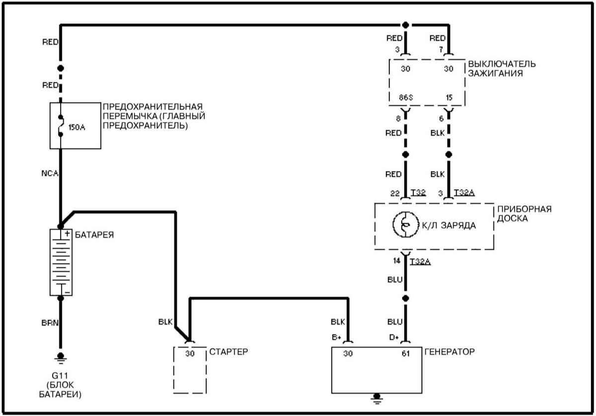
Электросхема зарядки Ауди А4

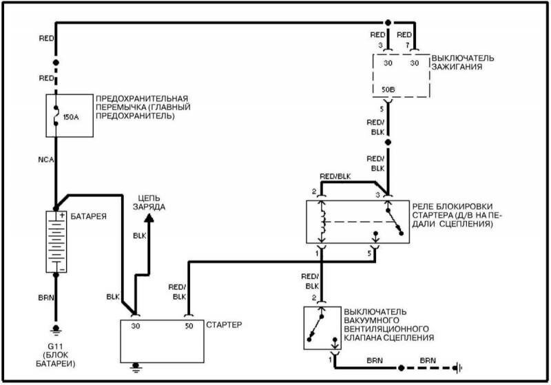
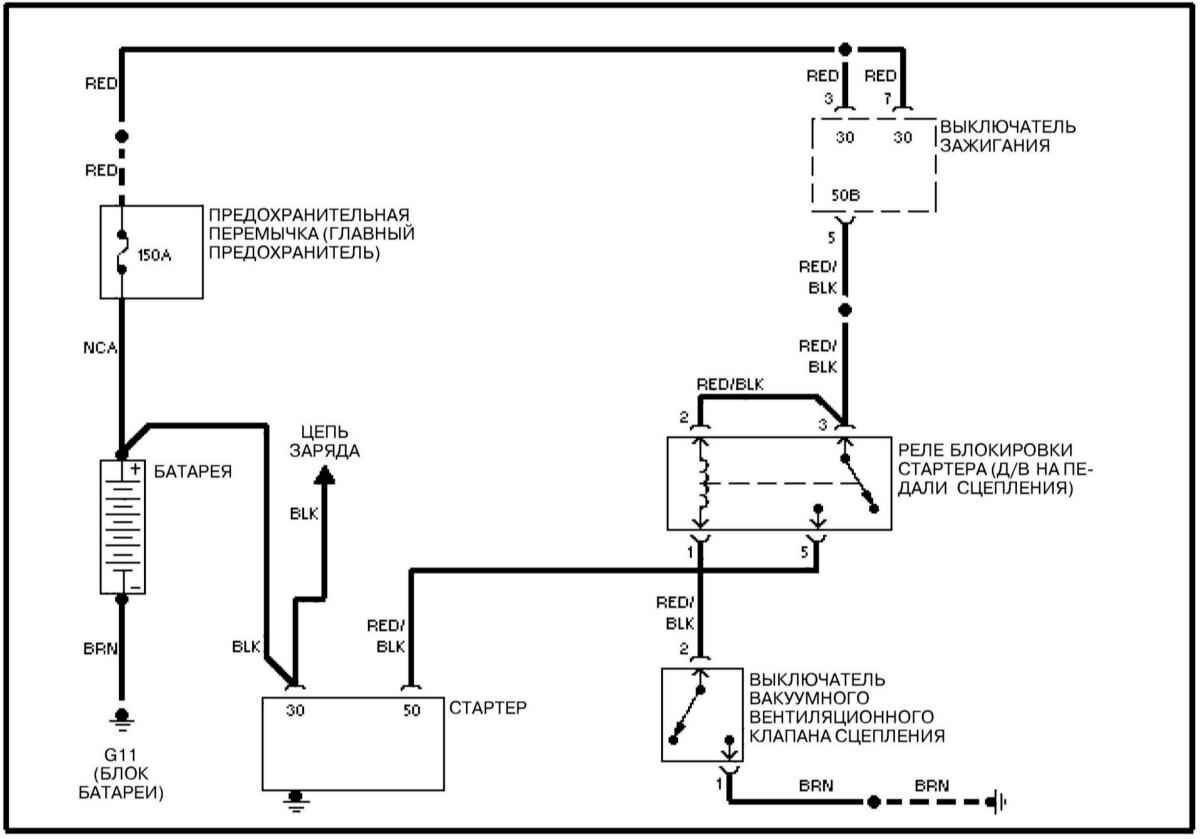
Электросхема запуска (РКПП)

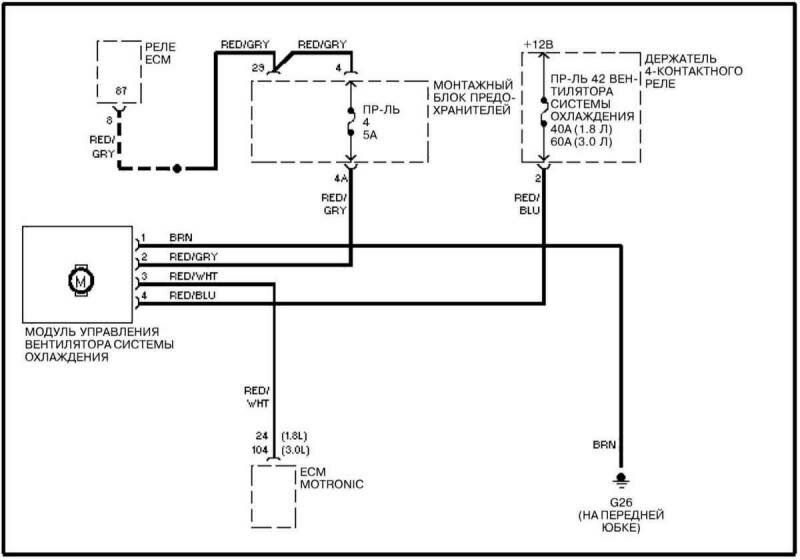
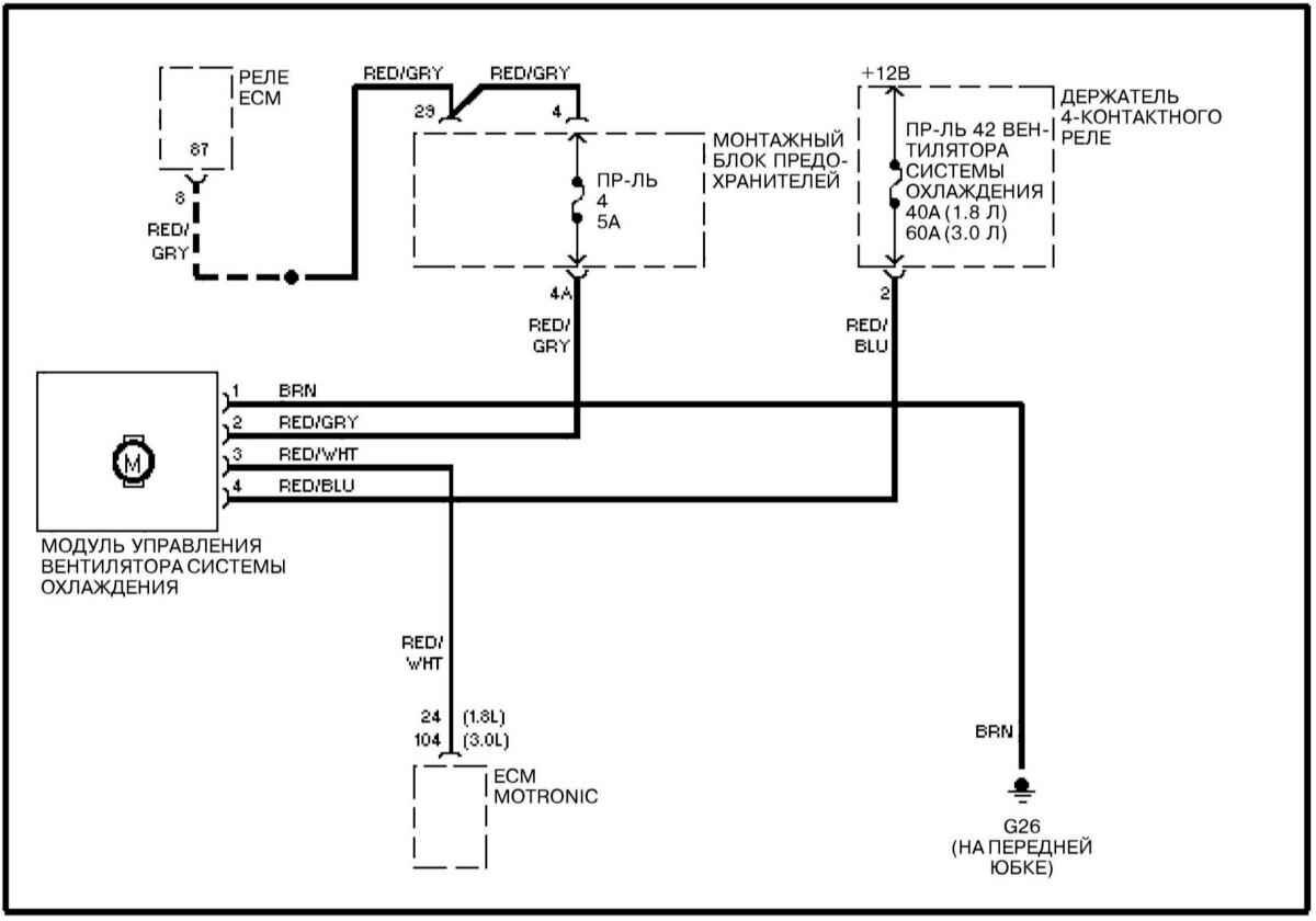
Электросхема системы охлаждения

Схема автоматического кондиционирования воздуха

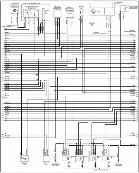
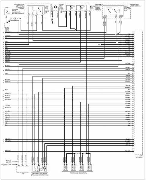
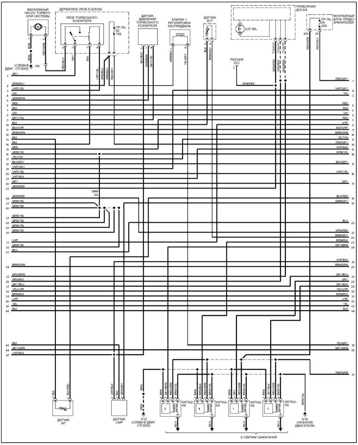
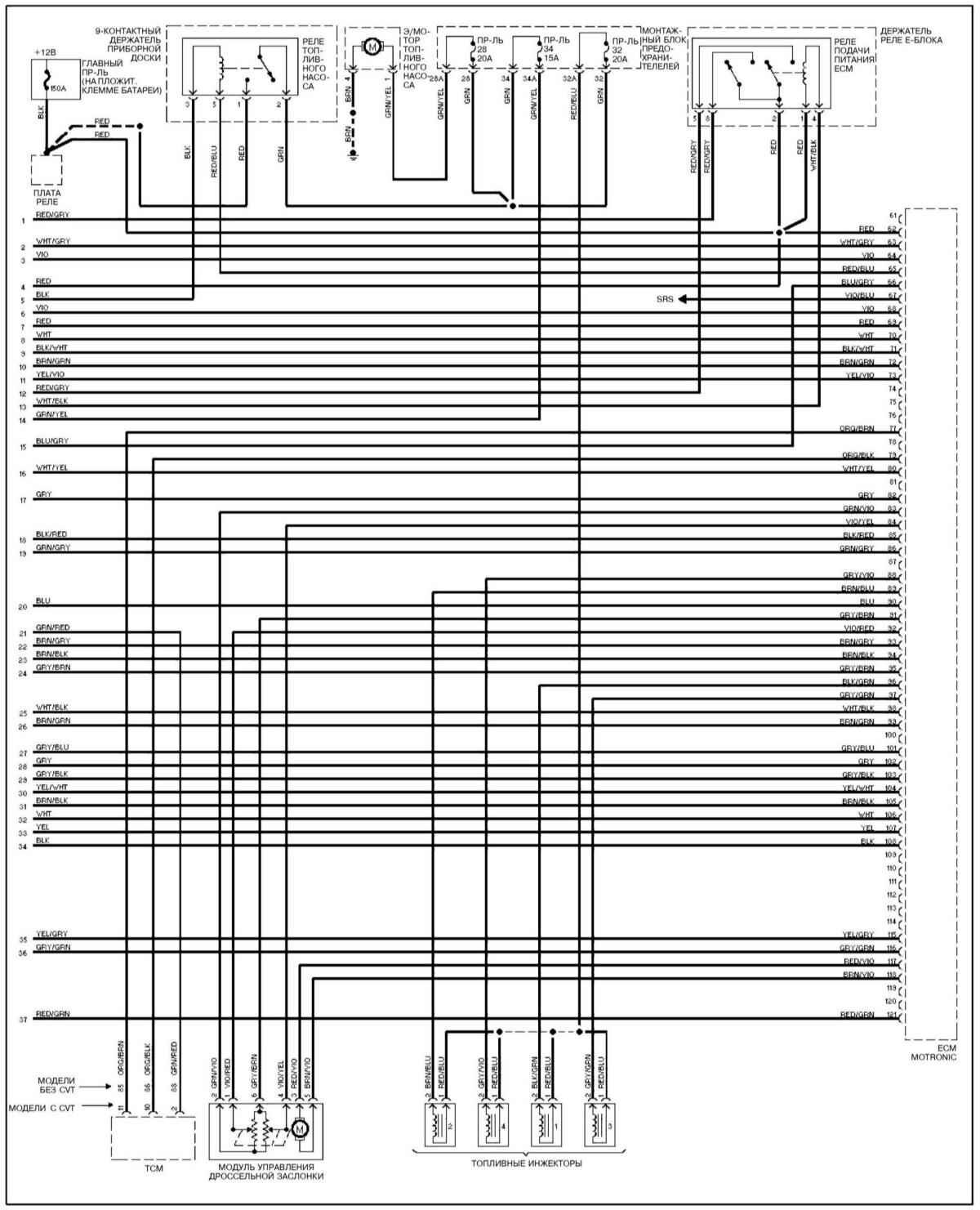
Электросхема управления двигателем 1,8



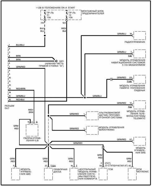
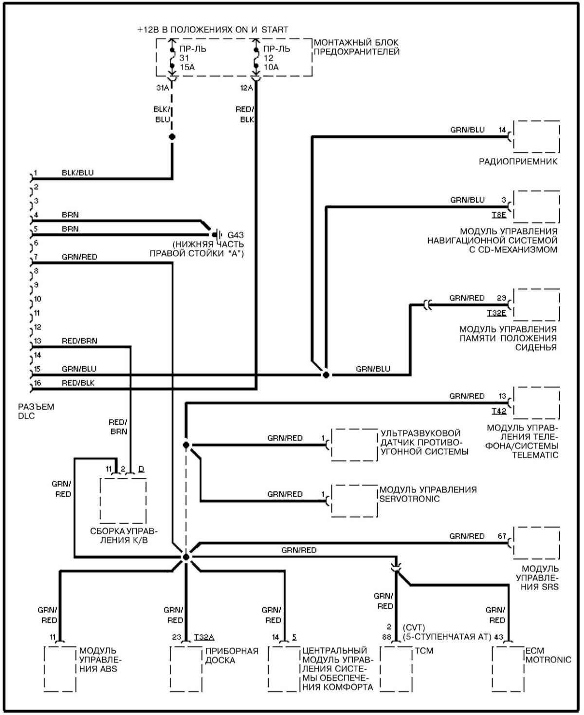
Диагностический разъем DLC

Бортовой компьютер Ауди А4

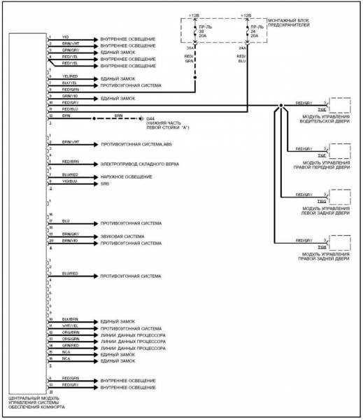
Электросхема шины обмена данными (CAN)

РЕМОНТ АВТОЭЛЕКТРОНИКИ ЗАРЯДНЫЕ УСТРОЙСТВА ДЛЯ АКБ

|